水电阻操作章程一、水电阻的定义水(H2O)混合一些相应可溶材料改变一下水的导电特性,使原有的电阻符合电气降压启动的要求的水称水电阻。...
更换阻尼电阻须防高压触电在电除尘器中,阻尼电阻的作用是:吸收二次回路的高频成分,防止输出回路出现谐振现象;连通主回路。电除尘器在运...
方形井式电阻炉安全操作章程1.操作人员经考试合格取得操作证,方准进行操作,操作者应熟悉本机的性能、结构等,并要遵守安全和交接班制度。...
摇测井下电气设备绝缘电阻安全技术措施1、所有参加测量人员必须贯彻学习本措施,未贯彻本措施者,严禁参加施工。2、所有参加测量人员必须听...
接地电阻测量仪使用措施 (1)准备工作 1)熟读接地电阻测量仪旳使用阐明书,应全面理解仪器旳构造、性能及使用措施。 2)备齐测量时所必...
实验报告顾客名称: 设备名称: 校 阅: 审 核: XXX X XXXX XX XX X XXX 有 限 公 司年 月 日接地电阻测试报告顾客名...
接地电阻测试作业指导书1、接通电源,开启电源开关,显示屏数码点亮。2、选择测试电流量程开关 25A,当开关按下时为 25A 量程,此时显示...
接地电阻测试安全技术措施为了让我矿井下供电安全,确保井下在用电气设备接地装置的完好性,防止电气设备金属外壳意外带电时,造成触电事故...
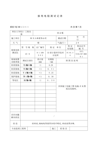
接 地 电 阻 测 试 记 录质控(电)表 4.3.4-1 共 页 第1页单位(子单位)工程名称XX 公寓施工单位XX X工程有限公司测试日期...
接地电阻测试操作章程1.0 接地电阻测试部位避雷系统重点部位(写字楼天面圆钢避雷带、高层 3、4 号楼天面避雷带、中高层 1、2 号楼避...
接地电阻测试仪操作章程一、使用方法:1.接通仪表电源,将电源开关由“关”置成“开”,预热 5~10分钟;2.将仪器红色夹子夹在支架的电源...
接地与接地电阻安全技术交底交底内容:1.电力变压器或发电机的工作接地电阻值不得大于 4Ω。单台容量不超过 100kVA 或使用同一接地装置...
接地与接地电阻安全技术措施1)单台容量超过 100kVA 或使用同一接地装置并联运转且总容量超过 100kVA 的电力变压器或发电机的工作接地电...
工贸企业高温井式电阻炉安全操作章程1.目的本规程用于指导操作者正确操作和使用设备。2.适用范围本规程适用于指导高温井式电阻炉的操作与安...
电流和电路、电压、电阻测试题(建议答题时间:60 分钟分值:135 分)基础过关一、选择题1.(东丽区一模)有甲、乙、丙三个带电体,甲物...
课时训练(十五) 电流 电路 电压 电阻(限时:30 分钟)|对点训练|【考点 1】 知道什么叫物体带电、物体具有磁性、导电性、绝缘性等。能...
第十三讲 电流和电路 电压 电阻一、填空题1.(2024·江西样卷)电阻表示导体对电流________作用的大小,它的大小与导体的________、长度...
贴片电阻生产工艺流程简介WEIHUAsystemofficeroom【WEIHUA16H-WEIHUAWEIHUA8Q8-、贴片电阻的结构贴片的电阻主要构造如下:结构层主要成分①...
浅析电阻制动在地铁牵引电机中的应用摘要:随着城市经济水平的提高、城市居民生活节奏的加快,汽车已经无法满足人们的需求。为此,我国大力...
接地电阻法律规范要求接地电阻法律规范要求 一、标准接地电阻法律规范要求: 独立的防雷保护接地电阻应小于等于 10 欧; 独立的安全保...

