1武汉市华天电开力自动关化有限回责任公路司电阻测试仪说明书A由于输入输出端子、测试柱等均有可能带电压,在插拔测试线、电源插座时,会产...
2—2试求题2—2图所示各电路a、5011片6080」401-——\I—1—•a10030(a)第2章习题与解答2—1试求题2—1图所示各电路ab端的等效电阻R。(a)(b...
绝缘电阻测试仪作业指导书1.目的规范MEUT511绝缘电阻测试仪的操作程序,保证正确使用仪器,保证检测工作的顺利进行和设备安全。2.适用范围M...
绝缘电阻测试记录GB50303—2002技表06-09-□□郑州市工程质量监督站监制工程名称子分部工程名称电气照明安装系统名称AW1施工单位测试人员测...
1-13CCOKNP深圳市斯耐根电子有限公司不燃性绕线电阻器(KNP)1.适用范围此基准是供家电、电脑、资讯用之精密型镍铬合金铜线原材料,其电阻温...
纯电阻电路教案————————————————————————————————作者:———————————————————————...
个人收集整理-ZQ1/4低电阻(Ω及以下)地测量面临各种技术挑战.根据应用地不同,人们在构建测试系统时可以选择不同地仪器选件,包括配合电...
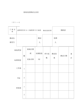
接地电阻测试记录表高林居住区A1-1地块第VIII标段测试仪器名称测试仪器型号测试人监测人编接地位置或设备名称实测阻值(Q)季节系数测试结果...
伏安法测电阻专题精选2.多选)如图所示的四个电路中,电源电压保持不变,R为已知阻值的定值1.下列图像中,能正确描述小灯泡u-I关系的是:电...
六探究——影响电阻大小的因素1.知道影响电阻大小的因素有材料、长度、横截面积和温度。2.了解导体电阻受温度的影响、超导的一些特点以及超...
电流、电压、电阻、滑动变阻器和欧姆定律内容重、难点知识一.串联电路1.电流规律:(在串联电路中,电流处处相等)。公式:(I1=I2=I)2...
第十三章电压电阻第一节电压知识点津自学检测1._______是使电荷发生定向移动形成电流的原因,________是提供电压的装置。2.电压用字母___...
第十四章:第四节:串联和并联电路的电阻(第二课时)【学习目标】1、了解运用欧姆定律和电路特点推导串联电路中电阻关系的过程。2、知道并...
第六章电压电阻【知识网络】、【考点透视】一、考纲指要1.初步认识电压,知道电源时提供电压的装置,知道电压的单位,会进行单位换算.2.会正...
物理(新课标人教版.选修3-1)路漫漫其修远兮吾将上下而求索第二章恒定电流物理(新课标人教版.选修3-1)请一个同学来观察两个灯泡亮度,判...
第三课时伏安法测电阻用电压表测出电阻两端的电压U,用电流表测出通过电阻的电流I,利用部分电路欧姆定律可以算出电阻的阻值R,IUR一.伏...
伏安法测电阻伏安法测电阻电阻的测量用电压表测出电阻两端的电压U,用电流表测出通过电阻的电流I,利用部分电路欧姆定律可以算出电阻的阻值...
欧姆定律第一节第一节电流与电压和电阻的关系电流与电压和电阻的关系第十七章知识预备2、电阻表示导体对________的阻碍作用。那么通过某一...
选修3-1第七章恒定电流考情分析考纲预览1.欧姆定律Ⅱ2.电阻定律Ⅰ3.电阻的串联、并联Ⅰ4.电源的电动势和内阻Ⅱ5.闭合电路的欧姆定律Ⅱ6...
伏安法测电阻专题练习1、用伏安法较准确测量一个阻值约50欧的定值电阻,器材规格如下:A、电池组(6伏,内阻很小)B、电流表(0—50毫安,...

