第 5 页精品文档---下载后可任意编辑给排水管道安装工程质量检验方案 ITP 把握点报验点.docx 1、给排水管道安装工程质量检验打算 ITP...
精品文档---下载后可任意编辑单元工程报验申请表工程名称:云南省富宁县花甲村委会平麻村小组滑坡应急治理工程致: 三峡大学(湖北)建筑...
齿轮钢锻件等温正火质量检验规范目的与范围目的为正确评定渗碳齿轮钢钢制锻件及毛坯粗车零件的等温正火硬度均匀性及正火组织级别等相关质量...
垫铁、基础螺栓及二次灌浆工程质量检验评定表 单位(子单位)工程名称 分部(子分部) 工程名称 验收部位 施工单位 项目经理 分包单位 ...
1 . 检验的概念 对产品(含原材料、标准件、液压件、密封件、电器元件,半成品,装配成品等)的一个或多个特性进行测量、检查、试验或度...
- 1 - 附件 1 机动车维修质量检验制度 一、适用范围 凡本市行政区域内取得机动车维修经营许可的机动车维修企业,均应执行机动车维修...
DL/T5434 ---2009 表A.14 验收申请表 工程名称:华电潍坊发电有限公司3 号机组脱硫提效工程 编号:QDHT(TL)-03-A14—JW-032 致: ...
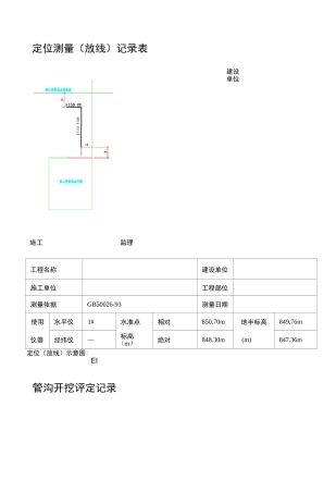
精品文档---下载后可任意编辑ICS P 55备案号:37613-2024江苏省地方标准DB32/T 2334.2—2024 水利工程施工质量检验与评定标准第 2 局...
第 1 页 共 1 7 页 DL/T 5161.6—2018 代替 DL/T 5161.2—2002 电气装置安装工程质量检验及评定规程 第 6 部分:接地装置施...
护栏 报验申请表 工程名称:太原市虎峪河河道美化工程 编号: 致:太原宏晋工程建设监理有限公司 我单位已完成 K 2+297.6~K2+346.6...
第 1 页 共 8 页精品文档---下载后可任意编辑建筑材料质量检验和把握 一、常用建筑材料的质量检测 〔1〕依据工程预备和要求,组织各...
第 1 页/共 11 页桥梁维修加固技术质量检验评定项目及方法汇总检测项目基本要求裂缝表面封闭所用材料类别及质量应符合有关规范及设计要...
目 录第一部分.............................................................................4工程项目施工质量评估表...................
附录 A 单位、分部及分项工程旳划分附表 A-1 一般建设项目旳工程划分单位工程分部工程分项工程路基工程(每 10km 或每标段)路基土石...
精品文档---下载后可任意编辑公路工程桥梁总体质量检验评定表分项〔工序〕工程名称: 所属分部工程名称: 所属建设工程:工程部位:〔桩...
精品文档---下载后可任意编辑入户门安装报验申请表工程名称: 编号: M-1入户门安装工程检验批质量验收记录表编号:03030401单位(子单位...
表 1.0.2 支(吊)架安装分项工程质量验收表工程编号:表号:DL/T5161.4-表 1.0.2安装位置工序检验项目性质质量标准质量验收结果单项结...
手 袋 产 品 质 量 检 验 标 准 1、 原 物 料 品 质 要 求 1.1 PU 料 附 着 力 和 柔 韧 性 正 常 , 轻 ...
房屋修缮工程质量检验评定标准 1 总 则 1.0.1 为了确保房屋修缮工程质量,正确评定房屋修缮工程的质量等级,统一房屋修缮工程质量检验...
精品文档---下载后可任意编辑交通标志分项工程质量检验评定表( 编 号 : ) C-11.2.2合同号: AYBZ-01 工程部位(桩号、墩台号、孔...

