Precision Power Analyzer 高 精 度 功 率 分 析 仪 High-end 顶 级 Basic Power Accuracy 基 本 功 率 精 度 0.02...
电动车市场定位报告分析 所在学校: 所在班级: 所在小组:第四小组 小组成员: 电动车市场细分 一、按地理变量细分市场 按照消费者...
电动车基本知识讲解 第一章电动车基本知识 一、电动自行车的定义 它是以蓄电池作为辅助能源,具有两个车轮,能实现人力骑行,电动或电助动...
精耕细作 步步为赢——A 电动车山东市场推广方案 0 牛宝明 引言 一、 前景展望 二、 前期规划 三、 市场导入期 四、 市场成长...
纯电动汽车安全要求 一、车载储能装置 1 定义 1.0 单体锂电池电池芯 一种化学能存储装置,它是由正极片、负极片、隔膜,电解液所组成...
电动车原理及维修 第一节 电动车整体构造 电动车整体构造其实很简单,基本上是在自行车的基础上加上“四大件”(电池、控制器系统、电机...
电动车各大零部件位置图解析 电动车配置以4 大件为主。电机,控制器,电池,刹车。 目前电动车市场上以3 类电动车为主导。外行消费者、...
电动车刹把原理详解 刹把的作用就是当刹车时,控制器检测到刹车信号,无论在什么状态下都断开电机供电,分为:机械常开,机械常闭,电子常...
1、首先:检查保险丝是否明显断路,如果断路跳到第 5 步 2、如果没有,那就用万用表的电阻档或二极管档量一下电源进线是否断路(不带电...
电动车创业计划 ——松速电动车 江苏省苏州市(待定) 2022 年 4 月 26 日 电动车计划编写人员 主编:张嘉伟 王子君 副编:陈...
电动车充电器原理图 电动车充电器36V/48V 一、CD-L-36 型电动自行车电池充电器 这是一种脉冲调制(PWM)式开关电源充电器,具有恒流充电...
电动车充电器怎么修图文实例 修一充电器,我们首先用眼睛观察比较明显的损坏,如上图保险丝严重烧毁,电容鼓起。还有最下一图圈红圈处(另一...
1 智能脉冲电动车充电器电路图 2 电动车充电器 常用电动车充电器根据电路结构可大致分为两种。第一种是以 uc3842 驱动场效应管的单管...
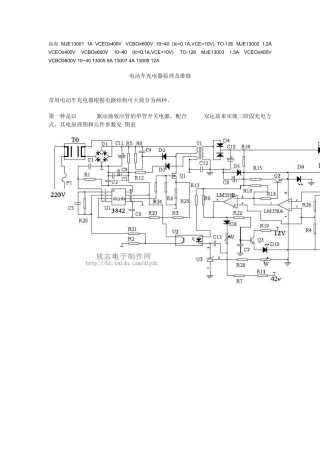
赵海MJE13001 1A VCEO≥400V VCBO≥600V 10~40 (Ic=0.1A,VCE=10V) TO-126 M JE13002 1.2A VCEO≥400V VCBO≥600V 10~40 (Ic=0...
电动车充电器原理及维修电动车充电器原理及维修((上) 常用电动车充电器根据电路结构可大致分为两种常用电动车充电器根据电路结构可大致...
电动车充电器原理及维修 常用电动车充电器根据电路结构可大致分为两种。 第一种是以 uc3842 驱动场效应管的单管开关电源,配合 LM358...
[键入文字] [键入文字] 常 用 电 动 车 充 电 器 根 据 电 路 结 构 可 大 致 分 为 两 种 。第一种 是以uc3842 ...
电动车充电器3842
KJ6_KJ4 电动车使用说明书 K J6 电动车外形图 特别说明: 本公司不断对车辆加以改进,本手册所载图片、数据和说明不作为订货验收依据...
2016 年上半年电动汽车事故汇总 就像新能源汽车产销的火爆一样,2016 年上半年新能源汽车在安全方面也着实火了一把。据不完全统计,自年...

