□□□□□□□□□□□□□□□□□□□□□□□□□a(JGJ120-99)U□□□□□□□□1.□□□□□□□□□□□h(m)Y(kN/m3)C(kPa)/(□)□□...
施工技术交底记录2016 年 02 月 22 日~~工程名称兴隆 34 路分部工程电力隧道基坑分项工程名称深基坑支护、喷锚交底内容:电力隧道深...
深基坑挂网喷锚施工工法1、前言在当今建筑工程施工中,其中针对基坑分部工程中的基坑支护已成为工程建设中不可避免地重要组成部分。为了保...
S301 线寿宁段、S202 线寿宁友谊桥至城管段灾害工程 A 标施工组织设计一、工程概述与工程量S202、S301 线福安至寿宁段是交通的重要通...
喷锚网支护是靠锚杆、钢筋网和混凝上层共同工作来提高边坡土的结构强度和抗变形刚度,减小土体侧向变形,增强边坡的整体稳定性.在开挖形成的...
皇城嘉苑小区深基坑土方开挖及边坡支护专项施工方案河南金川建筑有限公司目录第一章、工程概况第二章、基坑排水、支护方案设计第三章、施工...
****机组技改工程框架护坡喷锚支护工程投标文件招标单位:贵州****有限责任公司寨电厂项目分公司投标单位:贵州省****建设工程施工公司...
表 C2。7。6 安全技术交底 编号:工程名称中铁城建集团金刚里地块棚户区改造安置住房项目分部分项工程名称喷锚施工交底内容:一、工程概...
施工组织设计(方案)报审表工程名称:九华大新社区北片二期工程编号:004致:湘潭市建筑工程监理咨询监理公司(监理单位)我方已根据施工合...
基坑边坡喷锚支护方案一、工程概况本工程属民用建筑工程,框剪结构 ,总建筑面积为 126267.96 平方米,地下建筑面积 29313。61 平方米,...
一。 工程概况锦江区中锦建设投资有限责任公司开发建设的锦江区琉璃片区“柳江新居”一期工程 10#楼,地处成都市锦江区琉璃场柳江社区,位...
基 坑 喷 锚 护 壁施工组织方案枞阳县建筑安装工程有限责任公司二 0 一五年一月二十五日审 批 表目 录第一章 工程概况第二章 ...
延长县吴家山影剧院商业住宅楼基坑支护施工方案审批:审核:编制: 2024 年 7 月 25 日延长县吴家山影剧院商业住宅楼基坑支护方案一...
精品文档---下载后可任意编辑一. 工程概况 锦江区中锦建设投资有限责任公司开发建设的锦江区琉璃片区“柳江新居”一期工程 10#楼,地处成...
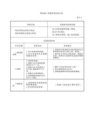
喷砼施工质量检查控制计划 表8-2 质量目标 质量检查控制依据 喷层厚度达到设计要求; 喷层砼强度达到设计要求。 业主及监理提供的施...
石 家 庄 新 基 业 物 流 大 厦 工 程 喷 锚 施 工 方 案 目 录 1 、编制依据 ......................................
1 灵宝市尹庄镇西车村棚户区改造工程(银湖嘉苑) 地下车库基坑支护施工方案 编制: 审核: 审批: 灵宝市鹏程建筑安装有限责任公司...
1 基坑支护设计施工方案 第 一 部 分 工程概况 一、概述 济南市生活废弃物处理中心垃圾渗滤液调节池及上清液处理工程,设地下一层...
喷 锚 支 护 协议 甲 方 : 乙 方 : 经 过 双 方 共 同 协 商 , 甲 方 将 三 灶 镇 东 咀 片 区 排 涝 ...
固结、回填灌浆(锚杆、排水孔)实测孔位布置图 承包人:抚松县泰安建筑安装工程有限责任公司 合同编号: №: 单位工程名称 双沟电站...

