《杨氏之子》教案教材分析《杨氏之子》是一篇文言文,它选自南朝刘义庆的《世说新语》,讲述了梁国姓杨的一户人家九岁男孩风趣幽默、机智巧...
做情绪的主人,向欢乐出发教学目标:1、了解自己现有的已掌握的方法。2、进一步学会更多的寻找欢乐地策略,学会更好调节自己。3、能够在生活...
题目《山行》人教版二年级语文 姓名:金城 性别:男 职称:小教高级 学历:专科 单位:独山小学 电话:18984470605 通讯地址:纳雍县...
优质课教案《两小儿辩日》六年级语文李立峰淮滨县王店二中2025—3《两小儿辩日》教案 教学目标: 知识与技能: 学会本课 3 个生字,能...
优质课教案 《 诗经》主讲 杨盛勇三维目标知识与能力1、初步了解诗经2、了解比兴手法3、体会作品表达的思想感情。过程与方法1、反复朗读...
优质课展示活动主持词尊敬的各位领导、老师们: 大家上午好!古诗云“问渠那得清如许,唯有泉头活水来".老师是提高教育教学质量的源头活水...
《光合作用的过程》教案执教者:王建锋一、教材分析:此部分内容是人教版高中生物教材必修一《分子与细胞》第五章第四节第二部分内容的一小...
18.颐和园教学目标1、认识 7 个生字,会写 11 个生字。正确读写词语.2、有感情地朗读课文,背诵自己喜爱的部分.3、感受颐和园漂亮的景...
***老师:在 2025—2025 年度第一学期“校级优质课评比”中,讲授的语文《*****》一课获得 一 等奖,特发此状,以资鼓舞。 **...
优质肉牛养殖基地工程可行性研究报告2025 年 2 月目 录第一章 概述第二章 项目与建设单位背景第三章 项目进展工作基础与优势条件第...
优质课《掌声》教案、反思教学设计:★教材解读: 《掌声》人教版实验教材三年级上册第 29 课,这篇课文以朴实无华的语言向我们讲述了这...
工商银行南召支行营业办公楼优质结构工程评审材料项目名称:工商银行南召支行营业办公楼申报单位:郑州东风建筑工程有限公司日期:2025 年...
创南阳市优质结构工程质量目标计划和质量保证措施一、质量目标:本工程质量目标为“南阳市优质主体工程",争创“河南省结构中州杯工程”。施...
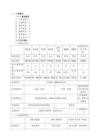
一、工程概况(一)建设概况1、工程名称:×2、工程地址:×3、建设单位:×4、设计单位:×5、勘察单位:×6、监理单位:×7、施工单位:×...
附件 3山东省建设工程优质结构杯奖申 报 表工 程 名 称:济南市二环南路建设工程 ( 西段 ) 第一标段 申报单位(盖章): 济南黄...
雨城区多营镇下坝村新村聚居点灾后重建项目(二期)工程优质结构工程施工方案编制:审核:批准部门:成都市第三建筑工程公司编制日期: 2025...
江苏省优质结构工程评定标准一、优质结构工程检查时,抽查数量:1、高程建筑不少于 4 层,各层检测不少于 5 点.2、检测位置:在检测前由...
优质结构工程申报资料(全套) 工程名称:冯旺 9#楼 申报单位:山东潍坊市日萌萌工程有限公司 申报日期: 2025 年 5 月 22 日目录...
城关镇第三小学 2025 年春季“示范课”活动安排一、 指导思想为了提高教育教学质量,确保本期教学工作顺利圆满完成,根据中心校工作要求...
导读:如何搞出新意、搞出特点,我所多次召开各层面的座谈会,针对该所辖区的特点,制定了“传统宣传 品牌营销相结合”的宣传营销方式,打...

