功率一、教学目的:1.能正确计算常见情况下各力的平均功率和瞬时功率。2.能正确分析机车的起动过程。二、重点难点:1.恒定牵引力起动过...
功率一、教学目的:1.知道功率是表示做功快慢的物理量。2.理解功率的概念,能运用功率的公式 P=W /t 进行有关计算。3.正确理解公式 ...
第七章 机械能守恒定律第 3 节 功率班级 学号 姓名 成绩 【课程学习目标】(1)理解功率的概念,能运用功率的定义式进行有关的计算...
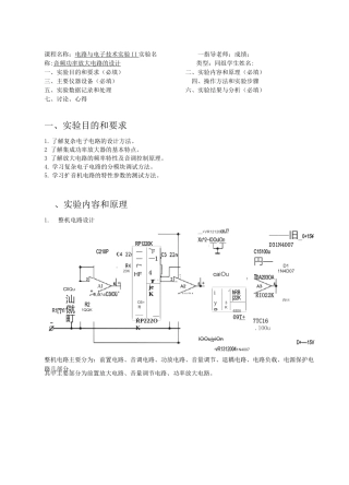
第九章 功率放大电路自 测 题 一、选择合适的答案,填入空内。只需填入 A、B 或 C。 (1)功率放大电路的最大输出功率是在输入电压...
功率【教学目标】知识和技能1.知道功率的物理意义、定义式、单位。2.理解功率的导出式 P=F·v 的物理意义,并掌握其用法,会利用功率的...
功率(一)知识与技能1、理解功率的定义及额定功率与实际功率的定义。2、,的运用(二)过程与方法1、通常指平均功率,为瞬时功率2、,分析...
功 率【教学目标】1、知识目标(1)知道功率是表示做功快慢的物理量,知道功率的定义、定义式及单位;能用功率的公式 P=W/t 进行有关计算...
第 3 节 功率福建永春华侨中学 李昭明【内容与地位】本节为《普通高中物理课程标准》共同必修模块“物理 2”中第一个二级主题“机械能...
高中物理教案《功率》 高中物理教案《功率》 作为一位优秀的人民老师,通常需要准备好一份教案,编写教案有利于我们准确把握教材的重点与...
§5.3 功率(一)例 1:一质量为 m 的小球由静止自由下落,不计空气阻力。求:在时间 t 内的功率和 t秒末的功率?引申:如果小球下...
§5.3 功率(二)例 1.关于功率公式 P=W/t 和 P=Fv 的说法正确的是 ( )A.由 P=W/t 知,只要知道 W 和 t 就可以求出任...
08 江苏省东海高级中学高三物理教学案第五章 机械能 考纲要求1.功、功率 Ⅱ2.动能、做功与动能改变的关系 Ⅱ3.重力势能、重力做功...
06 届高三物理一轮授课提纲十、恒定电流(3)[课 题] 电功、电功率、串并联电路的功率分配[教学目标]1、知道电功、电功率、电热的概念 2...
20⑴、功和功率[高考要求]功(B)功率(A)[ 学习内容]一、功1、一个物体受到力的作用下,并在 上发生了位移,我们就说这个力对物体做了...
功和功率 一.考点整理 功和功率 1. 功:物理学中把力与物体在 的乘积叫做位移.⑴ 做功的两个要素:① 作用在物体上的 ;② 物...
第 3 节 功率学习目标:1、 理解功率的概念。2、 知道功率的定义及定义式tWP ,能够用定义式解答有关问题。3、 知道公式FVP ,...
2014 年春高中物理 7.3《功率》学案 5 新人教版必修 2学习目标课标要求:1.理解功率的概念2.理解平均功率,瞬时功率。会用 P=FV 处...
2014 年春高中物理 7.3《功率》学案 4 新人教版必修 2学习目标1.理解功率的概念,能利用功率的定义式 进行有关计算。2.理解额定功率...
7.3《功率》导学案【学习目标】1.知道功率的定义、定义式、单位. 2.理解平均功率和瞬时功率.3.理解功率的导出式 P=F·v 的物理意义...
三、功率【要点导学】1、功率是表示 的物理量,功率是 量,在国际单位制中功率的单位是 。3、P=W/t 是功率的定义式,它普遍适用,不管...

