氮 气 压 缩 机 组 检 修 方 案设 备 编 号 : A-GB/GT004编 制 :审 核 :审 定 :九 江 石 化 总 厂 建 安 公...
氮气净化方案一、几种工业制氮方法比较 空气中氮气占78。09%,氧气占20。94%,氦气占0。93%.现代工业用氮的制取方法都是以空气为原料,将...
氮气使用安全管理规定1 。目的 ................................................... 1 2. 范围 ....................................
安徽电力建设第二工程公司作业指导书版本号:1.0状态:执行编号:HEC01—CHEC—JW—1湖北能源集团葛电发电有限公司 2×600MW 机组烟气脱...
化学品安全技术说明书修订日期:2014—7-20 SDS 编号:KLSDS02产品名称:氮气 版本:01第一部分 化学品及企业标识化学品中文名称:工业氮化...
氮气防灭火技术 1、仅供参考[整理]平安管理文书氮气防灭火技术日期:__________________单位:__________________第 1 页共 6 页氮气...
氮气泄漏应急预案 第 1 篇:氮气泄漏应急预案氮气泄露应急预案 1、事故汇报 发生事故后,企业负责人要在组织人员进行前期处理的同时还...
1.二氧化碳驱油机理1.1 二氧化碳驱油机理二氧化碳驱的作用机理可分为 CO 混相驱和 CO 非混相驱(表 1-1),当最小22混相压力小于原始...
1. 氮气在弹簧钢生产中的作用氮气在弹簧钢的生产过程中具有非常重要的作用,尤其是在提高弹簧钢的硬度、抗疲劳性能、耐腐蚀性以及稳定性方...
氮气管道安装施工方案氮气管道安装施工方案2010-09-1908:56:49|分类:默认分类阅读 387 评论 0字号:大中小订阅氮气管道安装施工方案1....
淮安博泰化工有限公司 压缩空气、氮气系统 安装确认方案/报告 文件编号: VL-1164 版 本 号: 01 生效日期: 文 件 编 号 VL...
- 技 术 附 件 - * TECHNICAL AGREEMENT * MESSER XIANGTAN STEEL PLANT ATLAS COPCO 离 心 式 氮 气 压 缩 机 ...
氮气置换方案(最新整理) 1 编制依据 1)《氮气置换要求》 2) SY0401,98《输油输气管道线路工程施工及验收规范》 3) SY/T5922-2003《...
小容量注射剂生产用氮气系统验证方案 第 1 页 共 2 7 页 验 证 方 案 验证方案名称 小容量注射剂生产用氮气系统验证方案 验...
* * * * * * * * * * * * * * * * * * * * * * 厂高纯氮气管道安装工程 施工组织设计与施工方案 施工单位:* * ...
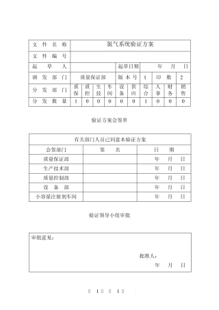
第 1 页 共 1 页 文 件 名 称 氮气系统验证方案 文 件 编 号 起草人 起草日期 年月日 颁 发 部 门 质量保证部 版 ...
氮气管道安装施工方案 2010-09-19 08:56:49| 分类: 默认分类 阅读387 评论0 字号:大中小 订阅 氮气管道安装施工方案 1. 工程...
氮气窒息事故的形成因素和应对措施 标签: 氮气 窒息 事故 措施 分类:应用文 生产过程中,由于缺乏对氮气的足够重视,对氮气知识掌...
1 . 氮气特性和危害程度分析 1 .1 . 氮气的特性 为了安全的使用氮气,就必须了解氮气的特性,充分认识氮气的危害性,在生产过程中就...
氮气弹簧资料

