精品welcome 实验报告实验名称现代企业经营决策仿真系统实验成绩指导教师系(院)班级学号学生姓名——装订线——精品welcome 一、 实验...
水污染控制工程试验报告姓名:年级: 10 环境工程学号:任课教师:安徽农业大学资源与环境学院环境工程教研室制第 1 页实验一自由沉淀...
华 中 科 技 大 学《人工智能与模式识别》实验报告院系: 电子与信息工程系班级:姓名:同 组 人:指导老师:电话:邮箱:日期: ...
实验报告课程名称:微机原理与接口技术指导老师:齐杭丽王晓萍成绩: ____ ___ 实验名称:_____I/O 控制实验 ________实验类型:___设...
最新物流工程实验报告【最新资料, WORD 文档,可编辑修改】实验五配送中心仿真模型1.实验目的了解配送中心的运作过程,通过Flexsim仿真...
实验报告课程名称:物流信息系统专业班级:物流 1302 姓名:薛宏伟学号: 2013004303 2 目 录多级库存(信息共享)管理实验一、实验...
物理化学实验报告武汉大学凝固点降低法测定摩尔质量一、实验目的1.用凝固点降低法测定某未知物的摩尔质量2.学会用步冷曲线对溶液凝固点进...
1 / 2 物体三维尺寸测量实验报告一、实验目的了解和熟悉精密机床(三坐标测量机)的结构、应用及操作步骤;了解精密加工、精密测量环境...
牛顿插值法一、实验目的:学会牛顿插值法,并应用算法于实际问题。二、实验内容:给定函数f ( x) x ,已知:f (2.0) 1.4 1 4 2 1...
大学物理仿真实验:超声波测声速 2009-11-18 第1页 共8 页 大学物理仿真实验报告 时间:2009.11.18 实验人:X X X 班级: X X...
施工技术方案报审表 施工单位:中国水利水电第六工程局有限公司塔日勒嘎水电站工程项目部 合同编号:TRLG2012/C-01 No:2014 第009 号...
国家强制性产品认证安全试验报告
珠海竹银水源工程第一标段竹银水库主坝、副坝及其附属工程 固结灌浆试验报告 1 中国水利水电第八工程局有限公司 固结灌浆试验报告 1 ...
东江水利枢纽工程 高压摆喷围井渗透试验 试 验 报 告 中国安能建设总公司惠州东江项目部 二 O O 六年四月二十日 东江水利枢纽工...
. . 1 / 13 燃烧热实验报告一、实验目的1、明确燃烧热的定义,了解恒压燃烧热与恒容燃烧热的区别。2、掌握量热技术的基本原理,学会测...
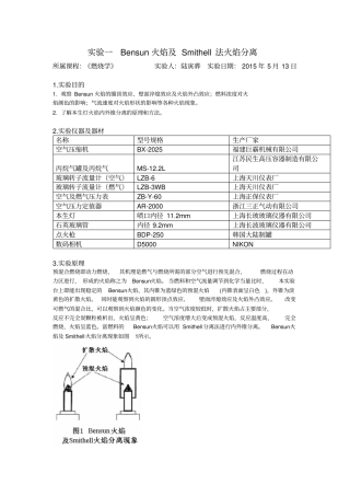
实验一Bensun 火焰及 Smithell 法火焰分离所属课程:《燃烧学》实验人:陆寅骅实验日期: 2015 年 5 月 13 日1.实验目的1. 观察...
. . 有 机 化 学 实 验 报 告实验名称:熔点和沸点及其测定学院:化学工程学院专业:化学工程与工艺班级:姓名学号指导教师:日期...
. . 建筑物理实验报告班级:姓名:学号:实验题目:公共 C209教室的照明实验实验日期: 2016.04.07 14 :55 小组成员:学生成绩:....
1 热管换热器实验之实验报告一、实验题目: 热管换热器实验二、实验目的:熟悉热管换热器实验台的工作原理及使用方法,了解热管换热器的...
2016 年热工学实践实验内容实验 3 二氧化碳气体P-V-T 关系的测定一、实验目的1. 了解 CO2临界状态的观测方法,增强对临界状态概念的...

