[C++]字节对齐与结构体大小 [C++] 2010-09-24 21:40:26 阅读172 评论0 字号:大中小 订阅 说明: 结构体的sizeof值,并不是简...
如今,隨著傳輸資料流程的需要,電子產品的耗電量與日俱增,開關電源的頻率也越來越高,並且對整個電壓模組的速度和尺寸要求也越來越嚴格。...
最小交流输入电压85V输出LED电压22.4V功率开关VDS_MAX600V最大交流输入电压265V输出LED总电流 0.33A最小工作频率45KHz铁芯规格(PC47)铁芯...
BUCK 和BOOST 变换器电感的设计 前言 对于电源工程师来说,设计中小功率Bu ck 或Boost 其基本任务之一是要计算电感。然而,当你翻开...
beam188不能用于计算单轴对称截面梁的弯扭失稳问题
C/N池作用主要降解污水中含碳有机物并对氨氮进行部分硝化可调整项计算值手动关注项内容流量Q(m3/d)进水COD(mg/L)出水COD(mg/L)⊿COD进...
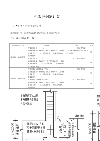
1 框架柱钢筋计算 一、“平法”柱的标注方法 现行柱钢筋“平法”设计的表达方式有列表注写方式、截面注写方式两种。 二、基础插筋的计...
第 1 页 共 23 页 2.4 A/A/O 工艺设计 2.4.1 设计参数 2.4.2 好氧池设计计算 (1)反应器内MLSS 浓度 取MLSS 浓度X=3000mg...
AVR软件延时精确计算指导
AVLFIRE应用于进气歧管的CFD计算
AutoBank7稳定计算使用说明
ATK教程:器件体系的建模与计算
ASME热效率计算序号数 据 名 称符 号单 位工况1工况2工况3工况4工况5工况6工况7一试验煤质特性1应用基碳Carkg/kg 0.57490.58130.585...
1最大工作工作压力P12.992筒体外径D273.13筒体取用壁厚t44.45下偏差百分数m0.1254筒体下偏差c10.125*t5.556255腐蚀余量c216筒体计算壁厚tjt...
ASME厚度计算椭圆封头
AQL计算(含抽样方案设计)
API6A阀门相关计算
API5301996炼厂加热炉炉管壁厚计算
安全阀计算规定 中国石化集团公司上海医药工业设计院 2 0 0 1 年 1 0 月 1 2 日 2 1. 应用范围 1.1 本规定仅适用于化工生...
最小输入电压 Vac_min90.0 Vac最大输入电压 Vac_max265.0Vac输入频率50.0 Hz满载最低开关频率fsw_min70.0 Khz电源系统整机转换效率 ...


