等 截 面 悬 链 线 空 腹 式石砌拱桥 【目录】 中交 第 一 公 路 勘 察 设 计 研 究 院 有 限 公 司 CCCC FIRS...
仁新高速TJ5标首件1#预制梁场预制T梁张拉计算书 钢 绞 线 伸 长 量 计 算 书 仁新高速TJ5标合同段项目经理部 2016年07月 钢绞...
δk(MPa)1395.000Ay(mm2)139.000Eg(N/mm2) 1.95×105K0.0015μ0.17伸长量(㎜)ΔL=P×L/Ay×EgΔL160.0000.00150.170 0.000900.99910195...
河 南 省 先 锋 路 桥 设 备 有 限 公 司 JQ40/160 型 架 桥 机 计 算 书 1 河 南 省 先 锋 路 桥 设 备 ...
内蒙古科技大学 课 程 设 计 说 明 书 题 目:400t/h 再热煤粉炉热力计算 (设计煤种:大同烟煤) 学生姓名:yg028246 学 号:*...
南京工业大学 化工安全设计课程设计 设计题目 40000m ³液氨贮罐区安全设计 姓 名 王涛 学 号 1905080115 班 级 安全0801 专...
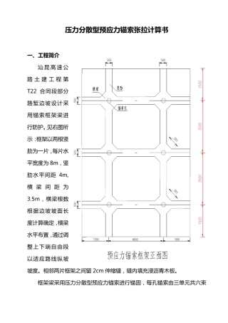
压 力 分 散 型 预 应 力 锚 索 张 拉 计 算 书 一 、工程简介 汕 昆 高 速 公路土建工程第T22 合 同 段 部 分...
重 力 荷 载 代表值计算及框架侧移刚度计算 3 重力荷载代表值计算及框架侧移刚度计算 楼层重力荷载代表值=全部的恒载+50%的楼面活荷...
3种情况土石坝坝顶高程的计算
项 目符 号 数 据单位单位符号水泵流量Q0.01389 立方米/秒m³/s总扬程H15.0米m转速n1450.0转/分 r/min泵的效率 η0.4环境温度 ℃30...
箱 涵 结 构 计 算 书 项目名称_____________日 期_____________ 设 计 者_____________校 对 者_____________ 一、示意图:...
1 回转窑系统热平衡计算 1 热平衡计算基准、范围及原始数据 1 .1 热平衡计算基准 物料基准:一般以1 k g 熟料为基准; 温度基准...
354- 267+290=173- 16+274=432+38- 220=388+152- 18=271+204- 424=190+124- 199=409- 355+23=361- 338+499=291- 137+105...
水处理各构筑物的设计计算及设备选择 一. 中格栅的设计计算 本设计中格栅的设计计算如下[1]: Qmax=0.487m3/s (1)格栅间隙数 vheQn...
3t 起重机设计计算书 1.计算依据: 1.1 依据起重机设计规范GB3811-2008, 依据《电动葫芦门式起重机技术条件》JB/T5663-2008 设计。 ...
35kV变电站保护定值的计算
Sd.max=Sd.min=7.5612.580.4180.563L1=11主变:阻抗电压:245.5 A1466.2 ASda=100MVAUavo=基准电流:Idao=Sda/√3Uavo=1.560452 KAX*x.min...
建筑工程建筑面积计算规范 GB/T50353--2005 - 1 - 建筑工程建筑面积计算规范 GB/T50353--2005 - 2 - 建筑工程建筑面积计算规范 ...
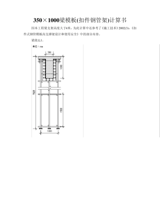
3 5 0 ×1 0 0 0 梁模板(扣件钢管架)计算书 因本工程梁支架高度大于4米,为此计算中还参考了《施工技术》2002(3):《扣件式钢管模...
第四节 通信建设工程量计算规则 一、概述 (1)工程量计算规则是指对分项项目工程量的计算规定。工程量项目的划分、计量单位的取定、有...

