模拟线性调制系统的仿真[实验报告]和[实验指导]
I 目 录 实验一 整流、滤波、稳压电路 ........................................ 1 实验二 单级交流放大器(一) .................
2 0 1 1 年 9 月 目 录 一 理论部分 ........................................................................................
模电综合实验课时授课计划20~20年第学期日月编号1班级签名课题:音频信号放大电路的设计与综合测试教学目的:1、 熟悉电源、振荡电路、电...
实验一 单级放大电路 一、实验目的 1、熟悉 mu ltisim 软件的使用方法 2、掌握放大器的静态工作点的仿真方法,及对放大器性能的影响...
实验一 晶体管共射极单管放大器 一、实验目的 1、 学会放大器静态工作点的调试方法,分析静态工作点对放大器性能的影响。 2、 掌握放...
1 实验一 常用电子仪器的使用 一、实验目的: 1、熟悉交流毫伏表、低频信号发生器,双踪示波器主要技术性能和面板开关、旋钮的名称和作...
模拟电子技术实验课程实验教学大纲
模拟电子技术实验部分 实验一 电子仪器的综合使用练习 一、 实验目的 1) 掌握常见电子仪器及实验设备的功能和使用方法。 2) 会使...
模拟电子技术实验指导书(电类)
电子技术实验编者狄俊贤张耀莹杨雪徐国峰南京工程学院工程实验与训练中心二 0 0 六 年 九 月前言电子技术课程是专业基础课程,具有很...
实验报告要求: 一.写4 个实验报告,每个报告装订成一份,每人4 份,不要将4 个实验报告装订成1份了。 实验一:常用电子仪器的使用。...
模拟电子技术基础实验指导书2006
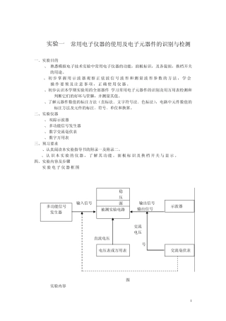
1 实验一 常用电子仪器的使用及电子元器件的识别与检测 一﹑实验目的 1、 熟悉模拟电子技术实验中常用电子仪器的功能,面板标识,及各...
模拟电子仿真实验教程(Multisim)
数学金融券仿真的“模拟股市”实验报告姓名:董文才班级:数学与应用数学132学号:3130801241一、实验目的1.使我们更加深入地了解和掌握投...
1 实验七:模拟法测静电场 示范实验报告 【实验目的】 1. 理解模拟实验法的适用条件。 2. 对于给定的电极,能用模拟法求出其电场分...
模 态 分 析 实 验 报 告 姓 名: 学 号: 任 课 教 师: 实 验 时 间: 指 导 老 师: 实 验 地 点: 武汉理...
实验一、基于感知函数准则线性分类器设计 1 .1 实验类型: 设计型:线性分类器设计(感知函数准则) 1 .2 实验目的: 本实验旨在让...
模式识别实验报告iris

