浅议农村宅基地管理中存在的问题及对策作者:卢大新来源:《决策与信息·下旬刊》2024 年第 08 期 随着农村经济进展,农民生活水平提高...
目 录摘 要..............................................................1绪 论 ..................................................
论文提纲 一、行政事业单位财务管理的现状(一)行政事业单位财务管理相关制度方面的现状 (二)行政事业单位资产管理方面的现状(三)行...
自 学 考 试 本 科 毕 业 论 文浅析民营企业人力资源管理中存在的问题、原因及解决对策-以 XX 公司为例作 者: 学 号: 专 ...
浅析施工企业经营管理中存在的问题及对策作者:于洋来源:《现代企业文化·理论版》2024 年第 01 期 中图分类号:F270 文献标识:A ...
浅析我国目前房地产评估中存在的问题及相应的对策来源:中国商界·下半月 2024 年 1 期 中图分类号:F293。2 文献标识:A 文章编号...
浅析工程物资设备管理中存在的问题及相应对策 【摘要】工程项目部物资、设备管理是各项管理工作的重头戏,如何抓好物资、设备管理具有十分...
浅析企业招聘中存在的问题及对策摘要市场的竞争归根到底是人才的竞争,企业经营战略的各个阶段都必须要有合格的人才作为支持。招聘工作是企...
毕 业 论 文作 者: 学 号: 专 业: 商务管理(本科段 ) 题 目:浅析中小企业人员招聘中存在的问题及对策— 以无锡恒隆房地...
毕业论文题目:浅析中小企业存货管理中存在的问题与对策——以南京尊然健康管理有限公司为例系 部: 运输管理系专业名称: 会 计班 级...
中央广播电视大学人才培育模式改革和开放教育试点会计学专业(本科)毕业论文浅析中小企业成本控制中存在的问题及对策学员姓名 学号 入学...
目 录1。中文摘要………………………………………………………………22.总论 .。.。。.。..。.。。。。..。。。.。....。.。。.。。.……...
汽车 4S 店管理中存在的八大问题解析1. 客户资源管理问题客户资源的管理要解决两个基本问题:一是如何及时准确把握客户的需求,进行准确...
工程量清单招标中存在的问题工程量清单招标是由招标单位提供统一的工程量清单和招标文献,投标单位以此为投标报价的根据并根据现行计价定额...
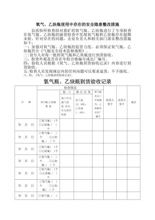
氧气、乙炔瓶使用中存在的安全隐患整改措施县质检所检查组对我矿的氧气瓶、乙炔瓶进行了专项检查在氧气瓶、乙炔瓶的抽查检查中发现氧气瓶和...
民营企业绩效考核中存在的问题及对策讨论摘要:绩效考核是民营企业人力资源管理的一项重要内容。近年来,民营企业不断加强对绩效考核工作的...
某 公 司 物 流 管 理 中 存 在 的 问 题 及 解 决 对 策摘 要 : 随 着 当 前 经 济 的 迅 速 进 展 , ...
国家职业资格全国统一鉴定 企业人力资源管理师论文 (国家职业资格二级) 论文题目:某企业培训管理中 存在的问题及解决对策名: 姓 身...
****大学毕 业 论 文题目:**股份有限公司人力资源管理中存在的问题及对策讨论学 院 经济管理学院 专业班级****届 次 202...
村民自治制度中存在的问题与对策讨论摘要:《村民委员会组织法》修订颁布实施以来,村民自治在党和国家的领导支持下,经过广阔农民数十年的...

