盐酸赖氨酸精制生产工艺规程 某制药有限公司 类别:技术标准 编号: SP-MF-002-501-01 盐酸赖氨酸精制生产工艺规程 版 次: 新...
盐酸小檗碱片产品工艺规程 1 .产品名称及剂型: .....................................................................................
1 第一章 皮带运输机检修规程 一、概述 1、用途 化盐工段皮带机是将盐包内的原料盐通过下料斗输送到化盐桶进行化盐溶解。 2、结构简...
皮带运输机维护检修规程 二○○七 712 目 录 1 总则 ···································...
1 皮带输送机维护检修规程 一、皮带输送机的工作原理 皮 带 输 送 机 是 一 种 利 用 连 续 而 具 有 绕 性 的 输 ...
HNJGJJG01-2007 1 前 言 本规程依据JJG195—2002《皮带秤检定规程》制定的。该规程等效采用国际法制计量组织(OIML)非自动衡器国际建...
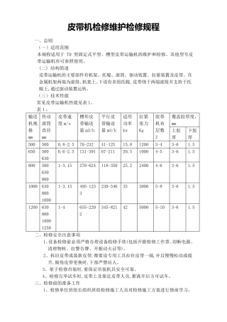
皮 带 机 检 修维护检 修规程 一、总则 (一)适用范围 本规程适用于 TD 型固定式平型、槽型皮带运输机的维护和检修。其他型号皮...
皮带机检修工艺及注意事项 序 号 检修工艺及注意事项 质量要求 3.2.1 3.2.2 3.2.2.1 3.2.2.2 3.2.2.3 皮带机胶带检查。 胶带胶...
皮带机出厂检验规程 一、 目的 达到零配件在组装后,实现整机质量标准、技术要求。 二.范围 全厂生产经营活动,在零配件组装整机过程...
中石化西北油田分公司 ROTAFLEX 皮带式抽油机 操作及维护保养规程 二〇一二年七月 0 目 录 1 总则 ...............................
- 1 - 山东大成农药股份有限公司作业文件 百草枯生产工艺规程 1 产品说明 1.1 产品名称:分子式、结构式、分子量 中文通用名称:...
X X X 医药集团有限公司 题目:留样管理规程 页次:共 15页,第 1 页 编号:SMP-QA-011-00 颁发部门:质保部文件管理室 分发部...
迎接苏迪曼杯——2009年“市长杯” 广州市羽毛球系列大赛男女混合团体和 单项赛竞赛规程 一、主办单位:广州市体育局 二、承办单位:广...
1 电除尘系统运行规程 一、 前言 为保证循环流化床烟气的除尘效果,使烟尘排放各指标达到国家标准,本厂采用四电场高效电除尘器,除尘...
电除尘器运行规程 3 . 电除尘器投运前的检查和试验 1 .1 电除尘器投运前的检查 新安装或大修后的电除尘器,在投运前电除尘器值班员...
电除尘器检修规程 前 言 本标准是根据中华人民共和国国家标准GB/T1.1—1993《标准化工作导则》第一单元第一部分《标准编写的基本规定》...
电阻率剖面法技术规程
木工通用安全操作规程 1 .目的 制定本规程是为了规范机械木工的操作,以免发生人身伤害事故。 2 .适用范围 适用于有机械木工岗位的...
1电解法氯、碱产品成本核算规程为了促进我国氯碱成本核算与国际接轨,统一规范成本核算方法,提高氯碱成本核算质量,便于各企业间对比分析...
山东沃凯有限公司 生产工艺 A/0 - 1 - 生产工艺规程 受控状态: 发 放 号: 编 制:刘贤博 审 核:田金峰 批 准:田永锋 ...

