海岸带调查技术规程(出版稿)
海上风电机组地基基础设计规程
海上石油设施电器安全规程 前言 本标准的全部技术内容为强制性。 本标准按照GB/1.1 一2009 给出的规则起草。 本标准代替GB/T6560-2...
浙江省泵站运行管理规程
1 浙江省标准设计站 现有 规范、规程目录 序号 编 号 标准名称 单价(元) 1 GB/T 50001-2001 房屋建筑制图统一标准 22.00 2...
浙江省小型水库运行管理规程
浙江省大中型水库运行管理规程(浙水管〔2016〕4号)
附件1 浙江省中小学教师专业发展培训 质量管理工作规程(试行) 第 一章 总则 第一条 为加强中小学教师专业发展培训管理,规范培训...
1 备案号: 报建设部备案之中 DB 浙江省工程建设标准 DB 33/ T1140-2017 住宅工程分户质量检验技术规程 Technical specification...
浙江省产品质量监督抽查工作规程(2009版) 1 抽样 1.1 抽样有效性要求 1.1.1 人员要求 抽样时,应至少有两名抽样人员参加,并向受...
浙大中控DCS 系统的检修规程 1 DCS 控制系统的原理及技术性能 1.1 DCS 控制系统的原理:DCS 系统即分布式控制系统,其实质是计算机...
1 测量用电流互感器检定规程 本检定规程适用于额定频率为 50(60)Hz 的新制造、 使用中和修理后的0.001-1 级的测量用电流互感器(以下...
测 量 用 电 压 互 感 器 检 定 规 程 本 检 定 规 程 适 用 于 额 定 频 率 为 50( 60) Hz 的 新 制 造...
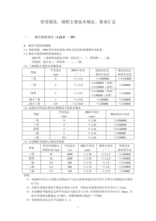
1 常用规范、规程主要技术规定、要求汇总 一、 城市测量规范(CJJ 8——99) 1. 城市平面控制测量 1.1 坐标系统:1980 西安坐标系...
第 1 页 共 3 2 页 CECS P CECS -201 中国工程建设标准化协会标准 整体地坪系统工程技术规程 (Technical specification o...
整体及桥上焊接工艺规程
工作用玻璃液体温度计检定规程 范围:本规程适用于检定范围在-100℃~600℃的棒式和内标式工作用玻璃液体温度计的首次检定、后续检定和使用...
工作服洗涤灭菌规程验证方案 1 概述: 工作服上残留的药液、药粉、油污等在药品生产中会造成污染及交叉污染,其清洗效果直接影响药品质量,...
1 中国石化工业自动化控制系统 工厂验收测试(FAT)通用规程(试行) 本规程适用于DCS、PLC、SIS、CCS、SCADA 等常用工业自动化控制系...
1 / 22 工业管道维护检修规程 1 总则 1.1 主题内容与适用范围 1.1.1 本规程规定了在用碳素钢、合金钢、不锈钢工业管道的检查周期...

