水轮发电机组起动试验规程DL507— 93 1993-03-13 发布1993-08-01 实施中华人民共和国能源部发布1 总则1.0.1本规程适用于单机容量为300...
水箱、排污水、雨水管道灌水试验记录表(样表)工程名称制剂车间分部分项工程名称排水管道施工规范标准施工图号项目检查情况序号管线编号管...
1 / 13 ***---***段水泥稳定砂砾基层试验路段(首件工程)施工总结一、试验路段工程概述:***---***段水泥稳定砂砾基层试验路段,长度20...
一、工程概况:青海省共和至玉树(结古)公路是G214线的重要组成部分,也是《青海省高速公路网规划》 “3410”中的一条南北纵线。为青海省...
欢迎共阅填石路基试验段施工组织方案一、编制依据1、根据合同段工程招、投标文件、施工图纸、合同文件等。2、通过现场调查、采集、咨询所获...
充栋盈车1“四新技术”试验和推广应用管理制度(年修订版)第一章总 则第一条 为使“四新技术”科技成果转化为生产力,推动建筑新技术在...
1 / 10 目录1.工程概况 ..........................................................................................................
精品资料实验四:水的净化(过滤)一、实验目的:将不溶于水的固体杂质与水分离开。(固—液分离)二、实验仪器:铁架台、玻璃棒、漏斗、烧...
排水管道通球试验记录试验时间: 2008 年月日单位工程名称池州教育园区一期工程实训楼 C 总包单位中国海外工程有限责任公司试验项目部...
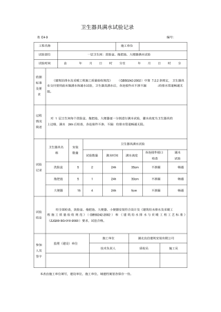
卫生器具满水试验记录表 E4-9 编号:工程名称施工单位试验部位一层卫生间:洗脸盆、拖把池、大便器满水试验试验时间由年月日时分至年月日...
XXXXXX建设项目检验批划分及检验试验方案编制人:审核人:批准人:XXXXXX 公 司XXXX 水 电 项 目 部年月日一、编制说明及编制依据1...
接地电阻测记录报验申请表工程名称:福建富兴工业彩弹枪有限公司年产100 万支彩弹枪、气枪项目厂房及附属工程编号:致:福建省美达工程建...
XX水电站#X 机 A修启动试验大纲编制:审核:批准:XX水电站二○一五年七月十八日2015 年 9 月 #2 机 C 修启动试验大纲-----------...
新建合福铁路(闽赣段)水泥试验记录(一)样品编号记录编号品种等级包装种类出厂编号厂名牌号出厂日期代表数量委托编号委托日期试验计算复...
水泥稳定碎石试验段《施工方案》邯郸市光太公路工程有限公司《水泥稳定碎石试验段施工方案》省道 211 瓦斯沟至姑咱段公路改建工程(合同...
1 / 23 湖南省 XX 高速公路第 XX 合同段试验段总结报告分项工程名称:水稳底基层试验段监 理单 位:施 工单 位:2 / 23 水泥...
目录一、编制依据 --------------------------------------------------1 二、工程概况 ---------------------------------------------...
. 精选文档水泥稳定碎石两层连铺试验段施工方案一、编制说明《公路工程技术标准》(JTGBO1-2003);《公路环境保护设计规范》 (JTJ/T006...
1 / 12 汝阳县黄屯至板棚公路改建工程NO.1 合同段水泥混凝土面层试验段施工总结合 同 段 :N O. 1承 包 商 : 河南乾坤路桥公...
湖北华聚工程质量检测有限公司1 / 8水泥物理性能试验考试试题(A 卷)姓名:岗位:分数:一、判断题(每题1 分,共 10 分)1、在进行...

