让高铁成为中国的外交名片让高铁成为中国的外交名片 全国人大代表、北车集团副总裁余卫平: 两会前夕,2 月 28 日,中国北车长客股份...
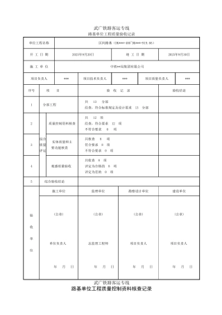
武广铁路客运专线路基单位工程质量验收记录单位工程名称区间路基(DK***+400~DK***+919.66)开 工 日 期2025年9月20日竣 工 日 期202...
中国高铁:带着世界飞【热点直击】2010 年 12 月 3 日,在京沪高铁枣庄至蚌埠间的先导段联调联试和综合试验中,由中国南车集团研制的...
我国高铁“走出国门”的机遇与挑战我国高铁“走出国门”的机遇与挑战 内容摘要:随着中国高速铁路的迅速进展,中国高铁“走出去”在满足自...
对高铁路基工程施工质量控制的探究对高铁路基工程施工质量控制的探究 摘要:高铁的路基是轨道结构的基础,为保证列车高速行驶的平顺性和稳...
学习高铁心得体会竭诚为您提供优质文档/双击可除 学习高铁心得体会 篇一:高铁学习心得 学习总结 2 个月的学习很快就结束了,我有幸参...
基于导梁式架桥机的高铁箱梁架设工艺基于导梁式架桥机的高铁箱梁架设工艺 摘要:导梁式架桥机,涉及在铁路、公路及城市桥梁采纳的运架设备...
标准化管理考核奖罚办法第一章 总 则第一条 为科学有序推动本标段工程建设,全面深化 XXXXXXXXX集团有限公司 XXXX 高铁 LQTJ-1 标...
贵广高铁沉降监测实施方案湖北国铁高科工程检测有限公司2025 年 07 月前言.............................................................
粤桂黔三省区在贵阳召开建设高铁经济带工作座谈会并签署建设贵广、南广高铁经济带合作框架协议 粤桂黔开启共建高铁经济带大幕广西日报 20...
火车站高铁站突发公共卫生事件应急预案为及时有效应对突发公共卫生事件,提高广阔干部职工 应对突发公共卫生事件能力,保障人民群众身体健...
火车站高铁站破坏性地震应急预案1 总则1.1 为确保地震应急工作高效有序进行,最大限度减轻 地震灾害,根据国家及铁路局《破坏性地震应急...
国外高铁进展及对我国高铁建设启示(7页)Good is good, but better carries it.精益求精,善益求善。高速铁路运营管理HIGH SPEED RA...
全市高铁高速及城镇重要通道沿线房屋整治工作实施方案根据《X 市高铁高速及城镇重要通道沿线环境综合整治攻坚会战 方案》(南委办〔X〕93...
京沪高铁广播词(2 页)Good is good, but better carries it.精益求精,善益求善。广播词始发:欢迎您乘坐京沪高铁和谐号动车组,本...
高铁道路工程建设项目可行性讨论报告目 录第一章 总 论11.1 项目概况11.2 项目背景21.3 编制依据41.4 讨论过程41.5 建设的必要性51...
高铁运维智能化应用系统项目一、项目背景近年来,中国高铁网络星罗棋布,进展势头旺盛。为贯彻铁总提倡旳“三个出行”精神,提高高铁设备实...
目 录第一章 总 论一、项目背景(一)项目名称:长兴高速铁路站站前广场工程项目(二)承办单位:长兴城市建设有限公司(三)项目可研报...
目 录第一章 总 论........................................................11.1 项目背景...........................................
高铁施工技术要点及资料铁路工程施工质量验收标准 和工程资料填写应注意的问题第一部分 铁路工程建设标准体系概况第二部分 工程施工质量...

