电脑桌面
添加小米粒文库到电脑桌面
安装后可以在桌面快捷访问

武广高铁路基验收记录

武广高铁路基验收记录_第1页
1/16
武广高铁路基验收记录_第2页
2/16
武广高铁路基验收记录_第3页
3/16
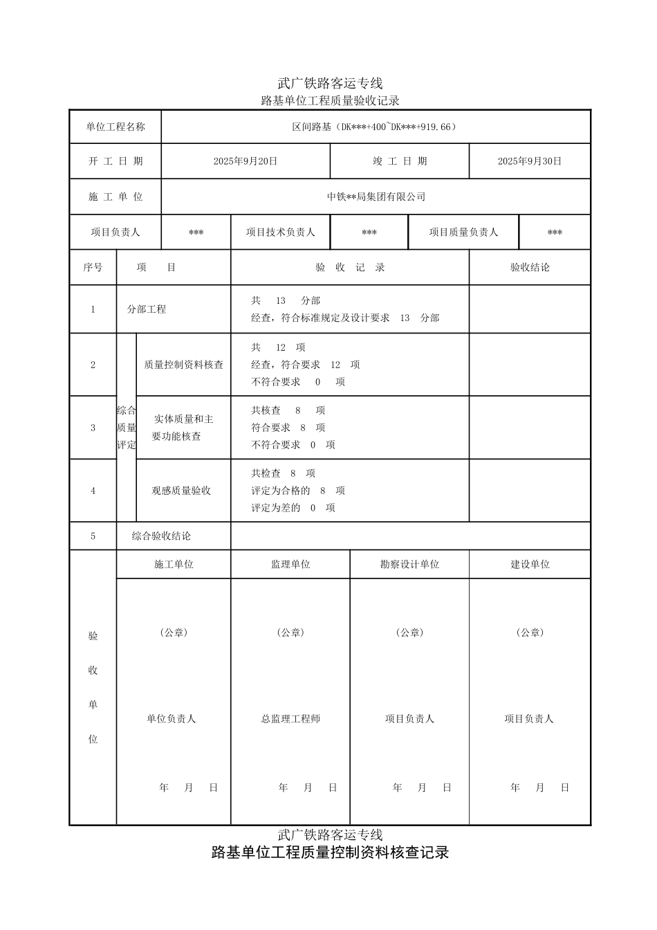
武广铁路客运专线路基单位工程质量验收记录单位工程名称区间路基(DK***+400~DK***+919.66)开 工 日 期2025年9月20日竣 工 日 期2025年9月30日施 工 单 位中铁**局集团有限公司项目负责人***项目技术负责人***项目质量负责人***序号 项 目验 收 记 录 验收结论1 分部工程 共 13 分部 经查,符合标准规定及设计要求 13 分部2综合质量评定质量控制资料核查 共 12 项 经查,符合要求 12 项 不符合要求 0 项3实体质量和主要功能核查 共核查 8 项 符合要求 8 项 不符合要求 0 项4观感质量验收 共检查 8 项 评定为合格的 8 项 评定为差的 0 项5综合验收结论 验收单位施工单位监理单位勘察设计单位建设单位(公章)单位负责人 年 月 日(公章)总监理工程师 年 月 日(公章)项目负责人 年 月 日(公章)项目负责人 年 月 日武广铁路客运专线路基单位工程质量控制资料核查记录单位工程名称区间路基(DK***+400~DK***+919.66)施 工 单 位中铁**局集团有限公司序号资 料 名 称份数核 查 意 见核 查 人1图纸会审、设计变更、洽商记录52原材料出厂合格证及进场检(试)验报告1983成品及半成品出厂合格证或试验报告14工程测量记录15复合地基承载力检测记录76桩基无损检测记录107施工记录7038路基检测、试验报告1489变形观测记录16010无砟轨道铺设条件评估报告111工程质量事故及事故调查处理资料/12施工现场质量管理检查记录113分项、分部工程质量验收记录3414新材料、新工艺施工记录/结论:施工单位项目负责人 总监理工程师 年 月 日 年 月 日武广铁路客运专线路基单位工程实体质量和主要功能核查记录单位工程名称区间路基(DK***+400~DK***+919.66)施 工 单 位中铁**局集团有限公司序号项 目份数核查意见核查人1沉降变形评估12 路基竣工高程、中线、宽度实测13 边坡坡率实测14 排水沟槽实测15 支挡结构混凝土裂缝宽度检查46 支挡结构钢筋的保护层厚度检查47 支挡结构无损检测墙体厚度实测48 支挡结构无损检测墙后回填密实度实测4结论: 施工单位项目负责人 总监理工程师 建设单位项目负责人 年 月 日 年 月 日 年 月 日武广铁路客运专线路基单位工程观感质量检查记录单位工程名称区间路基(DK***+400~DK***+919.66)施 工 单 位中铁**局集团有限公司序 号项 目 名 称质 量 状 况质 量 评 定合 格差1 路基面路肩线条平直、肩棱整齐、路拱线条...

1、当您付费下载文档后,您只拥有了使用权限,并不意味着购买了版权,文档只能用于自身使用,不得用于其他商业用途(如 [转卖]进行直接盈利或[编辑后售卖]进行间接盈利)。
2、本站所有内容均由合作方或网友上传,本站不对文档的完整性、权威性及其观点立场正确性做任何保证或承诺!文档内容仅供研究参考,付费前请自行鉴别。
3、如文档内容存在违规,或者侵犯商业秘密、侵犯著作权等,请点击“违规举报”。

碎片内容

武广高铁路基验收记录

您可能关注的文档

确认删除?
VIP
微信客服
  • 扫码咨询
会员Q群
  • 会员专属群点击这里加入QQ群
客服邮箱
回到顶部