成本管理主管职责 成本管理主管职责 1 1、负责公司项目安装工程预结算、变更、签证、价差的审核和管理; 2、组织内部招标实施,配合外部...
天 津 大 学〔高等教育自学考试〕本科生毕业设计〔论文〕任务书 天津大学 建筑工程 学院 办学点 工程管理 专业 班设计〔论文〕题...
目 录摘要关键字一、引言二、建筑项目成本管理概述(一) 建筑工程项目成本管理的内涵(二) 建筑工程项目成本的构成(三) 建筑工程项...
题目:建筑工程施工阶段的成本管理与控制摘要 建筑工程决策和设计阶段实际耗用成本很少,而施工阶段是成本支出形成实体的重要阶段,也是项...
客房销售本钱第一年﹪第二年﹪第三年﹪客房收入部门费用合计24.3-薪资支出-人事相关费用-洗衣-布巾和器皿损耗-佣金-其他费用餐饮销售本钱:...
精益生产方式下的成本管理新益为 6S 咨询公司概述:随着科学技术的飞速发展,产品品种和数量得到了极大的丰富,消费者多元化需求基本形成...
医院为何要实施以本钱管理为根底的综合运营管理系统北京地坛医院 毛羽 李鸿 随着现代医学模式的转变和卫生体制改革的进一步深化,给医院...
乳制品行业——“新国标〞下构建本钱管理战略客户评价华恒智信参谋团队所提出的完善质量监控体系和构建本钱战略管理的思路,对我们企业所提...
两种本钱管理方法的比拟与思考一、邯钢式目标本钱管理与宝钢式标准本钱管理 〔一〕邯钢式目标本钱管理 邯钢式目标本钱管理的根本内容如下...
871 本钱管理模拟案例(二)用友软件股份财务开发部王善军 2024 年 3 月 本钱管理1.练习目的掌握本钱管理核算到工序产品本钱根本流程...
第9 章 项目成本管理 9 .1 项目成本管理概述 9.1.1 有关成本与成本管理的概念 1 .什么是成本? 在项目中,成本是指项目活动或其...
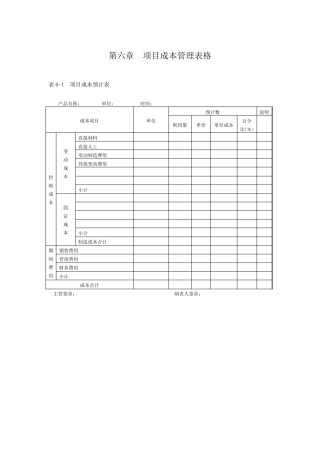
第六章 项目成本管理表格 表6-1 项目成本预计表 产品名称: 单位: 时间: 成本项目 单位 预计数 说明 耗用量 单价 单位成本...
01土地成本01.01土地出让金01.02拆迁补偿及相关费用01.03契税02行政事业性收费与前期工程费用02.01行政事业性收费02.01.01报批报建费02.01....
开始时间12 月 17 日 星期日 17:41状态完毕完毕于12 月 17 日 星期日 17:47耗时6 分钟成绩仍未评分标识题目信息文本一、单项选...
2Z102030施工成本管理与施工成本计划2Z102031 掌握施工成本管理的任务与措施施工成本是指在建设工程项目的施工过程中所发生的所有生产费用...
第 1 次任务一、单项选择题(共 20 道试题,共 20 分.)1. 企业在生产多种工业产品等过程中发生的多种花费,称为( C ). A。 成...
财务成本管理试卷 本试卷使用的现值系数表如下: (1)复利现值系数表 n 5%6%7%8%9%10%11%12%1 0.95240.94340.93460.92590.91740.9091...
XX 企业工程成本管理控制文献(第一版)编制:XX 成本管理部 日期:3 月目 录序言11、成本管理部职业操守准则 …………………………...
成本管理 03 任务一、单项选择题(共 10 道试题,共 20 分。)1. 企业编制成本计划时,应根据其生产的特点和管理的规定进行,在规模...
企业成本管理方案(4 篇)第一篇:我国企业成本管理存有的问题与对策摘要:在当前的市场竞争下,产业趋于完全竞争状态,导致企业的价格处...

