电脑桌面
添加小米粒文库到电脑桌面
安装后可以在桌面快捷访问

数显表头芯片——GC7135BVIP免费

数显表头芯片——GC7135B_第1页
1/14
数显表头芯片——GC7135B_第2页
2/14
数显表头芯片——GC7135B_第3页
3/14
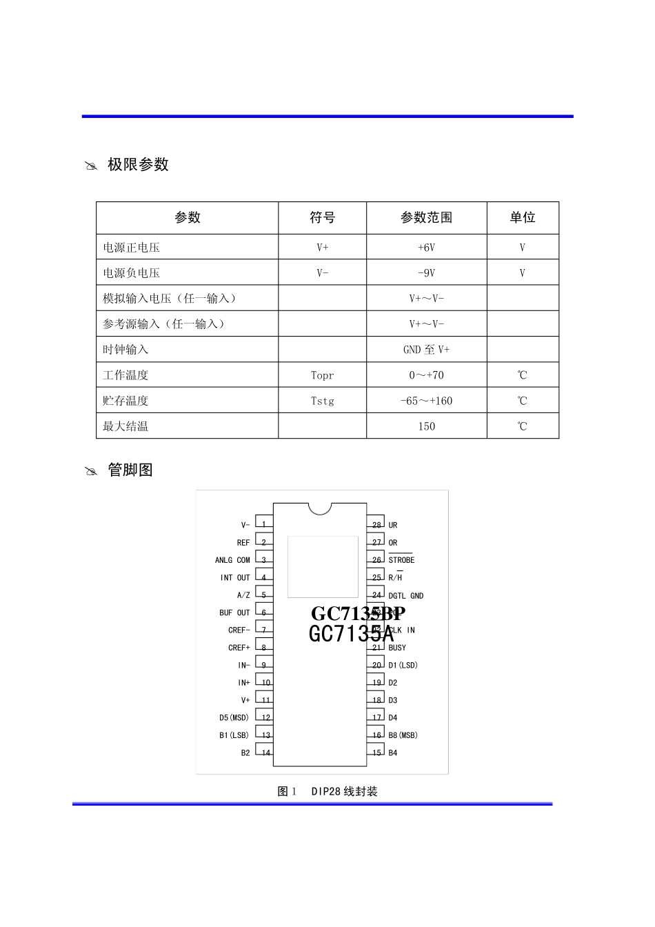
四位半A/D 转换器(带多路BCD 输出) # 概述 GC7135B 是高精度的四位半、双斜率积分单片A/D 转换器,带有数字驱动和多路BCD 输出。数字驱动输出端D1 至D4 以及多路复用的BCD 码输出端B1、B2、B4 和B8,提供了适用于LED(或LCD)译码器/驱动器和微处理器的接口。 GC7135B 具有高输入阻抗、差动输入、差动线性等特点。 它提供50-ppm 的分辨率,最大线性度误差为1 个计数值。内有自动调零电路,零点误差小于10µ V,零点漂移小于0.5µ V/℃。输入偏差电流小于10pA,翻转误差限制至±1 计数值,适用于高精度测量设备。 BUSY、STROBE、RUN/HOLD、OVER RANGE以及UNDER RANGE 控制信号支持基于微处理器的测量系统。控制信号也能支持通过异步接收器发送器(UART)进行数据传送的远程数据采集系统。 # 特点 ◆ 在整个±20000 计算范围内,可保证±1 个字的准确度(相对于2.0000V 量程)。 ◆ 零输入时,保证读数为零。 ◆ 典型的输入漏电流值为1pA。 ◆ 差分输入方式 ◆ 在零计数附近也能精确判断输出信号的极性。 ◆ 可利用超量程溢出信号设置自动量程转换。 ◆ 具有表示超量程状态的闪烁显示功能。 ◆ 所有输出信号与TTL 电平兼容。 ◆ 6 路辅助输入/输出信号,可用来 作UARTs、MCU 和其 他 电路的接口信号。 ◆ 具有多路BCD 输出方式。 ◆ 封 装 形 式有DIP、SDIP、SOP 和SSOP。 # 极限参数 参数 符号 参数范围 单位 电源正电压 V+ +6V V 电源负电压 V- -9V V 模拟输入电压(任一输入) V+~V- 参考源输入(任一输入) V+~V- 时钟输入 GND 至V+ 工作温度 Topr 0~+70 ℃ 贮存温度 Tstg -65~+160 ℃ 最大结温 150 ℃ # 管脚图 图1 DIP28 线封装 12345678910111213141516171819202122232425262728V-REFANLG COMINT OUTA/ZBUF OUTCREF-CREF+IN-IN+V+D5(MSD)B1(LSB)B2B4B8(MSB)D4D3D2D1(LSD)BUSYCLK INPOLDGTL GNDR/HSTROBEORURGC7135AGC7135BP # 管脚说明 ◆ V+、V-:接正负工作电源,参考点为数字地。 ◆ REF:基准电压正极引入端,基准电压参考点为模拟地。 ◆ ANLG COM:模拟地。 ◆ INT OUT:积分器输出端,此管脚接积分电容。 ◆ A/Z:自动调零输入端,此管脚接自动校零电容 CAZ。 ◆ BUFF OUT:输入缓冲器输出端,此管脚接积分电阻 RINT。 ◆ CREF-、CREF+:接基准电容。 ◆ IN-、IN+:被测模拟电压输入端。 ◆ ...

1、当您付费下载文档后,您只拥有了使用权限,并不意味着购买了版权,文档只能用于自身使用,不得用于其他商业用途(如 [转卖]进行直接盈利或[编辑后售卖]进行间接盈利)。
2、本站所有内容均由合作方或网友上传,本站不对文档的完整性、权威性及其观点立场正确性做任何保证或承诺!文档内容仅供研究参考,付费前请自行鉴别。
3、如文档内容存在违规,或者侵犯商业秘密、侵犯著作权等,请点击“违规举报”。

碎片内容

数显表头芯片——GC7135B

确认删除?
VIP
微信客服
  • 扫码咨询
会员Q群
  • 会员专属群点击这里加入QQ群
客服邮箱
回到顶部