电脑桌面
添加小米粒文库到电脑桌面
安装后可以在桌面快捷访问

建筑工程安全资料盒整理完美版架子工班组活动VIP免费

建筑工程安全资料盒整理完美版架子工班组活动_第1页
1/4
建筑工程安全资料盒整理完美版架子工班组活动_第2页
2/4
建筑工程安全资料盒整理完美版架子工班组活动_第3页
3/4
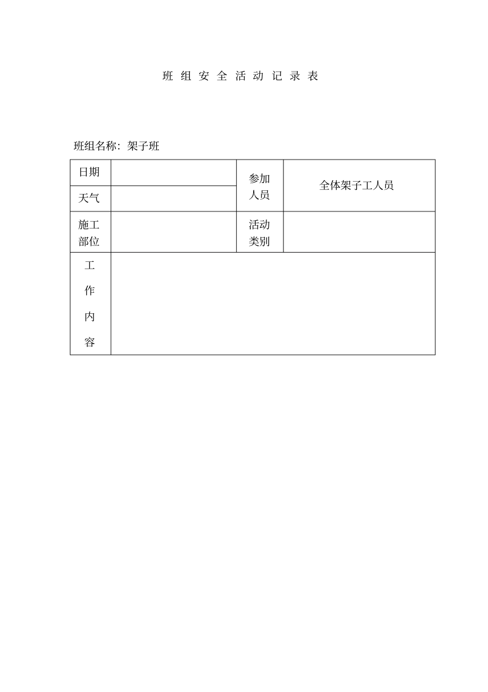
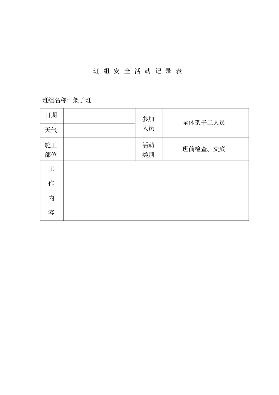
班 组 安 全 活 动 记 录 表班组名称:架子班日期参加人员全体架子工人员天气施工部位活动类别工作内容安全生产活动内容1、进入施工现场必须佩戴安全帽, 正确使用个人劳动保护用品。2、架子工应身体健康并持证上岗, 严格按高空作业规范要求执行。3、操作前应检查各自工具是否牢固,工具有裂缝等缺陷时禁止使用。工具应随手放入工具袋内,上下传递物件禁止抛掷。4、井架搭设至10 米高时,设临时缆风绳一组,待固定缆风绳设置后方可拆除。 设置缆风绳时必须注意施工道路车辆进出。地锚入土深度不少于1.7 米,缆风绳与地锚用花蓝螺丝可靠连接,绳卡每处三个。5、安装好各防护安全门、限位装置等,吊蓝防坠装置必须灵敏可靠。6、井架搭设时应设置警戒区,专人负责监护,操作人员必须思想集中,作业时衣着要灵活,不得穿硬底和带钉易滑的鞋。7、外脚手架和支模架搭设前,应严格进行钢管筛选,凡严重锈蚀、薄壁、弯曲及裂缝的钢管不得使用。严重锈蚀、变形、裂缝和螺栓已损坏的扣件不得使用。所有扣件紧固力矩应适宜。8、搭设脚手架的立杆应等距设置,且不大于1.8 米,拉结点必须按二步三垮要求设置, 剪刀撑必须连续设置到顶, 脚片铺设应到位。9、支模架基础处理符合方案规定,搭设时必须按施工方案要求搭设。10 、作业时要特别注意旁人、输电线路和周边障碍物,避免发生碰撞。11 、根据施工进度应及时做好安全防护措施,临边防护和施工班 组 安 全 活 动 记 录 表班组名称:架子班日期参加人员全体架子工人员天气施工部位活动类别班前检查、交底工作内容安全生产活动内容1、进入施工现场必须佩戴安全帽, 正确使用个人劳动保护用品。2、架子工应身体健康并持证上岗,严格按高空作业规范要求执行。3、操作前应检查各自工具是否牢固,工具有裂缝等缺陷时禁止使用。工具应随手放入工具袋内,上下传递物件禁止抛掷。4、外脚手架和支模架搭设前,应严格进行钢管筛选,凡严重锈蚀、薄壁、弯曲及裂缝的钢管不得使用。严重锈蚀、变形、裂缝和螺栓已损坏的扣件不得使用。所有扣件紧固力矩应适宜。5、搭设脚手架的立杆应等距设置,且不大于1.8 米,拉结点必须按二步三垮要求设置, 剪刀撑必须连续设置到顶, 脚片铺设应到位。6、支模架基础处理符合方案规定,搭设时必须按施工方案要求搭设。7、作业时要特别注意旁人、输电线路和周边障碍物,避免发生碰撞。8、根据施工进度应及时做好安全防护措施,临边防护和施工机具防护棚应及时搭设到位。其它:班组长签字:

1、当您付费下载文档后,您只拥有了使用权限,并不意味着购买了版权,文档只能用于自身使用,不得用于其他商业用途(如 [转卖]进行直接盈利或[编辑后售卖]进行间接盈利)。
2、本站所有内容均由合作方或网友上传,本站不对文档的完整性、权威性及其观点立场正确性做任何保证或承诺!文档内容仅供研究参考,付费前请自行鉴别。
3、如文档内容存在违规,或者侵犯商业秘密、侵犯著作权等,请点击“违规举报”。

碎片内容

建筑工程安全资料盒整理完美版架子工班组活动

确认删除?
VIP
微信客服
  • 扫码咨询
会员Q群
  • 会员专属群点击这里加入QQ群
客服邮箱
回到顶部