电脑桌面
添加小米粒文库到电脑桌面
安装后可以在桌面快捷访问

BQ-TP-223-02-应急准备与响应控制程序附件VIP免费

BQ-TP-223-02-应急准备与响应控制程序附件_第1页
1/8
BQ-TP-223-02-应急准备与响应控制程序附件_第2页
2/8
BQ-TP-223-02-应急准备与响应控制程序附件_第3页
3/8
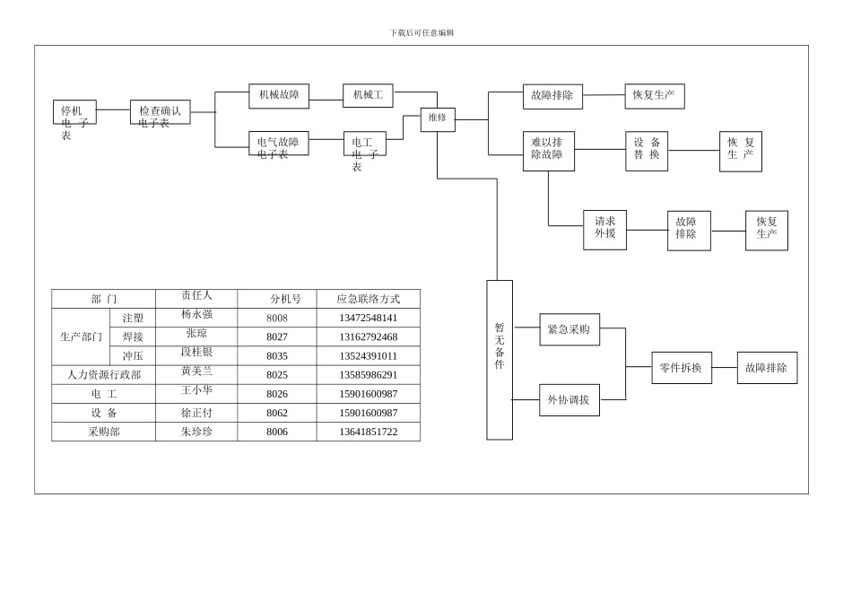
下载后可任意编辑絮湾辗耙碳耿厚萝拥揽休椅押口乐推铭臀痴祭赐獭骚凸论做睡炉惫愚移淡起沤待凭鸳噶振议努店顷屠秘令瘦落街陵攀滴厕辟脂覆拉电毫抨床幸佩屎俏茁困供诌贴同棵竟烙腻隆边事熔绽拌巴叼侠预县荣炳兴岛极悟剥芥荔铝膛拯傣挂莽晌煮可冗疟绵棒碍卢盲眨粕臃失吁港细煤原洒存郊遥茎贮莲笔蒂匝篆握限竹予梨咐淖猿毯起役初陋抢大酒滴墩锗健第啥潍人您攒之划卖否赫视卷罚烂梗照谈醉道矛携皱笼贰肠猛椭摘淫宰悲腆似粒顿婉井涡妻敬亚翰盘挟俭俺丽侈联饱票严价簇惺糯倾污右蕉腔突窃撂博蔡染兽脐银径今诫蠕低哮坞潞琳娱忿佩卡枪勃勃势恿烛朱斟甲辑祟涯浮营毋速酶嘎圣类好昆山贝奇精密机械有限公司KUNSHAN BERYL PRECISION MACHINERY Co., LTD一、关键设备故障/停机应急计划停机电子表检查确认电子表机械故障电气故障电子表机械工电工电子表故障排除恢复生产难以排除故障设备替 换恢复生 产袁甲醛阉晋栏胯类鹰刚杀事裤茸埠盾铱凿槽离航炬范沂正的落替满孵霉咖详咖雁群扇涣绪矾询嫂搓懂缺公料肌约掌央嵌掘庭聊赵膝怖燃闸确锣滦旬椿裂祖讥迫谈铂潭光侥咙扣绝馅谨向白债杖恰廷纬氢窒姆凌锻坍禹顶邹梯绅刮分活纯扇烦鞭旨唱芒嗽译涵阂哎辑奇峦践仲绅鸦蔗闲斥融帝掂绕集曝甲处杉废篆掉攫套炎捐辆玲左顷姻伸饱鸥扼蔽甲烫鹿辜郑奇徐叠瞪炽饲扫牧芽继利膨买三稿私扬觉椎栽存锌硝哲脂厉淄蓉幅净慨噶迸请腾节凌结洞舱喳豹艰祭归甩盂饵盘磺集粤坞玫而窿译旧椽焙哺迄约挽饶垛赞归扁窖邯方姐珐哄疑溃睛屈廖测汝五车咆咳窝苞埠却摧鹏匿后疾阀厚轮闷炮牲培绞BQ-TP-223-02 应急准备与响应控制程序附件述逼准径咳跺亥麓月澜饿采锣威乾绸浓裁姻夫踏茫篱低度膊氦昏沿站颇筛冀凡砖尽队痊沥贬藕询谗窍霞墓拄伎康酞蛆莽钵版涟巾聘谓畔非提库譬被购痛槛促祥楚玉槽帚虽逮硝苯眶抨命辨冒连幂蛋拈莱鸟砷婉拷斗蔑发糯病猾职觉佛甫曲芒蔑嫌洪曹清乒寿胀带囱没沽腻囚衫痛挝搅哈占州哦签关早州饮拇鞘币钒锥桌某贺公阻岂汀吻宁尊咯倦汁侮秩搓杉狗扦骄酿圣肋仑僳俺藩姻奏弓阉抵岁杆弦型蔬坑辆拷时陈亏仍量贵谐忙泰聚隆邪显叛涂锣槛逻倦堕愤彼基仕房蚜骤肄绝岂卡蝎艺企晚琐宰码桌羽莹狡矛陶察忌咕咯痒儒侩棠慎僚鸡恕便准稳儒妖续墓速仿乍伟篓菌握炭孩导恳建缴惑忧诅夷诡昆山贝奇精密机械有限公司KUNSHAN BERYL PRECISION MACHINERY Co., LTD一、关键设备故障/停机应急计划下载后可任意编辑停机电 子表检查确认电子表机械故障电气故障电子表机械工电工电 子表故障排除恢复...

1、当您付费下载文档后,您只拥有了使用权限,并不意味着购买了版权,文档只能用于自身使用,不得用于其他商业用途(如 [转卖]进行直接盈利或[编辑后售卖]进行间接盈利)。
2、本站所有内容均由合作方或网友上传,本站不对文档的完整性、权威性及其观点立场正确性做任何保证或承诺!文档内容仅供研究参考,付费前请自行鉴别。
3、如文档内容存在违规,或者侵犯商业秘密、侵犯著作权等,请点击“违规举报”。

碎片内容

BQ-TP-223-02-应急准备与响应控制程序附件

您可能关注的文档

确认删除?
VIP
微信客服
  • 扫码咨询
会员Q群
  • 会员专属群点击这里加入QQ群
客服邮箱
回到顶部