电脑桌面
添加小米粒文库到电脑桌面
安装后可以在桌面快捷访问

PQS782A型电能质量在线监测装置VIP免费

PQS782A型电能质量在线监测装置_第1页
1/7
PQS782A型电能质量在线监测装置_第2页
2/7
PQS782A型电能质量在线监测装置_第3页
3/7
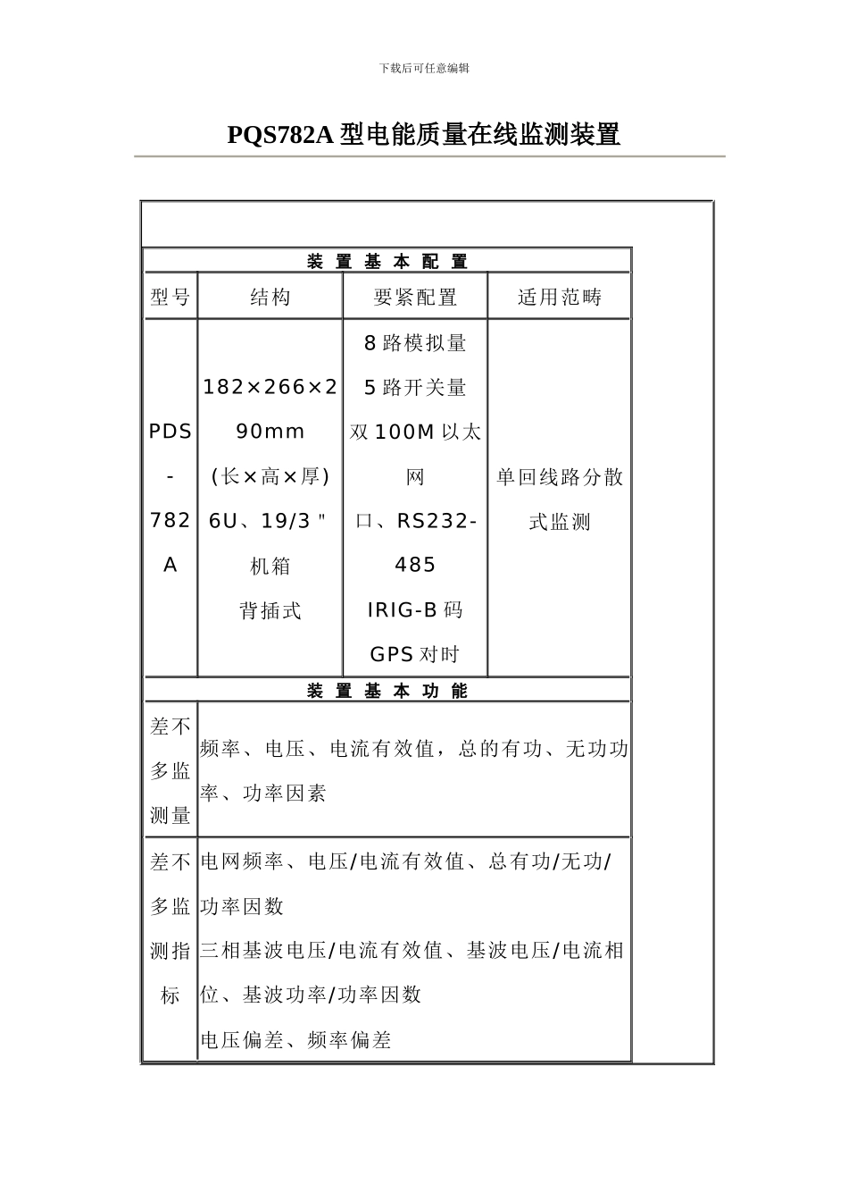
下载后可任意编辑PQS782A 型电能质量在线监测装置 装 置 基 本 配 置型号结构要紧配置适用范畴PDS-782A182×266×290mm(长×高×厚)6U、19/3"机箱背插式8 路模拟量5 路开关量双 100M 以太网口、RS232-485IRIG-B 码GPS 对时单回线路分散式监测装 置 基 本 功 能差不多监测量频率、电压、电流有效值,总的有功、无功功率、功率因素差不多监测指标电网频率、电压/电流有效值、总有功/无功/功率因数三相基波电压/电流有效值、基波电压/电流相位、基波功率/功率因数电压偏差、频率偏差下载后可任意编辑三相电压不平稳度、三相电流不平稳度、负序量谐波〔2-50 次〕包括电压、电流的总谐波畸变率、各次谐波含有率、幅值、相位、有功、无功等高级监测指标间谐波电压波动、闪变、骤升、骤降、短时中断临时过电压、瞬时过电压其他功能参数设置功能记录储备功能在线统计功能事件触发录波功能GPS 对时功能〔B 码〕主 要 技 术 指 标电压输入通道测量范畴 0~1.2Un,2Un 连续工作;RMS真有效值;功耗≤0.5VA/路电流输入通道测量范畴 0~2In〔In:A/1A 可选〕;RMS 真有效值;功耗≤0.5VA/路开关量输24VDC/110VDC/220VDC 可选下载后可任意编辑入通道开关量输出通道开关量输出〔无源节点〕;0~220VDC,500mA。差不多指标精度电压、电流基波 0.2%,谐波达到国标 A 级精度;功率、功率因数 0.5%;电压偏差0.2%;三相电压不平稳 0.2%;三相电流不平稳 0.5%;闪变和电压波动 5%;频率测量误差 0.005HZ 输入阻抗20M 欧姆稳态采样锁相环(PLL)技术 电压事件捕捉采纳 IEC 标准算法和特有的软件算法供电电源176-264V 沟通(45-65Hz),110V/220V直流选配;功耗≤15W下载后可任意编辑通讯接口RS-232C/485 串口;双 100M 以太网;GPS 硬对时接口;同步脉冲接口工作环境条件工作温度:-10℃~+55℃;相对湿度:5%~95%;海拔:≤4000 米;防护等级:IP50电磁兼容性能通过严酷等级为Ⅳ级的快速瞬变脉冲群抗扰度试验绝缘强度承担 2KV、频率为 50Hz,历时 1min 的绝缘强度试验,无击穿闪络现象执行标准GB/T 19862-2024 电能质量监测设备通用要求GB/T 14549-1993 电能质量 公用电网谐波GB/T 12325-2024 电能质量 供电电压承诺偏差GB 12326-2024 电能质量 电压波动和闪变GB/T 15543-2024 电能质量 三相电压承诺不平稳度GB/T 15945-2024 电能质量 电力系统频率承诺偏差GB/T 18481-2001 电能质量 临时...

1、当您付费下载文档后,您只拥有了使用权限,并不意味着购买了版权,文档只能用于自身使用,不得用于其他商业用途(如 [转卖]进行直接盈利或[编辑后售卖]进行间接盈利)。
2、本站所有内容均由合作方或网友上传,本站不对文档的完整性、权威性及其观点立场正确性做任何保证或承诺!文档内容仅供研究参考,付费前请自行鉴别。
3、如文档内容存在违规,或者侵犯商业秘密、侵犯著作权等,请点击“违规举报”。

碎片内容

PQS782A型电能质量在线监测装置

确认删除?
VIP
微信客服
  • 扫码咨询
会员Q群
  • 会员专属群点击这里加入QQ群
客服邮箱
回到顶部