电脑桌面
添加小米粒文库到电脑桌面
安装后可以在桌面快捷访问

QAP-04-02文件控制程序VIP专享VIP免费

QAP-04-02文件控制程序_第1页
1/7
QAP-04-02文件控制程序_第2页
2/7
QAP-04-02文件控制程序_第3页
3/7
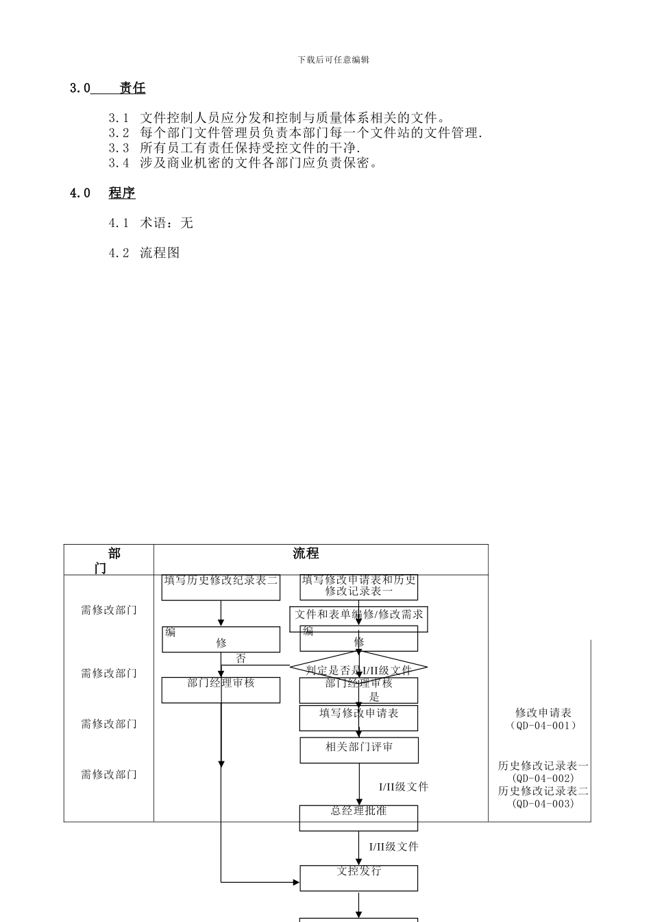
下载后可任意编辑修改历史记录一变更日期版本变更申请号变更说明1.0目的本程序的目的是保证在质量体系运作中,文件正确受控。2.0 范围适用于本公司质量体系文件控制,包括外来文件及图纸。 下载后可任意编辑3.0 责任 3.1 文件控制人员应分发和控制与质量体系相关的文件。3.2 每个部门文件管理员负责本部门每一个文件站的文件管理.3.3 所有员工有责任保持受控文件的干净.3.4 涉及商业机密的文件各部门应负责保密。4.0程序4.1 术语:无4.2 流程图 部 门流程表 单需修改部门需修改部门需修改部门需修改部门修改申请表(QD-04-001)历史修改记录表一(QD-04-002)历史修改记录表二(QD-04-003)是文件和表单编修/修改需求否判定是否是I/II级文件 填写修改申请表I/II级文件I/II级文件填写修改申请表和历史修改记录表一编 修部门经理审核总经理批准文控发行填写历史修改纪录表二编 修部门经理审核相关部门评审作废下载后可任意编辑需修改部门相关部门总经理文控人员修改申请表(QD-04-001)修改申请表(QD-04-001)修改申请表(QD-04-001)4.3 文件批准和发布4.3.1本公司的所有质量文件架构分为四层4.3.2质量手册和所有的程序文件都应由各部门的编写人通过填写修改申请表(QD-04-001),由各个部门经理审核并且由总经理批准后,发布。4.3.3 所有部门文件都应由相关人员审核,并由相关部门经理批准发布。4.3.4 一旦批准, 文件应该被送交文件控制人员发行。4.3.5 质量手册及程序文件的最新版本以软盘保存作为备份, 由文控人员按文件控制程序管理。 质量手册程序文件作业指导书表单/ 图纸/ 法律规范I级文件II级文件III级文件IV级文件下载后可任意编辑4.4 文件修改和变更程序4.4.1为防止对文件任何未经授权的修改,质量手册和程序文件的修改必须由相关部门的编写人通过填写修改申请表 (QD-04-001) , 正式提出申请,再按程序编制、审核、批准后实施更改,并填写历史记录表一(QD-04-002)。如变更程序文件引用的表单,则只需相关部门经理批准, 将不会影响程序文件的升版。其他所有文件和表单的修改只需由相关部门的编写人通过填写修改历史记录二(QD-04-003), 然后根据程序编制、审核、批准后实施更改。4.4.2 文件修订时必须用“#”标示修改的条款。4.4.3 批准后,修订的文件和变更申请表都应送交文件控制人员以便作相应的更新。如: 版次升版, 更新原件4.4.4公司的文件版本从01开始。文件升版后,版本递增一个版 次,以02,03…的形式升...

1、当您付费下载文档后,您只拥有了使用权限,并不意味着购买了版权,文档只能用于自身使用,不得用于其他商业用途(如 [转卖]进行直接盈利或[编辑后售卖]进行间接盈利)。
2、本站所有内容均由合作方或网友上传,本站不对文档的完整性、权威性及其观点立场正确性做任何保证或承诺!文档内容仅供研究参考,付费前请自行鉴别。
3、如文档内容存在违规,或者侵犯商业秘密、侵犯著作权等,请点击“违规举报”。

碎片内容

QAP-04-02文件控制程序

确认删除?
VIP
微信客服
  • 扫码咨询
会员Q群
  • 会员专属群点击这里加入QQ群
客服邮箱
回到顶部