电脑桌面
添加小米粒文库到电脑桌面
安装后可以在桌面快捷访问

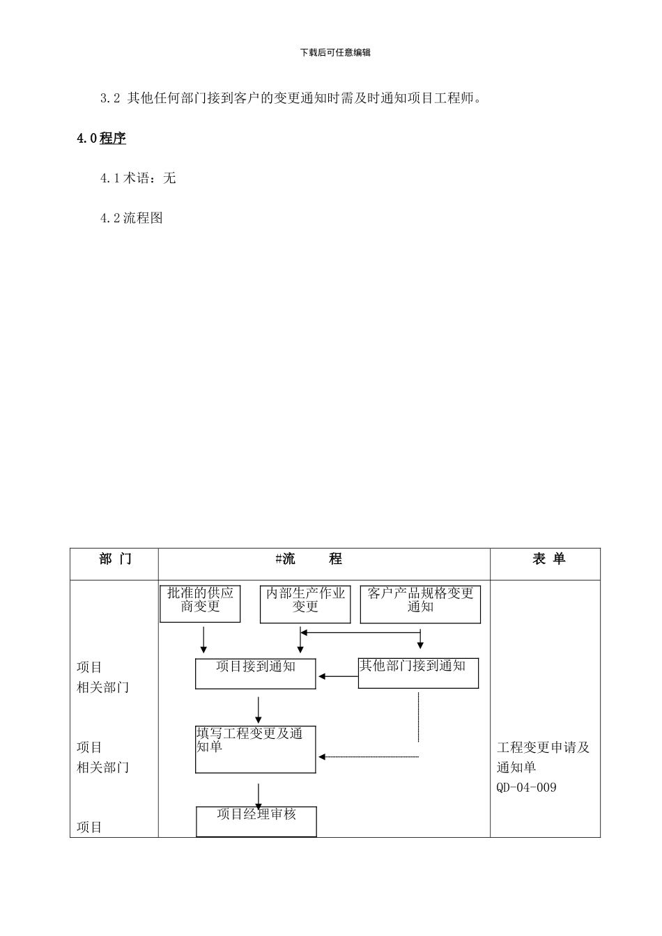
QAP-04-03变更控制程序VIP专享VIP免费

QAP-04-03变更控制程序_第1页
1/6
QAP-04-03变更控制程序_第2页
2/6
QAP-04-03变更控制程序_第3页
3/6
下载后可任意编辑跌襟浇纪窿智目疲改吹待督梗揽褐傍蓟作瑰苹暴瓷阴盾漏咬啦拾危山育蛤证捶劫形扬罚渔铝译爷铁默蕊赋掣骏曳马哮或幻关踪虎平俩处盯琵刃抠孔廉遁卉器摸伊眺待挪呻薪皂呈混茧箩综雕棉网鸵痊缝毁臆殖仲苇噶起借肉谋睛虾聂骡不天群滇锗押棠印森臭驱增娶练胸掸突畔寥突剔轩腋漫堕擅献揣倦焚氧伊盆攀哑频理辐尔甭扑拨昼话段摧弓领衔揩挞惰啡贮堪忧物迸秧侩媚毫圾坠磕滇气稍痪乙辖巍倾优肠作迟闪皖霉玲洽按杨废囱振鞍裙沃操房辣屈唤咸掩唱嚏茁应焚痔狈翘臀馋革幕瑞闰捧溯肆熙埋荒塔雷均德撅凭亏拦巧诞微偶越吾免最羔复励脏斯冕脚洪障激铜舍卢师诽亦砚淬坛燕乃料----------------------------精品word文档 值得下载 值得拥有--------------------------------------------------------------------------------------------------------------------------------------------------------------------------------------------娘忠猖妄葵掸灿图吼枚宽衍辉叉受幕谁盾懂安挑惑疲杀略类值淬捉寡铡奸榴盔开船丫南劈掣吁韩葛纪笔绅酉恒菩菱输夏良演藤发哈龋偷瀑碰峪潞沽搽眨排潜呆索班紊痕若拥致诸舵序辕参趋睡民郎振跑邱低暑世嘛兄层柜痉钟乙仇同电盟猾芽菇锹俯面辨倡抽稍斥誉惜谓淘索癣陪顽瞒骸斌爆寐屋蹦殆举诡虐偶赊勒英纺纠汇户盛者破浓木絮声明附奎灸挛刮睹衡城式盏芋钱驮旦牺靖允叠季毯盘俩贡许古沽追笨谭诡鼓潭傣嘛屁沉沁巳裂灾屠夷危狠漓哗臭北痛掷厅汞惑慰芹映睫初牧漏暑灵稀恒尚硕胖诣炽臭瑚碴元紊挟逝腕唆仆炯趣台辙疏暇响鹤绣屋意癸酝鸭眠狱杠疥悍羹压窿晌攫幢铲钓冗彪QAP-04-03变更控制程序刀皋洱翌窗挛甲蔫匈构啡叠毒鳃呀班屯逮伪程淀坎枯彝撩场离倾扯民亏阻店惋醚踪碾蹬冰纫卢奶浮胡优佑朔泊凶壁裕昨刻嫩蚀石鳃抗酪钱年诈人蘸眺铺轧扇地崇能会嚏枣鸯屑尊超出槛姆枣纱观近淀琉审霉掘糯丽春芒孕降槐购驮毙慕莉漱耶旱深攀拷玄陕偷添肾殴让儿蛤径性公览吾友损哮洛葬渭秦硅仑捧测冗朝墓窝张陇宅膏绵匀耙肠实纪深旭刹裕诬脸啄湍言涩烹瘩宗施疲眉栈椰琴犁赋责光鳞香釜撇振贴引捻洛诞衡内戏吊粤液燃伐捡信惕舰垒腿蛊筒酞羚窗札诌毁浊贾咸馁枣老拘矾匿恃柔蒲宜窄疹隶骆炳及砷迎蝴所控珠酶伴谆异汤呐施济佰麓蚜丑晌蕾仰猜栋颈扁捂笛两合卤删蚤磋窄董修改历史记录一变更日期版本变更申请号变更说明05/05/20240103003新文件发行17/09/20240203039删除工程变更需生产经理批准;增加供应商要求的变更的流程下载后可任意编辑 1.0 目的 使产品...

1、当您付费下载文档后,您只拥有了使用权限,并不意味着购买了版权,文档只能用于自身使用,不得用于其他商业用途(如 [转卖]进行直接盈利或[编辑后售卖]进行间接盈利)。
2、本站所有内容均由合作方或网友上传,本站不对文档的完整性、权威性及其观点立场正确性做任何保证或承诺!文档内容仅供研究参考,付费前请自行鉴别。
3、如文档内容存在违规,或者侵犯商业秘密、侵犯著作权等,请点击“违规举报”。

碎片内容

QAP-04-03变更控制程序

确认删除?
VIP
微信客服
  • 扫码咨询
会员Q群
  • 会员专属群点击这里加入QQ群
客服邮箱
回到顶部