电脑桌面
添加小米粒文库到电脑桌面
安装后可以在桌面快捷访问

液压期末考试模拟样卷A及答案VIP免费

液压期末考试模拟样卷A及答案_第1页
1/6
液压期末考试模拟样卷A及答案_第2页
2/6
液压期末考试模拟样卷A及答案_第3页
3/6
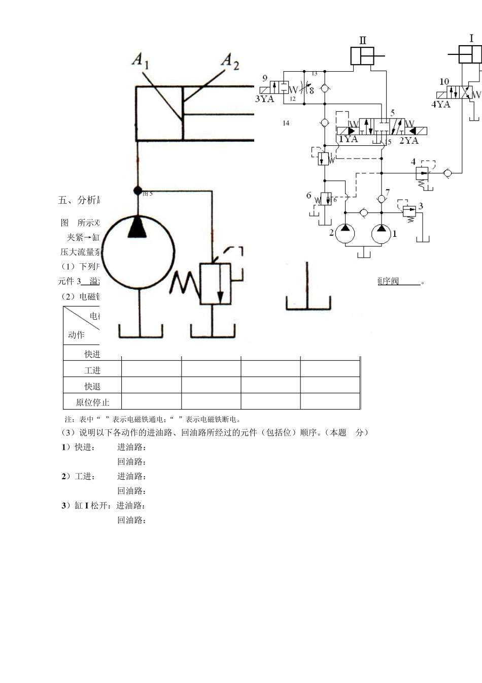
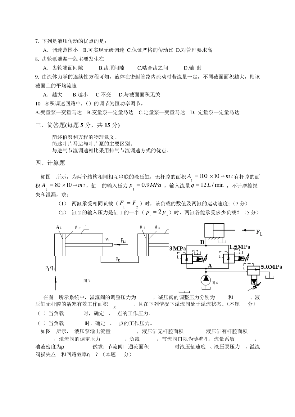
考试时间 120 分钟 班级 学号 姓名 题 号 一 二 三 四 五 六 七 八 九 十 成绩 满 分 15 20 15 34 16 100 得 分 评卷人 注:将试题全部答案写在答题纸上,写在试卷上无效。 一、填空题(每空 1 分,共 15 分) 1. 液压与气压传动系统的基本组成为 、 、 、 、 。 2. 执行元件的主要参数是指 、 。 3. 溢流阀调定的是 压力,而减压阀调定的是 压力。 4. 油雾器一般安装在分水滤气器和 之后,尽量靠近 。 5. 插装阀是以 为主阀,配以适当盖板和不同的先导控制阀组合而成的具有一定控制功能的组件。 6. 电液比例阀主要有比例 阀、比例 阀和比例 阀。 二、选择题(每题2 分,共 20 分) 1. 液压系统的故障大多数是由()引起的。 A. 油液的粘度不适合 B.油温过高 C .油液污染 D.系统漏油 2. 如图 1 所示,在减压回路中,减压阀调定压力为 p j ,溢流阀调定压力为 p y ,主油路暂不工作,二次回路的负载压力为 p L。若 p y>p L>p j,不计各种压力损失,减压阀进口压力 p 1、出口压力 p 2 关系为( )。 A. 进口压力 p 1=p y , 出口压力 p 2=p j B. 进口压力 p 1=p y , 出口压力 p 2=p L C. p 1=p 2=p j ,减压阀的进口压力、出口压力、调定压力基本相等 D. p 1=p 2=p L ,减压阀的进口压力、出口压力与负载压力基本相等 3. 有两个调整压力分别为 5MPa 和 10MPa 的溢流阀串联在液压泵的出口,泵的出口压力为( ); A. 5Mp a B.10MPa C.15MPa 4.用同样定量泵,节流阀,溢流阀和液压缸组成下列几种节流调速回路,( )的速度刚性最差,而回路效率最高。 A. 进油节流调速回 B. 回油节流调速回路 C. 旁路节流调速回路 5. 为了使齿轮泵的齿轮平稳地啮合运转、吸油腔严格地密封以及均匀连续地供油,必须使齿轮啮合的重叠系数()1。 A.大于 B.等于 C.小于 D.不一定 6.图 2 所示图形符号表示双向 A.定量液压泵 B.变量液压泵 C. 定量液压马达 D.变量液压马达 图 1 图 2 7. 下列是液压传动的优点的是: A.调速范围小 B.可实现无级调速 C.保证严格的传动比 D.对管理要求高 8. 齿轮泵泄漏一般主要发生在 A.齿轮端面间隙 B.齿顶间隙 C.啮合齿之间 D.轴 封 9. 由流体力学的连续性方程可知,液体在密封管路内流动时若流量一定,不同截面面积越大,则该截面上的...

1、当您付费下载文档后,您只拥有了使用权限,并不意味着购买了版权,文档只能用于自身使用,不得用于其他商业用途(如 [转卖]进行直接盈利或[编辑后售卖]进行间接盈利)。
2、本站所有内容均由合作方或网友上传,本站不对文档的完整性、权威性及其观点立场正确性做任何保证或承诺!文档内容仅供研究参考,付费前请自行鉴别。
3、如文档内容存在违规,或者侵犯商业秘密、侵犯著作权等,请点击“违规举报”。

碎片内容

液压期末考试模拟样卷A及答案

您可能关注的文档

确认删除?
VIP
微信客服
  • 扫码咨询
会员Q群
  • 会员专属群点击这里加入QQ群
客服邮箱
回到顶部