电脑桌面
添加小米粒文库到电脑桌面
安装后可以在桌面快捷访问

混凝土受扭梁斜拉破坏实验报告VIP免费

混凝土受扭梁斜拉破坏实验报告_第1页
1/14
混凝土受扭梁斜拉破坏实验报告_第2页
2/14
混凝土受扭梁斜拉破坏实验报告_第3页
3/14
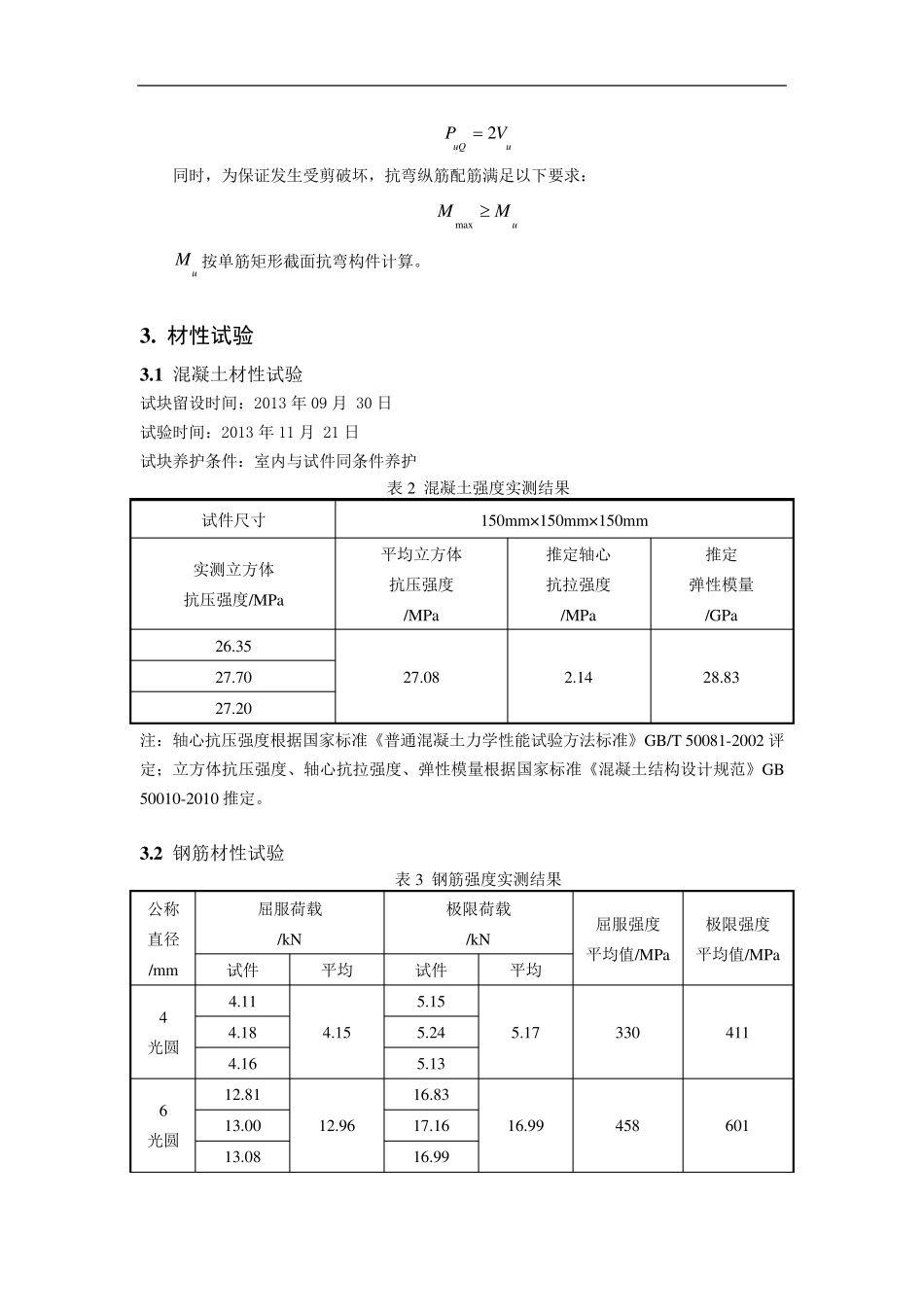
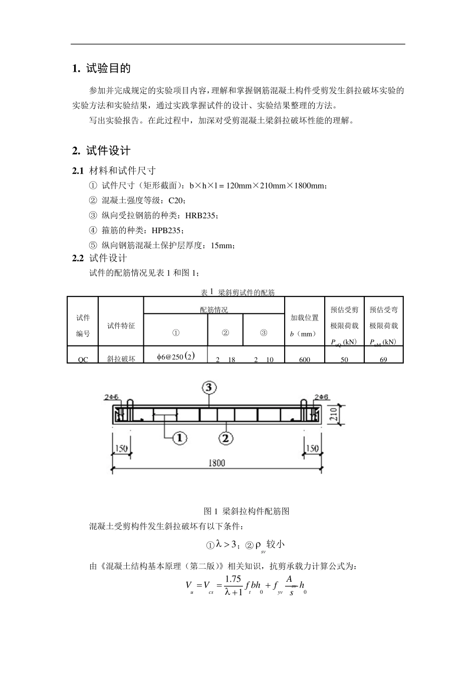
1 ┊ ┊ ┊ ┊ ┊ ┊ ┊ ┊ ┊ ┊ ┊ ┊ ┊ 装 ┊ ┊ ┊ ┊ ┊ 订 ┊ ┊ ┊ ┊ ┊ 线 ┊ ┊ ┊ ┊ ┊ ┊ ┊ ┊ ┊ ┊ ┊ ┊ ┊ 《混凝土结构基本原理》试验课程作业 混凝土受扭构件斜拉破坏实验报告试验报告 试 验 名 称 混 凝土斜拉梁破坏试验 试验课教师 姓名 学号 手机号 任 课 教 师 日期 L ENGINEERING 1 . 试验目的 参加并完成规定的实验项目内容,理解和掌握钢筋混凝土构件受剪发生斜拉破坏实验的实验方法和实验结果,通过实践掌握试件的设计、实验结果整理的方法。 写出实验报告。在此过程中,加深对受剪混凝土梁斜拉破坏性能的理解。 2 . 试件设计 2 .1 材料和试件尺寸 ① 试件尺寸(矩形截面):b×h×l = 120mm×210mm×1800mm; ② 混凝土强度等级:C20; ③ 纵向受拉钢筋的种类:HRB235; ④ 箍筋的种类:HPB235; ⑤ 纵向钢筋混凝土保护层厚度:15mm; 2 .2 试件设计 试件的配筋情况见表 1 和图 1; 表 1 梁斜剪试件的配筋 试件 编号 试件特征 配筋情况 加载位置 b(mm) 预估受剪极限荷载PuQ (kN) 预估受弯极限荷载PuM (kN) ① ② ③ QC 斜拉破坏  6@250 2 218 210 600 50 69 图 1 梁斜拉构件配筋图 混凝土受剪构件发生斜拉破坏有以下条件: ①3 ;②sv 较小 由《混凝土结构基本原理(第二版)》相关知识,抗剪承载力计算公式为: 001.751svucstyvAVVf bhfhs 2uQuPV 同时,为保证发生受剪破坏,抗弯纵筋配筋满足以下要求: maxuMM uM 按单筋矩形截面抗弯构件计算。 3 . 材性试验 3 .1 混凝土材性试验 试块留设时间:2013 年09 月 30 日 试验时间:2013 年11 月 21 日 试块养护条件:室内与试件同条件养护 表2 混凝土强度实测结果 试件尺寸 150mm×150mm×150mm 实测立方体 抗压强度/MPa 平均立方体 抗压强度 /MPa 推定轴心 抗拉强度 /MPa 推定 弹性模量 /GPa 26.35 27.08 2.14 28.83 27.70 27.20 注:轴心抗压强度根据国家标准《普通混凝土力学性能试验方法标准》GB/T 50081-2002 评定;立方体抗压强度、轴心抗拉强度、弹性模量根据国家标准《混凝土结构设计规范》GB 50010-2010 推定。 3 .2 钢筋材性试验 表3 钢筋强度实测结果 公称直径 /mm 屈服荷载 /kN 极限荷载 /kN 屈服强度 平均值/MPa 极限强度 ...

1、当您付费下载文档后,您只拥有了使用权限,并不意味着购买了版权,文档只能用于自身使用,不得用于其他商业用途(如 [转卖]进行直接盈利或[编辑后售卖]进行间接盈利)。
2、本站所有内容均由合作方或网友上传,本站不对文档的完整性、权威性及其观点立场正确性做任何保证或承诺!文档内容仅供研究参考,付费前请自行鉴别。
3、如文档内容存在违规,或者侵犯商业秘密、侵犯著作权等,请点击“违规举报”。

碎片内容

混凝土受扭梁斜拉破坏实验报告

小辰5+ 关注
实名认证
内容提供者

出售各种资料和文档

确认删除?
VIP
微信客服
  • 扫码咨询
会员Q群
  • 会员专属群点击这里加入QQ群
客服邮箱
回到顶部