电脑桌面
添加小米粒文库到电脑桌面
安装后可以在桌面快捷访问

SST51技术资料VIP免费

SST51技术资料_第1页
1/6
SST51技术资料_第2页
2/6
SST51技术资料_第3页
3/6
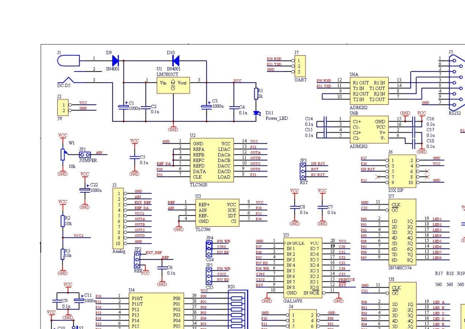
第一章 SST51 单片机开发板简介 SST51 单片机开发板是一款功能强大、集成度高且可扩展性强的单片机实验开发系统。它将单片机实验板,编程器,仿真器集成到一个系统上,成本与价格低廉,而且摆脱了传统单片机开发套件繁琐的方式。同时,它外围集成了4 位7 段数码管、2×3 矩阵键盘、8 位LED 指示灯、蜂鸣器、A/D、D/A、320×240 等大屏幕图像点阵 LCD 和微型打印机的驱动接口,资源丰富,可进行多种实验,非常适用于单片机教学配套实验板,另外板上具有大量的外扩接口,可非常方便地进行系统扩展,适用于科研实验或学生参加电子设计竞赛。 1 .1 系统功描述 1.1.1 硬件资源 板载外围硬件设备与接口如下: 4位7段数码管 2×3矩阵键盘 8位LED指示灯 1个蜂鸣器 1路SPI 接口A/D 转换器 4路D/A 转换器 RS232 串口通信 Atmel S5x ISP 下载电路 1.1.2 实验内容 SST51 开发系统提供了大量的实验内容,其中包括了基础实验、扩展实验和综合实验,每个实验均提供详细的学习资料,实验指导书和软件代码,通过基础实验、扩展实验和综合实验这三个步骤,可以令一个单片机新手循序渐进地成长为一名熟练地单片机系统开发工程师。 基础实验主要帮助初学者了解单片机外围接口方式与编程方法,同时熟练掌握按键、LED/LCD 显示、A/D、D/A 等常见器件的使用;扩展实验在技术难度上比基础实验更提升一级,相当于基础实验的提高篇,给出了在当前系统下进行系统功能扩展的示例;综合实验指导使用者利用单片机进行系统设计实战,使其了解常见电子产品与系统的设计方法。 基础实验列表 LED 跑马灯 数码管显示 蜂鸣器报警 矩阵按键扫描 A/D 信号采样 D/A 信号输出 RS232 串口通讯 扩展实验列表 240×128图形点阵LCD驱动 微型打印机驱动 I2C 温度传感器 电机驱动 综合实验列表 字符液晶电子钟 数码管秒表 数字电压表 简易波形发生器 双机通信 1.3 主要器件与接口 器件名称标识符描述 按键:S1~S6 共6个按键组成2×3矩阵键盘,输出通过总线扩展74HC574驱动,地址为0xa000h,输入为P1.6和P1.7; LED:D1~D8 共8个路,通过总线扩展74HC574驱动,地址为0x8000h; 蜂鸣器:B1 共1 路,通过总线扩展74HC574驱动,地址为0xa000h; 4 位7段数码管:通过总线扩展74HC574驱动;段选地址为0xc000h,位选地址为0xa000h; 图形点阵LCD:可以连接各种图形点阵LCD,通过总线扩展,地址为0xe000h; 1 路8 位A/...

1、当您付费下载文档后,您只拥有了使用权限,并不意味着购买了版权,文档只能用于自身使用,不得用于其他商业用途(如 [转卖]进行直接盈利或[编辑后售卖]进行间接盈利)。
2、本站所有内容均由合作方或网友上传,本站不对文档的完整性、权威性及其观点立场正确性做任何保证或承诺!文档内容仅供研究参考,付费前请自行鉴别。
3、如文档内容存在违规,或者侵犯商业秘密、侵犯著作权等,请点击“违规举报”。

碎片内容

SST51技术资料

确认删除?
VIP
微信客服
  • 扫码咨询
会员Q群
  • 会员专属群点击这里加入QQ群
客服邮箱
回到顶部