电脑桌面
添加小米粒文库到电脑桌面
安装后可以在桌面快捷访问

step7编程语言与指令VIP免费

step7编程语言与指令_第1页
1/15
step7编程语言与指令_第2页
2/15
step7编程语言与指令_第3页
3/15
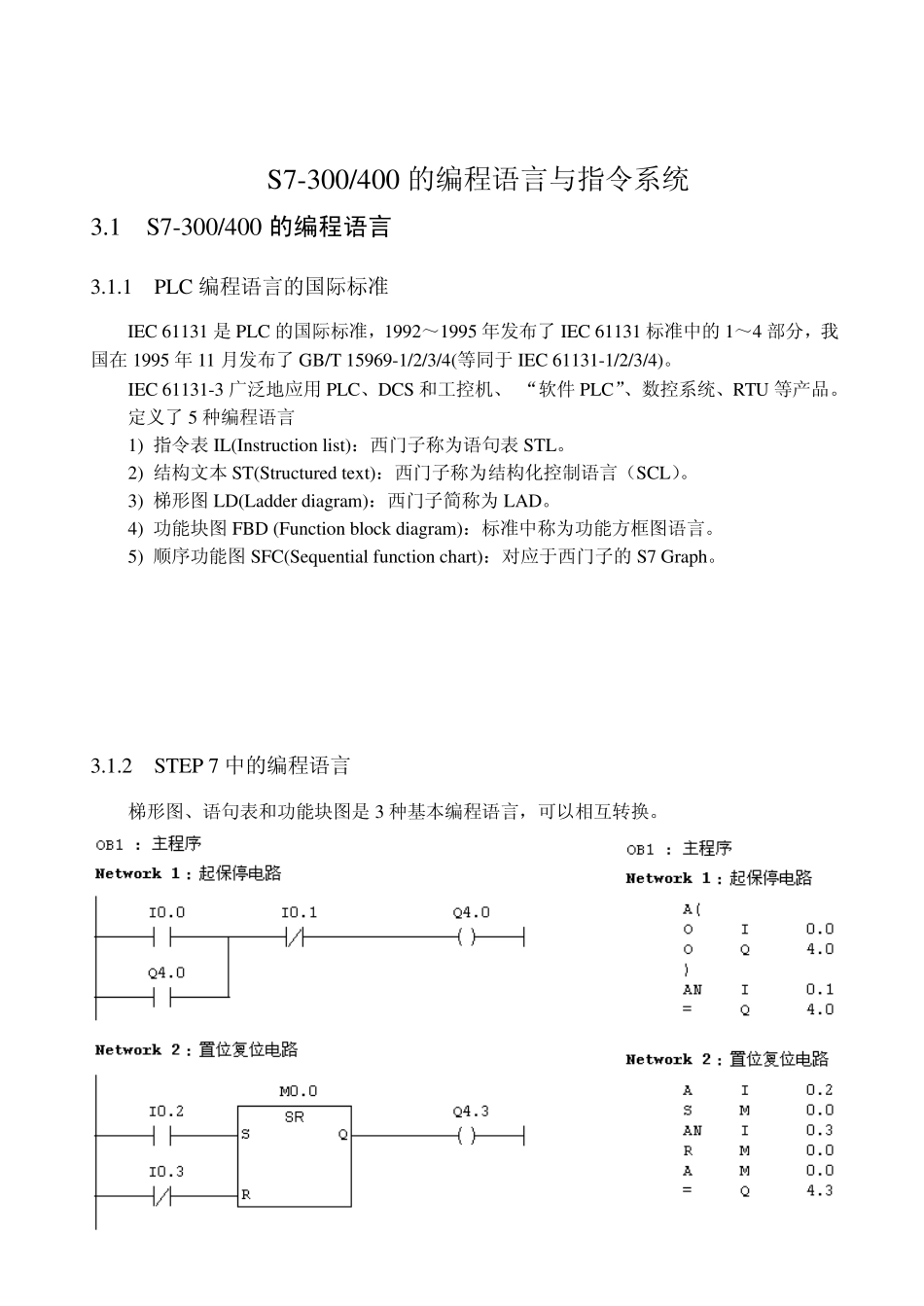
S7-300/400 的编程语言与指令系统 3.1 S7-300/400 的编程语言 3.1.1 PLC 编程语言的国际标准 IEC 61131 是PLC 的国际标准,1992~1995 年发布了IEC 61131 标准中的1~4 部分,我国在1995 年11 月发布了GB/T 15969-1/2/3/4(等同于IEC 61131-1/2/3/4)。 IEC 61131-3 广泛地应用PLC、DCS 和工控机、 “软件 PLC”、数控系统、RTU 等产品。 定义了5 种编程语言 1) 指令表 IL(Instru ction list):西门子称为语句表 STL。 2) 结构文本 ST(Stru ctu red tex t):西门子称为结构化控制语言(SCL)。 3) 梯形图 LD(Ladder diagram):西门子简称为 LAD。 4) 功能块图 FBD (Fu nction block diagram):标准中称为功能方框图语言。 5) 顺序功能图 SFC(Sequ ential fu nction chart):对应于西门子的S7 Graph。 ͼ3-1 PLCµÄ±à³ÌÓïÑÔ˳Ðò¹¦ÄÜͼÌÝÐÎͼ¹¦ÄÜ¿éͼָÁî±í½á¹Îı¾ 3.1.2 STEP 7 中的编程语言 梯形图、语句表和功能块图是3 种基本编程语言,可以相互转换。 1.顺序功能图(SFC) :STEP 7 中的S7 Graph 2.梯形图(LAD) 直观易懂,适合于数字量逻辑控制。“能流”(Pow er flow )与程序执行的方向。 3. 语句表(STL):功能比梯形图或功能块图强。 4.功能块图(FBD):“LOGO!”系列微型 PLC 使用功能块图编程。 5.结构文本(ST):STEP 7 的S7 SCL(结构化控制语言)符合EN 61131-3 标准。 SCL 适合于复杂的公式计算、复杂的计算任务和最优化算法,或管理大量的数据等。 6.S7 HiGraph 编程语言 图形编程语言 S7 HiGraph 属于可选软件包,它用状态图(state graphs)来描述异步、非顺序过程的编程语言。 7.S7 CFC 编程语言 可选软件包 CFC(Continuous Function Chart,连续功能图)用图形方式连接程序库中以块的形式提供的各种功能。 8.编程语言的相互转换与选用 在 STEP 7 编程软件中,如果程序块没有错误,并且被正确地划分为网络,在梯形图、功能块图和语句表之间可以转换。如果部分网络不能转换,则用语句表表示。 语句表可供喜欢用汇编语言编程的用户使用。语句表的输入快,可以在每条语句后面加上注释。设计高级应用程序时建议使用语句表。 梯形图适合于熟悉继电器电路的人员使用。设计复杂的触点电路时最好用梯形图。 功能块图适合于熟悉数字电路的人使用。 S7 SCL 编程...

1、当您付费下载文档后,您只拥有了使用权限,并不意味着购买了版权,文档只能用于自身使用,不得用于其他商业用途(如 [转卖]进行直接盈利或[编辑后售卖]进行间接盈利)。
2、本站所有内容均由合作方或网友上传,本站不对文档的完整性、权威性及其观点立场正确性做任何保证或承诺!文档内容仅供研究参考,付费前请自行鉴别。
3、如文档内容存在违规,或者侵犯商业秘密、侵犯著作权等,请点击“违规举报”。

碎片内容

step7编程语言与指令

确认删除?
VIP
微信客服
  • 扫码咨询
会员Q群
  • 会员专属群点击这里加入QQ群
客服邮箱
回到顶部