电脑桌面
添加小米粒文库到电脑桌面
安装后可以在桌面快捷访问

TSL1401中文资料VIP专享VIP免费

TSL1401中文资料_第1页
1/14
TSL1401中文资料_第2页
2/14
TSL1401中文资料_第3页
3/14
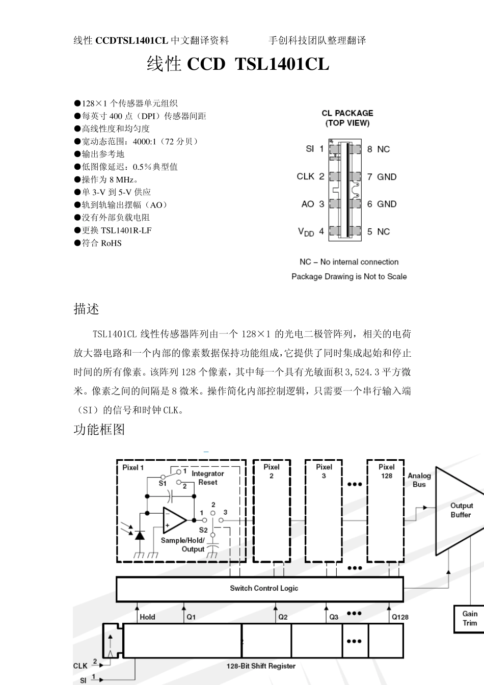
线性CCDTSL1401CL 中文翻译资料 手创科技团队整理翻译 线性CCDTSL140CL 中文资料 本文档由手创科技团队整理翻译,由于时间仓促与水平有限,翻译难免有所纰漏,敬请谅解并指出,谢谢。 本翻译仅为广大智能车友提供交流和参考作用!望各车友在理论中实践,在实践中创新。各车友如有自己的心得体会,可开源共享。最后祝愿所有参加第八届飞思卡尔智能车竞赛的同学都能有超越名次、奖金、证书以外的收获! 第八届光电组交流群:1 8 5 4 8 0 3 0 8 1 8 1 7 3 3 3 6 2 手创科技团队 1线性CCDTSL1401CL 中文翻译资料 手创科技团队整理翻译 线性CCD TSL1401CL ●128×1 个传感器单元组织 ●每英寸 400 点(DPI)传感器间距 ●高线性度和均匀度 ●宽动态范围:4000:1(72 分贝) ●输出参考地 ●低图像延迟:0.5%典型值 ●操作为 8 MHz。 ●单 3-V 到 5-V 供应 ●轨到轨输出摆幅(AO) ●没有外部负载电阻 ●更换 TSL1401R-LF ●符合 RoHS 描述 TSL1401CL 线性传感器阵列由一个 128×1 的光电二极管阵列,相关的电荷放大器电路和一个内部的像素数据保持功能组成,它提供了同时集成起始和停止时间的所有像素。该阵列 128 个像素,其中每一个具有光敏面积 3,524.3 平方微米。像素之间的间隔是 8 微米。操作简化内部控制逻辑,只需要一个串行输入端(SI)的信号和时钟 CLK。 功能框图 2线性CCDTSL1401CL 中文翻译资料 手创科技团队整理翻译 引脚功能 名称 序号 描述 AO 3 模拟输出 CLK 2 时钟。时钟控制的电荷转移,像素输出和复位。 GND 6、7 接地(基板)。所有电压都参考到基板上。 NC 5、8 无内部连接。 SI 1 串行输入。SI 定义数据输出序列的开始。 VDD 4 电源电压。模拟和数字电路的电源电压。 详细描述 该传感器是包含 128 个光电二极管的线性阵列。在光电二极管的光能量冲击下产生的光电流,这是由有源积分电路,与该象素相关的集成。在积分周期期间,采样电容器连接到积分器的输出通过一个模拟切换。在每个像素中累积的电荷量是和光强度和积分时间成正比的。 积分器的输出和复位控制由一个 128 位的移位寄存器和复位逻辑控制的。输出周期是一个逻辑时钟SI =1 时。对于正确的操作的最小保持时间条件满足后,SI 在时钟的下一个上升沿之前必须变低。一个内部信号,称之为Hold,是在像素电路中,产生于SI 的上升沿,然后发送给模拟开关。这会 ...

1、当您付费下载文档后,您只拥有了使用权限,并不意味着购买了版权,文档只能用于自身使用,不得用于其他商业用途(如 [转卖]进行直接盈利或[编辑后售卖]进行间接盈利)。
2、本站所有内容均由合作方或网友上传,本站不对文档的完整性、权威性及其观点立场正确性做任何保证或承诺!文档内容仅供研究参考,付费前请自行鉴别。
3、如文档内容存在违规,或者侵犯商业秘密、侵犯著作权等,请点击“违规举报”。

碎片内容

TSL1401中文资料

确认删除?
VIP
微信客服
  • 扫码咨询
会员Q群
  • 会员专属群点击这里加入QQ群
客服邮箱
回到顶部