电脑桌面
添加小米粒文库到电脑桌面
安装后可以在桌面快捷访问

VKCQD1GCGL001工程施工技术标准VIP免费

VKCQD1GCGL001工程施工技术标准_第1页
1/13
VKCQD1GCGL001工程施工技术标准_第2页
2/13
VKCQD1GCGL001工程施工技术标准_第3页
3/13
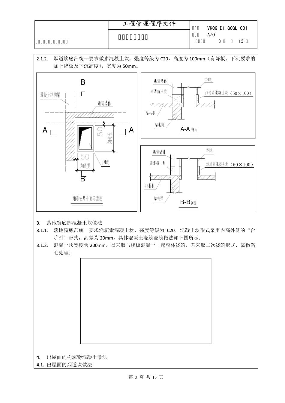
工程管理程序文件 编号:VKCQ-D1-GCGL-001 版号:A/0 页码:第 1 页 共 13 页 工程技术构造标准 第 1 页 共 1 3 页 万科(重庆)房地产有限公司 工程技术构造标准 编制 段计先 日期 2008年9月30日 审核 日期 批准 日期 修订记录 日 期 修订状态 修改内容 修改人 审核人 批准人 工程管理程序文件 编号:VKCQ-D1-GCGL-001 版号:A/0 页码:第 2 页 共 13 页 工程技术构造标准 第 2 页 共 1 3 页 万科(重庆)房地产有限公司 工 程 技 术 构 造 标 准 一 、 设 计 部 分 1. 1 钢 筋 混 凝 土 结 构 降 板 要 求 1.1.1. 阳 台 降 板 100m m 。 1.1.2. 有 保 温 要 求 的 露 台 降 板 250m m , 无 保 温 要 求 的 露 台 降 板 100m m 。 1.1.3. 1.1.3 雨 棚 降 板 100m m , 空 调 板 降 板 100m m 。 1.1.4. 非 沉 箱 式 卫 生 间 降 板 80m m 。 1.1.5. 沉 箱 式 卫 生 间 降 板 约 300---350m m ( 可 根 据 周 边 的 梁 高 确 定 )。 1.1.6. 厨 房 降 板 50m m 。 2. 钢 筋 接 头 型 式 2.1.1. 直 径 大 于 等 于 16 小 于22 钢 筋 采 用 焊 接 或 机 械 连 接 ;直 径 大 于 等 于 22 的 受 力 钢 筋 采 用 机 械 连接 ; 直 径 小 于 16 的 钢 筋 可 采 用 绑 扎 搭 接 接 头 。 当 采 用 机 械 连 接 时 , 转 换 大 梁 采 用 I 级 接 头 ,其 余 部 位 除 特 殊 标 注 外 均 为 II 级 接 头 。 3. 屋 面 结 构 找 坡 3.1.1. 公 共 建 筑 屋 面 : 板 底 、 板 面 均 按 2%结 构 找 坡 ; 3.1.2. 住 宅 屋 面 : 板 底 平 , 板 面 按 2%结 构 找 坡 ; 3.1.3. 地 下 室 顶 板 : 应 结 构 找 坡 ; 3.1.4. 地 下 室 底 板 : 可 考 虑 结 构 找 坡 。 二 、 与 渗 漏 相 关 的 部 分 构 造 节 点 1. 砖 墙底 部 混 凝 土 坎做法 1.1.1. 砌块墙外 墙墙底 部 和厨 房 、 卫 生 间 墙体底 部 统一 要 求 做素混 凝 土 坎, 具体混 凝 土 做法如下 图所示; 1.1.2. 素混 凝 土 坎混 凝 土 强度等 级 为C20, 外...

1、当您付费下载文档后,您只拥有了使用权限,并不意味着购买了版权,文档只能用于自身使用,不得用于其他商业用途(如 [转卖]进行直接盈利或[编辑后售卖]进行间接盈利)。
2、本站所有内容均由合作方或网友上传,本站不对文档的完整性、权威性及其观点立场正确性做任何保证或承诺!文档内容仅供研究参考,付费前请自行鉴别。
3、如文档内容存在违规,或者侵犯商业秘密、侵犯著作权等,请点击“违规举报”。

碎片内容

VKCQD1GCGL001工程施工技术标准

您可能关注的文档

确认删除?
VIP
微信客服
  • 扫码咨询
会员Q群
  • 会员专属群点击这里加入QQ群
客服邮箱
回到顶部