电脑桌面
添加小米粒文库到电脑桌面
安装后可以在桌面快捷访问

提高35kv内锥插拔式电缆终端头制作质量武汉项目部集团VIP免费

提高35kv内锥插拔式电缆终端头制作质量武汉项目部集团_第1页
1/8
提高35kv内锥插拔式电缆终端头制作质量武汉项目部集团_第2页
2/8
提高35kv内锥插拔式电缆终端头制作质量武汉项目部集团_第3页
3/8
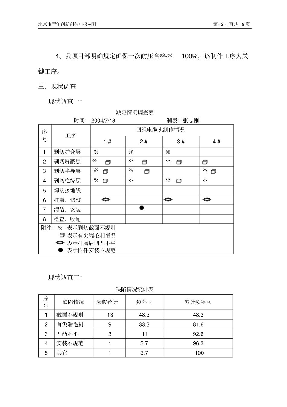
北京市青年创新创效申报材料第- 1 - 页共8 页提高 35KV 内锥插拨式电缆终端头制作质量一、小组简介小组概况小组名称南京地铁项目部 QC小组组建日期2004.06 课题提高 35kv 内锥插拔式 电缆终端头制作质量活动时间2004 年 6 月 23 日- 2004 年 8 月 15 日小组类型现场型小组成员表序号姓名性别职称组内分工职责1 王元清男高工组长策划协调2 张志刚男中级工副组长制作3 周国辉男工程师副组长技术负责4 杨小利男技术员组员质量检查5 刘培华男技师组员资料整理6 税明刚男中级工组员制作小组成员围绕本课题共组织集体活动6 次,分散活动2 次,运用 QC方法和理论对课题进行了现状调查、原因分析、对策确定和解决措施。二、选题理由1、我们所施工的玄武门车站是南京市地铁运营部指定标准建设文明工地,电缆头制作工艺标准化对我单位信誉有着窗口示范效应。2、35kv 内锥插拔式电缆头具有全屏蔽、可触摸、可拆卸等特点,制作工艺新颖,质量要求高,掌握该制作工艺有助于更好的积累施工经验。3、该类型电缆头数量多, 急需有一种快捷简便的制作方法,以加快施工进度。北京市青年创新创效申报材料第- 2 - 页共8 页4、我项目部明确规定确保一次耐压合格率100%,该制作工序为关键工序。三、现状调查现状调查一:缺陷情况调查表时间: 2004/7/18 制表:张志刚序号工序四组电缆头制作情况1 # 2 # 3 # 4 # 1 剥切护套层※※※2 剥切屏蔽层※※※3 剥切半导层※※※4 剥切绝缘层※※※※5 焊接接地线6 打磨.修整7 清洁.安装8 检查.收尾附注:※表示剥切截面不规则表示有尖端毛刺情况表示打磨后凹凸不平表示附件安装不规范现状调查二:缺陷情况统计表序号缺陷情况频数统计频率﹪累计频率﹪1 截面不规则13 48.3 48.3 2 有尖端毛刺9 33.3 81.6 3 凹凸不平3 11 92.6 4 安装不规范1 3.7 96.3 5 其它1 3.7 100 北京市青年创新创效申报材料第- 3 - 页共8 页6 合计27 100 100 时间 :2004/7/18 制表: 张志刚缺陷情况排列图缺频频陷 27 96.3 率100 情81.6 92.6 况数80 20 48.3 13 9 50 3 1 1 ‘截面不规则尖端毛刺凹凸不平安装不规范其它结论 : 截面不规则和尖端毛刺是存在缺陷的主要问题四、原因分析北京市青年创新创效申报材料第- 4 - 页共8 页五、要因确认小组成员通过施工现场验证, 深入的调查分析, 对因果图中的末端因素进行逐条分析,确认其为影响...

1、当您付费下载文档后,您只拥有了使用权限,并不意味着购买了版权,文档只能用于自身使用,不得用于其他商业用途(如 [转卖]进行直接盈利或[编辑后售卖]进行间接盈利)。
2、本站所有内容均由合作方或网友上传,本站不对文档的完整性、权威性及其观点立场正确性做任何保证或承诺!文档内容仅供研究参考,付费前请自行鉴别。
3、如文档内容存在违规,或者侵犯商业秘密、侵犯著作权等,请点击“违规举报”。

碎片内容

提高35kv内锥插拔式电缆终端头制作质量武汉项目部集团

您可能关注的文档

文库响当当+ 关注
实名认证
内容提供者

该用户很懒,什么也没介绍

确认删除?
VIP
微信客服
  • 扫码咨询
会员Q群
  • 会员专属群点击这里加入QQ群
客服邮箱
回到顶部