电脑桌面
添加小米粒文库到电脑桌面
安装后可以在桌面快捷访问

政工程监理规划07136VIP免费

政工程监理规划07136_第1页
1/20
政工程监理规划07136_第2页
2/20
政工程监理规划07136_第3页
3/20
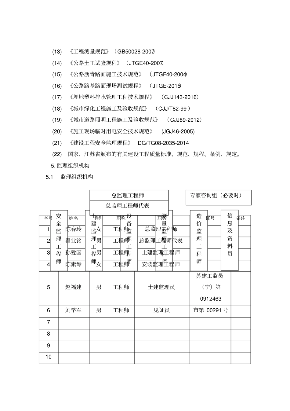
南京江宁滨江开发区三标段监理规划1.工程概况项目名称:南京江宁滨江开发区三标段建设地点:南京江宁滨江开发区工程类型:市政工程建安造价: 27500万元(包含景观绿化5100 万元)合同工期: 180 天,预计 2017 年 10 月 20 日至 2018 年 4 月 18 日工程说明:滨江开发区道路、景观绿化改造工程三标段EPC总承包监理项目:跃马路(弘利路 -景明大街)改造工程,道路长度762 米,宽 30 米(主干道);中元路(中环大道 -翔凤路) 改造工程, 道路长度 1460 米,宽 30 米(主干道);锦文路( G205-地秀路)改造工程,道路长度623 米,宽 60 米(主干道);正方大道( G205-清修路)道路景观绿化提升改造工程,道路长度1000 米,宽60 米(主干道);园区建成道路整治维修工程;滨江大道加固改造工程,道路长度1750 米,宽 60 米(主干道);道路两侧环境整治工程。2.监理服务范围2.1 监理工作范围(1)包括项目的土方工程、道路工程、排水工程、景观绿化工程、路灯、综合管线、通信管线工程、原雨污水管道拆除及重新铺设、深沟槽开挖及防护工程、景观绿化出新及环境整治工程施工过程中的质量、进度、费用(仅限合格工程量签证) 、安全生产监督管理、文明施工、合同、信息、竣工档案等方面的协调管理。3.监理工作目标质量控制目标:验收一次合格率100%。进度控制目标:按期完成工程节点目标。投资控制目标:符合合同条款的合格工程量签证。安全文明目标:无重大伤亡事故,确保标准化文明工地。4.监理工作依据4.1 监理和管理依据(1) 《中华人民共和国建筑法》(2) 《建设工程安全生产管理条例》(3) 《生产安全事故报告和调查处理条例》(4) 《建设工程质量管理条例》(5)《建设工程监理规范》 (GB50319-2013)(6)市政工程质量保证资料及合同中规定的有关表式;(7)依法成立的本工程《工程建设监理合同》及其附件(8)依法成立的本工程《工程施工承包合同》文件(9)本工程招标文件、图纸及附件和、施工设计图纸。(10)经审批同意的施工单位编制的施工组织设计及其它文件。(11)除上述已列明之外的国家相关法律、法规、条例、规定。4.2 现行标准和规范(1) 《建筑工程施工质量验收统一标准》 (GB50300-2013)(2) 《城市道路工程施工与质量验收规范》 (CJJ1-2008)(3) 《城市工程管线综合规划规范》 (DB50289-2016)(4) 《市政排水管道工程及附属设施》 (06MS201)(5) 《沥青路面施工及验收规范》 (GB5...

1、当您付费下载文档后,您只拥有了使用权限,并不意味着购买了版权,文档只能用于自身使用,不得用于其他商业用途(如 [转卖]进行直接盈利或[编辑后售卖]进行间接盈利)。
2、本站所有内容均由合作方或网友上传,本站不对文档的完整性、权威性及其观点立场正确性做任何保证或承诺!文档内容仅供研究参考,付费前请自行鉴别。
3、如文档内容存在违规,或者侵犯商业秘密、侵犯著作权等,请点击“违规举报”。

碎片内容

政工程监理规划07136

您可能关注的文档

确认删除?
VIP
微信客服
  • 扫码咨询
会员Q群
  • 会员专属群点击这里加入QQ群
客服邮箱
回到顶部