电脑桌面
添加小米粒文库到电脑桌面
安装后可以在桌面快捷访问

滚珠丝杆实际计算VIP免费

滚珠丝杆实际计算_第1页
1/14
滚珠丝杆实际计算_第2页
2/14
滚珠丝杆实际计算_第3页
3/14
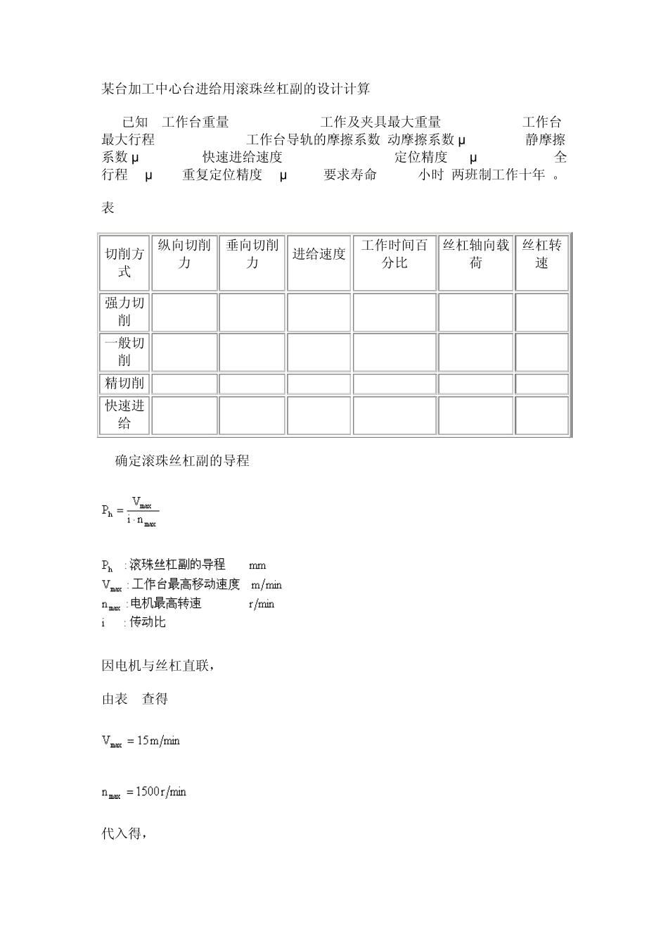
某台加工中心台进给用滚珠丝杠副的设计计算: 已知: 工作台重量 W1=5000N 工作及夹具最大重量W2=3000N 工作台最大行程 LK=1000mm 工作台导轨的摩擦系数:动摩擦系数μ =0.1 静摩擦系数μ0=0.2 快速进给速度 Vmax=15m/min 定位精度20 μm/300mm 全行程25μm 重复定位精度10μm 要求寿命20000小时(两班制工作十年)。 表 1 切削方式 纵向切削力 Pxi(N) 垂向切削力 Pzi(N) 进给速度 Vi(m/min) 工作时间百分比 % 丝杠轴向载荷 (N) 丝杠转速 r/min 强力切削 2000 1200 0.6 10 2920 一般切削 1000 200 0.8 30 1850 80 精切削 500 200 1 50 1320 100 快速进给 0 0 15 10 800 1500 1)确定滚珠丝杠副的导程 因电机与丝杠直联,i=1 由表 1查得 代入得, 按第2页表,取 2)确定当量转速与当量载荷 (1) 各种切削方式下,丝杠转速 由表1查得 代入得 (1)各种切削方式下,丝杠轴向载荷 由表1查得 代入得 (3)当量转速 由表 1查得 代入得 (2)当量载荷 代入得 3)预期额定动载荷 (1) 按预期工作时间估算 按表9查得:轻微冲击取 fw=1.3 按表7查得:1~3取 按表8查得:可靠性97%取fc=0.44 已知:Lh=20000小时 代入得 (2)拟采用预紧滚珠丝杠副,按最大负载Fmax计算: 按表10查得:中预载取 Fe=4.5 代入得 取以上两种结果的最大值 4)确定允许的最小螺纹底径 (1) 估算丝杠允许的最大轴向变形量 ① ≤(1/3~1/4)重复定位精度 ② ≤(1/4~1/5)定位精度 : 最大轴向变形量 µm 已知:重复定位精度10µm, 定位精度25µm ① =3 ② =6 取两种结果的小值 =3µm (2)估算最小螺纹底径 丝杠要求预拉伸,取两端固定的支承形式 (1.1~1.2)行程+(10~14) 已知:行程为 1000mm, 代入得 5)确定滚珠丝杠副的规格代号 (1)选内循环浮动式法兰,直筒双螺母型垫片预形式 (2) 由计算出的在样本中取相应规格的滚珠丝杠副 FFZD4010-3 6) 确定滚珠丝杠副预紧力 其中 7)行程补偿值与与拉伸力 (1) 行程补偿值 式中: =(2~4) (2) 预拉伸力 代入得 8)确定滚珠丝杠副支承用的轴承代号、规格 (1) 轴承所承受的最大轴向载荷 代入得 (2)轴承类型 两端固定的支承形式,选背对背60°角接触推力球轴承 (3) 轴承内径 d 略小于 取 代入得 (4)轴承预紧力 预加负荷≥ (5)按样本选轴承型号规格 当 d=30mm 预加负...

1、当您付费下载文档后,您只拥有了使用权限,并不意味着购买了版权,文档只能用于自身使用,不得用于其他商业用途(如 [转卖]进行直接盈利或[编辑后售卖]进行间接盈利)。
2、本站所有内容均由合作方或网友上传,本站不对文档的完整性、权威性及其观点立场正确性做任何保证或承诺!文档内容仅供研究参考,付费前请自行鉴别。
3、如文档内容存在违规,或者侵犯商业秘密、侵犯著作权等,请点击“违规举报”。

碎片内容

滚珠丝杆实际计算

小辰6+ 关注
实名认证
内容提供者

出售各种资料和文档

相关文档

确认删除?
VIP
微信客服
  • 扫码咨询
会员Q群
  • 会员专属群点击这里加入QQ群
客服邮箱
回到顶部