电脑桌面
添加小米粒文库到电脑桌面
安装后可以在桌面快捷访问

滚珠丝杠选型VIP免费

滚珠丝杠选型_第1页
1/20
滚珠丝杠选型_第2页
2/20
滚珠丝杠选型_第3页
3/20
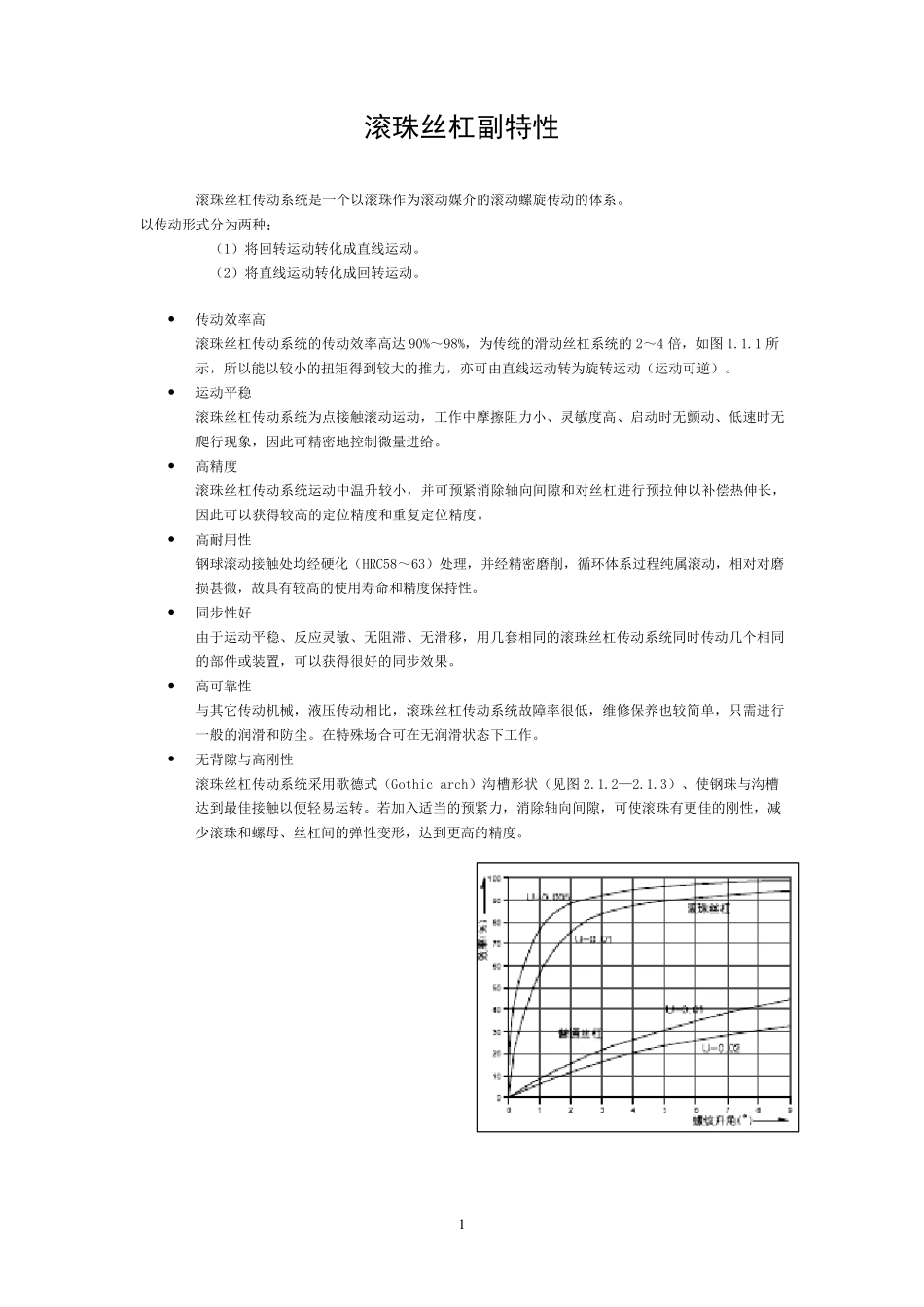
1 滚珠丝杠副特性 滚 珠 丝 杠 传 动 系 统 是 一 个 以 滚 珠 作 为 滚 动 媒 介 的 滚 动 螺 旋 传 动 的 体 系 。 以 传 动 形 式 分 为 两 种 : ( 1) 将 回 转 运 动 转 化 成 直 线 运 动 。 ( 2) 将 直 线 运 动 转 化 成 回 转 运 动 。 • 传 动 效 率 高 滚 珠 丝 杠 传 动 系 统 的 传 动 效 率 高 达 90%~ 98%, 为 传 统 的 滑 动 丝 杠 系 统 的 2~ 4 倍 , 如 图 1.1.1 所示 , 所 以 能 以 较 小 的 扭 矩 得 到 较 大 的 推 力 , 亦 可 由 直 线 运 动 转 为 旋 转 运 动 ( 运 动 可 逆 ) 。 • 运 动 平 稳 滚 珠 丝 杠 传 动 系 统 为 点 接 触 滚 动 运 动 , 工 作 中 摩 擦 阻 力 小 、 灵 敏 度 高 、 启 动 时 无 颤 动 、 低 速 时 无爬 行 现 象 , 因 此 可 精 密 地 控 制 微 量 进 给 。 • 高 精 度 滚 珠 丝 杠 传 动 系 统 运 动 中 温 升 较 小 , 并 可 预 紧 消 除 轴 向 间 隙 和 对 丝 杠 进 行 预 拉 伸 以 补 偿 热 伸 长 ,因 此 可 以 获 得 较 高 的 定 位 精 度 和 重 复 定 位 精 度 。 • 高 耐 用 性 钢 球 滚 动 接 触 处 均经硬化 ( HRC58~ 63) 处 理, 并 经精 密 磨削, 循环体 系 过程纯属滚 动 , 相对 对 磨损甚微 , 故具有较 高 的 使用 寿命和 精 度 保持性 。 • 同步性 好 由 于运 动 平 稳 、 反应灵 敏 、 无 阻 滞、 无 滑 移, 用 几套相同的 滚 珠 丝 杠 传 动 系 统 同时 传 动 几个 相同的 部件或装置, 可 以 获 得 很好的 同步效 果。 • 高 可 靠性 与其它传 动 机械, 液压传 动 相比, 滚 珠 丝 杠 传 动 系 统 故障率 很低 , 维修保养也较 简单, 只需进 行一 般的 润滑 和 防尘。 在特殊场合可 在无 润滑 状态下工 作 。 • 无 背隙 与高 刚性 滚 珠 丝 杠 传 动 系 统 采用 歌德式 ( Gothic arch) 沟槽形 状( 见图 2.1.2—2.1.3) 、 使钢 珠 与沟槽达 到 最佳接 触 以 便轻易运 转 。 若...

1、当您付费下载文档后,您只拥有了使用权限,并不意味着购买了版权,文档只能用于自身使用,不得用于其他商业用途(如 [转卖]进行直接盈利或[编辑后售卖]进行间接盈利)。
2、本站所有内容均由合作方或网友上传,本站不对文档的完整性、权威性及其观点立场正确性做任何保证或承诺!文档内容仅供研究参考,付费前请自行鉴别。
3、如文档内容存在违规,或者侵犯商业秘密、侵犯著作权等,请点击“违规举报”。

碎片内容

滚珠丝杠选型

确认删除?
VIP
微信客服
  • 扫码咨询
会员Q群
  • 会员专属群点击这里加入QQ群
客服邮箱
回到顶部