电脑桌面
添加小米粒文库到电脑桌面
安装后可以在桌面快捷访问

2024年新版砂砾料铺填施工质量验收评定表VIP专享VIP免费

2024年新版砂砾料铺填施工质量验收评定表_第1页
1/3
2024年新版砂砾料铺填施工质量验收评定表_第2页
2/3
2024年新版砂砾料铺填施工质量验收评定表_第3页
3/3
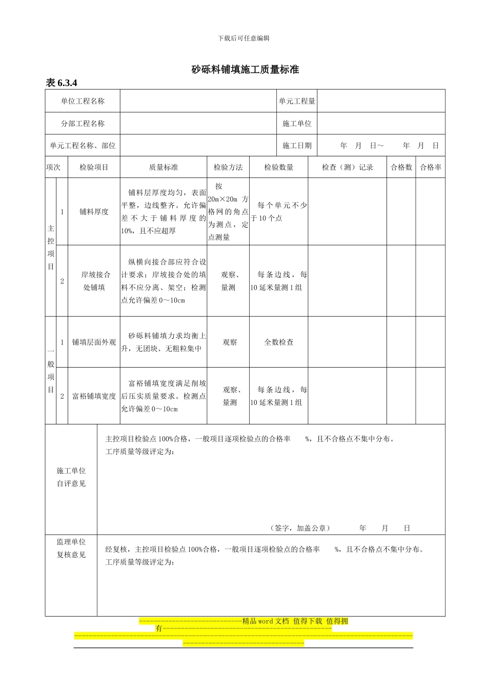
下载后可任意编辑砂砾料铺填施工质量标准表 6.3.4单位工程名称单元工程量 分部工程名称施工单位 单元工程名称、部位施工日期年 月 日~ 年 月 日项次检验项目质量标准检验方法检验数量检查(测)记录合格数合格率主控项目1铺料厚度铺料层厚度均匀,表面平整,边线整齐。允许偏差 不 大 于 铺 料 厚 度 的10%,且不应超厚按20m×20m 方格网的角点为测点,定点测量每 个 单 元 不 少于 10 个点 2 岸坡接合 处铺填纵横向接合部应符合设计要求;岸坡接合处的填料不应分离、架空;检测点允许偏差 0~10cm 观察、量测每 条 边 线 , 每10 延米量测 1 组 一般项目1铺填层面外观砂砾料铺填力求均衡上升,无团块、无粗粒集中观察全数检查 2富裕铺填宽度富裕铺填宽度满足削坡后压实质量要求。检测点允许偏差 0~10cm 观察、 量测每 条 边 线 , 每10 延米量测 1 组 施工单位自评意见主控项目检验点 100%合格,一般项目逐项检验点的合格率 %,且不合格点不集中分布。工序质量等级评定为: (签字,加盖公章) 年 月 日监理单位复核意见经复核,主控项目检验点 100%合格,一般项目逐项检验点的合格率 %,且不合格点不集中分布。工序质量等级评定为:----------------------------精品 word 文档 值得下载 值得拥有---------------------------------------------------------------------------------------------------------------------------------------------------------------------------下载后可任意编辑 (签字,加盖公章) 年 月 日砂砾料铺填施工质量验收评定表表 6.3.4单位工程名称单元工程量 分部工程名称施工单位 单元工程名称、部位施工日期年 月 日~ 年 月 日项次检验项目质量标准检查(测)记录合格数合格率主控项目1铺料厚度铺料层厚度均匀,表面平整,边线整齐。允许偏差不大于铺料厚度的 10%,且不应超厚 2 岸坡接合处铺填纵横向接合部应符合设计要求;岸坡接合处的填料不应分离、架空;检测点允许偏差 0~10cm 一般项目1铺填层面外观砂砾料铺填力求均衡上升,无团块、无粗粒集中 2富裕铺填宽度富裕铺填宽度满足削坡后压实质量要求。检测点允许偏差 0~10cm 施工单位自评意见主控项目检验点 100%合格,一般项目逐项检验点的合格率 %,且不合格点不集中分布。工序质量等级评定为:(签字,加盖公章) 年 月 日----------------------------精...

1、当您付费下载文档后,您只拥有了使用权限,并不意味着购买了版权,文档只能用于自身使用,不得用于其他商业用途(如 [转卖]进行直接盈利或[编辑后售卖]进行间接盈利)。
2、本站所有内容均由合作方或网友上传,本站不对文档的完整性、权威性及其观点立场正确性做任何保证或承诺!文档内容仅供研究参考,付费前请自行鉴别。
3、如文档内容存在违规,或者侵犯商业秘密、侵犯著作权等,请点击“违规举报”。

碎片内容

2024年新版砂砾料铺填施工质量验收评定表

确认删除?
VIP
微信客服
  • 扫码咨询
会员Q群
  • 会员专属群点击这里加入QQ群
客服邮箱
回到顶部