电脑桌面
添加小米粒文库到电脑桌面
安装后可以在桌面快捷访问

2024设备监理工程师《综合实务与案例分析》模拟试题(3)-中大网校VIP免费

2024设备监理工程师《综合实务与案例分析》模拟试题(3)-中大网校_第1页
1/7
2024设备监理工程师《综合实务与案例分析》模拟试题(3)-中大网校_第2页
2/7
2024设备监理工程师《综合实务与案例分析》模拟试题(3)-中大网校_第3页
3/7
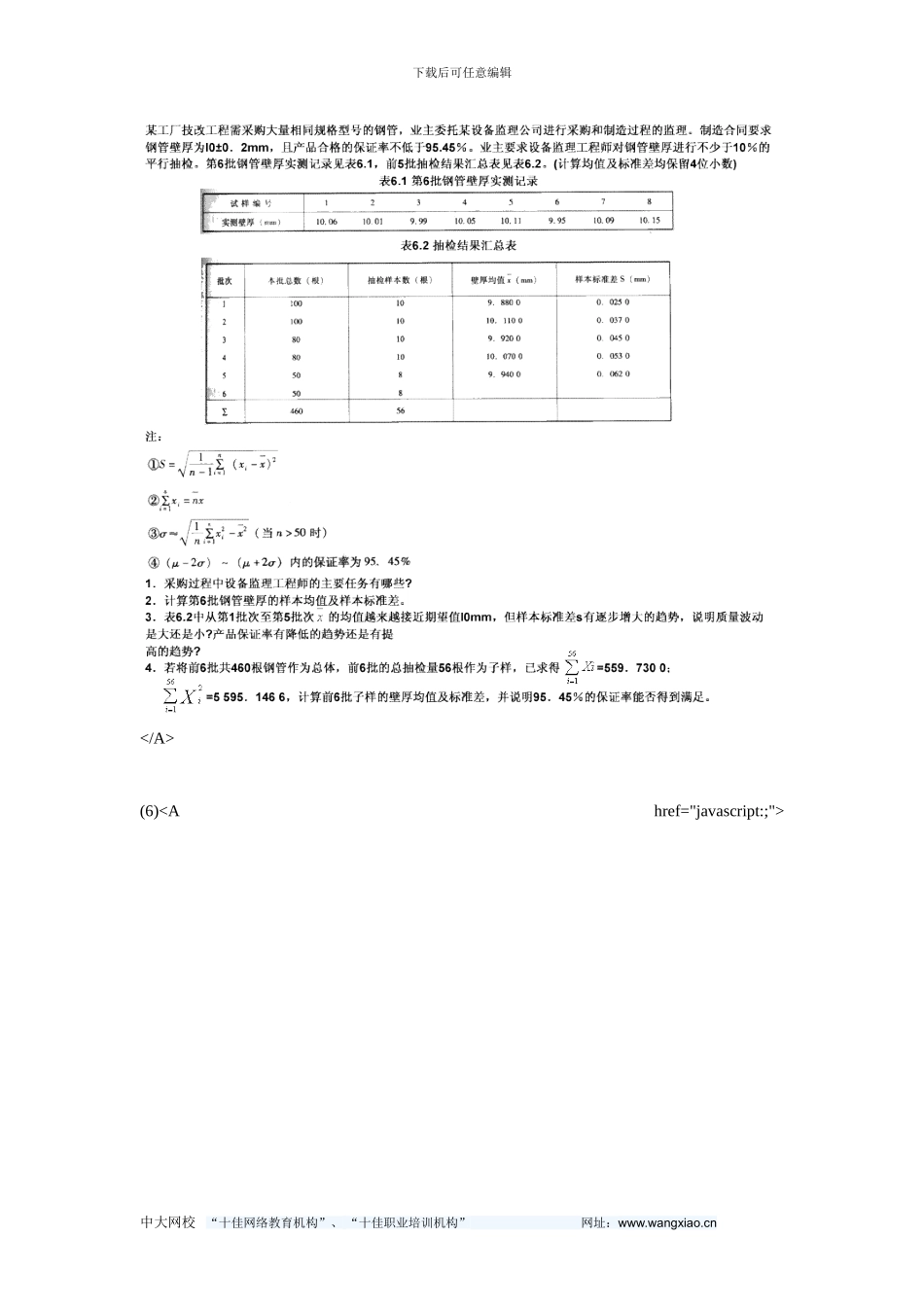
下载后可任意编辑2024 设备监理工程师《综合实务与案例分析》模拟试题(3)总分:120 分 及格:72 分 考试时间:240 分案例分析题(1)(2)(3)中大网校 “十佳网络教育机构”、 “十佳职业培训机构” 网址:www.wangxiao.cn下载后可任意编辑(4)(5)中大网校 “十佳网络教育机构”、 “十佳职业培训机构” 网址:www.wangxiao.cn下载后可任意编辑(6)中大网校 “十佳网络教育机构”、 “十佳职业培训机构” 网址:www.wangxiao.cn下载后可任意编辑答案和解析案例分析题(1) :(2) :中大网校 “十佳网络教育机构”、 “十佳职业培训机构” 网址:www.wangxiao.cn下载后可任意编辑(3) :中大网校 “十佳网络教育机构”、 “十佳职业培训机构” 网址:www.wangxiao.cn下载后可任意编辑(4) :(5) :(6) :中大网校 “十佳网络教育机构”、 “十佳职业培训机构” 网址:www.wangxiao.cn下载后可任意编辑中大网校 “十佳网络教育机构”、 “十佳职业培训机构” 网址:www.wangxiao.cn

1、当您付费下载文档后,您只拥有了使用权限,并不意味着购买了版权,文档只能用于自身使用,不得用于其他商业用途(如 [转卖]进行直接盈利或[编辑后售卖]进行间接盈利)。
2、本站所有内容均由合作方或网友上传,本站不对文档的完整性、权威性及其观点立场正确性做任何保证或承诺!文档内容仅供研究参考,付费前请自行鉴别。
3、如文档内容存在违规,或者侵犯商业秘密、侵犯著作权等,请点击“违规举报”。

碎片内容

2024设备监理工程师《综合实务与案例分析》模拟试题(3)-中大网校

确认删除?
VIP
微信客服
  • 扫码咨询
会员Q群
  • 会员专属群点击这里加入QQ群
客服邮箱
回到顶部