电脑桌面
添加小米粒文库到电脑桌面
安装后可以在桌面快捷访问

220KV南票变电站工程质量检查验评项目划分表VIP免费

220KV南票变电站工程质量检查验评项目划分表_第1页
1/13
220KV南票变电站工程质量检查验评项目划分表_第2页
2/13
220KV南票变电站工程质量检查验评项目划分表_第3页
3/13
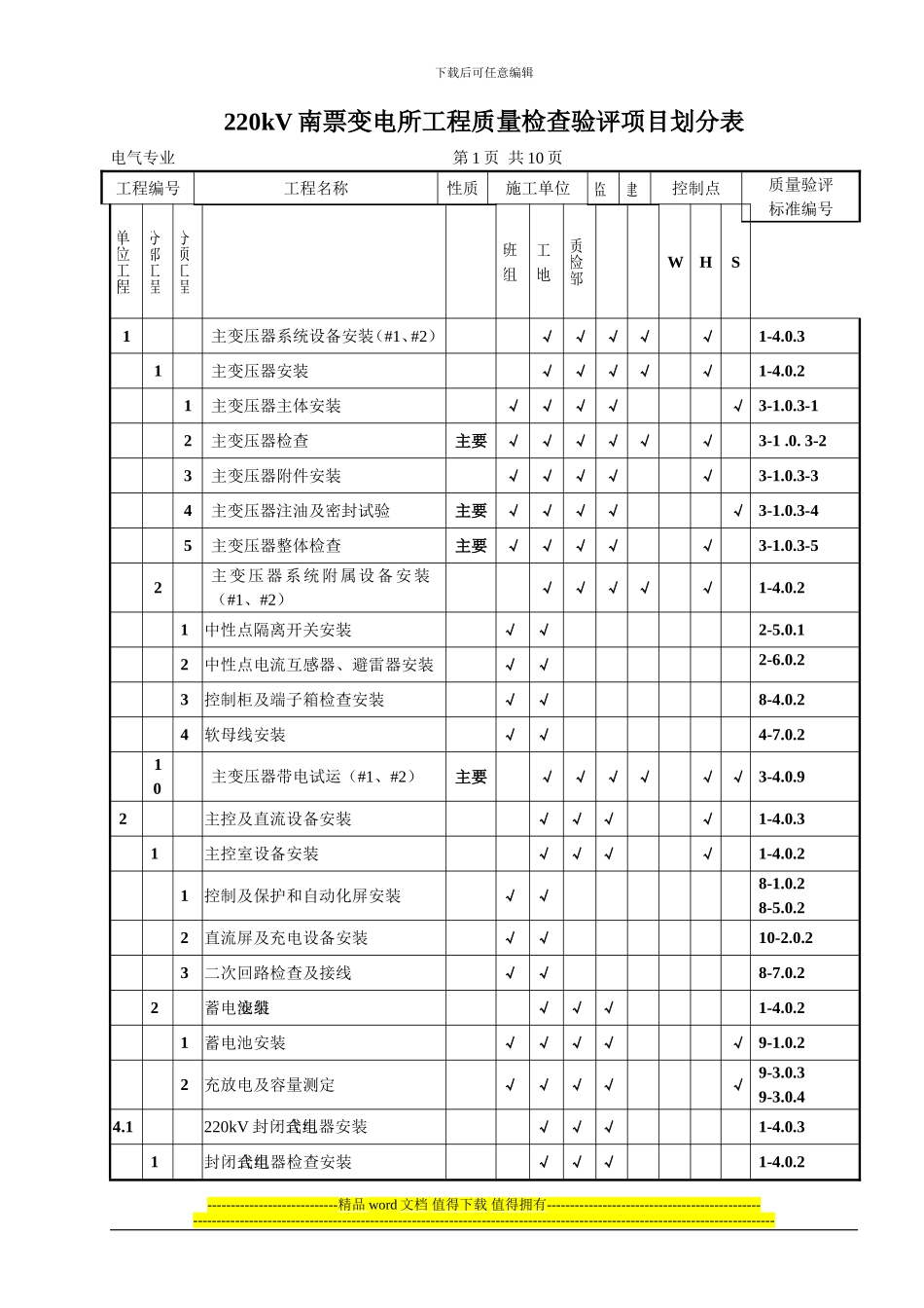
下载后可任意编辑220kV 南票变电所工程质量检查验评项目划分表电气专业 第 1 页 共 10 页工程编号工程名称性质施工单位监建控制点质量验评标准编号单位工程分部工程分项工程班 组工 地质检部WHS1主变压器系统设备安装(#1、#2)√√√√√1-4.0.31主变压器安装√√√√√1-4.0.21主变压器主体安装√√√√√ 3-1.0.3-12主变压器检查主要√√√√√√3-1 .0. 3-23主变压器附件安装√√√√√3-1.0.3-34主变压器注油及密封试验主要√√√√√ 3-1.0.3-45主变压器整体检查主要√√√√√3-1.0.3-52主变压器系统附属设备安装(#1、#2)√√√√√1-4.0.2 1中性点隔离开关安装 √√ 2-5.0.1 2中性点电流互感器、避雷器安装 √√ 2-6.0.2 3控制柜及端子箱检查安装 √√ 8-4.0.2 4软母线安装 √√ 4-7.0.210主变压器带电试运(#1、#2)主要√√√√√√ 3-4.0.92 主控及直流设备安装 √√√√1-4.0.3 1 主控室设备安装 √√√√1-4.0.2 1控制及保护和自动化屏安装 √√ 8-1.0.28-5.0.2 2直流屏及充电设备安装 √√ 10-2.0.2 3二次回路检查及接线 √√ 8-7.0.2 2 蓄电池组安装 √√√1-4.0.2 1蓄电池安装 √√√√√ 9-1.0.2 2充放电及容量测定 √√√√√ 9-3.0.39-3.0.44.1 220kV 封闭式组合电器安装 √√√1-4.0.3 1 封闭式组合电器检查安装 √√√1-4.0.2----------------------------精品 word 文档 值得下载 值得拥有---------------------------------------------------------------------------------------------------------------------------------------------------------------------------下载后可任意编辑220kV 南票变电所工程质量检查验评项目划分表电气专业 第 2 页 共 10 页工程编号工程名称性质施工单位监建控制点质量验评标准编号单位工程分部工程分项工程班 组工 地质检部WHS 1基础检查 √√ 2-1.0.1 2封闭式组合电器本体检查安装主要√√√√√√ 2-1.0.22.1 南杨线间隔封闭式组合电器本体检查安装主要√√√√√√ 2-1.0.22.2 #2 主变间隔封闭式组合电器本体检查安装主要√√√√√√ 2-1.0.22.3 电南#2 线间隔封闭式组合电器本体检查安装主要√√√√√√ 2-1.0.22.4 母联间隔封闭式组合电器本体检查安装主要√√√√√√ 2-1.0.22.5 Ⅱ 母 PT 间隔封闭式组合电器本体检查安装主要√√√√√√ 2-1.0.22.6 电南#1 线间隔封闭式组合...

1、当您付费下载文档后,您只拥有了使用权限,并不意味着购买了版权,文档只能用于自身使用,不得用于其他商业用途(如 [转卖]进行直接盈利或[编辑后售卖]进行间接盈利)。
2、本站所有内容均由合作方或网友上传,本站不对文档的完整性、权威性及其观点立场正确性做任何保证或承诺!文档内容仅供研究参考,付费前请自行鉴别。
3、如文档内容存在违规,或者侵犯商业秘密、侵犯著作权等,请点击“违规举报”。

碎片内容

220KV南票变电站工程质量检查验评项目划分表

您可能关注的文档

确认删除?
VIP
微信客服
  • 扫码咨询
会员Q群
  • 会员专属群点击这里加入QQ群
客服邮箱
回到顶部