电脑桌面
添加小米粒文库到电脑桌面
安装后可以在桌面快捷访问

结构设计原理计算书简支T型梁VIP免费

结构设计原理计算书简支T型梁_第1页
1/25
结构设计原理计算书简支T型梁_第2页
2/25
结构设计原理计算书简支T型梁_第3页
3/25
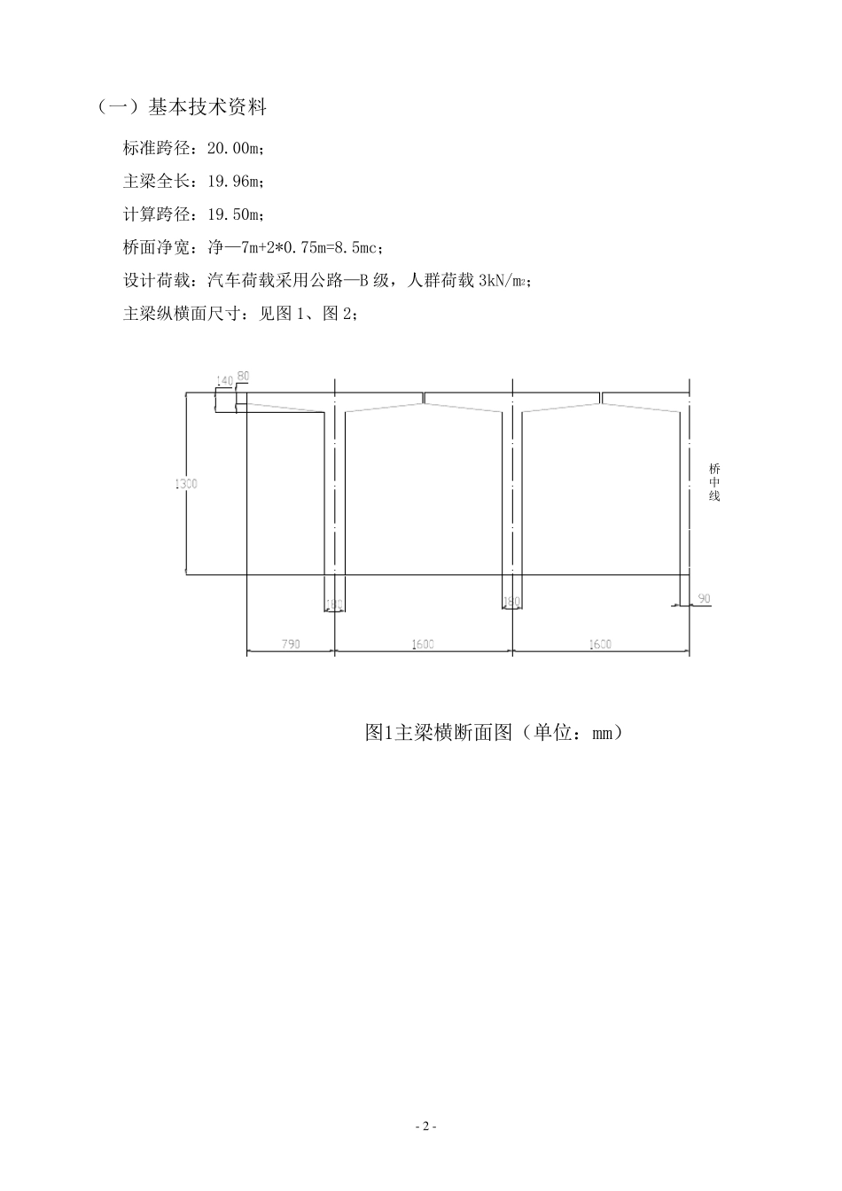
- 1 - 钢筋混凝土简支T 梁桥 主梁配筋设计计算书 专 业 : 班 级 : 学 号 : 姓 名 : - 2 - (一)基本技术资料 标准跨径:20.00m; 主梁全长:19.96m; 计算跨径:19.50m; 桥面净宽:净—7m+2*0.75m=8.5mc; 设计荷载:汽车荷载采用公路—B 级,人群荷载 3kN/m2; 主梁纵横面尺寸:见图 1、图 2; 桥中线图1主梁横断面图(单位:mm) - 3 - 图 2 主 梁 纵 断 面 图 (单位:mm)主 梁 中 线支 座 中 心 线17(内)15(外)16(内)14(外) 梁控制截面的作用效应设计值: (1 )用于承载能力极限状态计算的作用效应组合设计值 跨中截面弯矩组合设计值1, 21 8 9 2 .7 4dMKNm,其他各截面弯矩可近似按抛物线变化计算。 支 点 截面剪 力组合设计值,03 6 7 .2dVKN,跨中截面剪 力组合设计值1, 26 4 .2dVKN,其他截面可近似按直线变化计算。 (2)用于正常使用极限状态计算的作用效用组合设计值(梁跨中截面) 恒载标准值产生的弯矩 7 5 0GKMKNm 不计冲击力的汽车荷载标准值产生的弯矩 15 6 2 .4QKMKNm 短期荷载效应组合弯矩计算值为 1 1 9 8 .6 8SMKNm 长期荷载效应组合弯矩计算值为 1 0 0 2 .4 6lMKNm 人群荷载标准值产生的弯矩值为 25 5QKMKNm 材料要求: (1)梁体采用C25 混凝土,抗压设计强度1 1 .5cdfMpa; (2)主筋采用HRB335 钢筋,抗拉设计强度2 8 0sdfMpa。 - 4 - (二) 截面钢筋计算 一、 跨中截面的纵向受拉钢筋的计算 由设计资料查附表得1 1 .5cdfMpa,1 .2 3tdfMpa2 8 0sdfMpa,0 .5 6b,01 .0,弯矩计算值01, 21 8 9 2 .7 4dMMKNm 1、计算T 形截面梁受压翼板的有效宽度: 1600(1580)18080140130013001101801600(1580)( a)( b)图 2 跨中截面尺寸图(尺寸单位:mm) 为了便于计算,将图 2(a)的实际 T 型截面换算成图 2(b)所示的计算截面8 01 4 01 1 02fhmm  其余尺寸不变。 - 5 - 内梁的受压翼板的有效宽度取以下三者中的最小值 : (1)0111 9 5 0 06 5 0 033fbLmm  (0L 为主梁计算跨径) (2)21 21 8 0201 21 1 01 5 0 0fhfbbbhmm (3)1 6 0 0fbmm (等于相邻两梁轴线间的距离) 取上述三个数据中最小的值,故取1 5...

1、当您付费下载文档后,您只拥有了使用权限,并不意味着购买了版权,文档只能用于自身使用,不得用于其他商业用途(如 [转卖]进行直接盈利或[编辑后售卖]进行间接盈利)。
2、本站所有内容均由合作方或网友上传,本站不对文档的完整性、权威性及其观点立场正确性做任何保证或承诺!文档内容仅供研究参考,付费前请自行鉴别。
3、如文档内容存在违规,或者侵犯商业秘密、侵犯著作权等,请点击“违规举报”。

碎片内容

结构设计原理计算书简支T型梁

小辰6+ 关注
实名认证
内容提供者

出售各种资料和文档

确认删除?
VIP
微信客服
  • 扫码咨询
会员Q群
  • 会员专属群点击这里加入QQ群
客服邮箱
回到顶部