电脑桌面
添加小米粒文库到电脑桌面
安装后可以在桌面快捷访问

轨检小车测量原理VIP免费

轨检小车测量原理_第1页
1/12
轨检小车测量原理_第2页
2/12
轨检小车测量原理_第3页
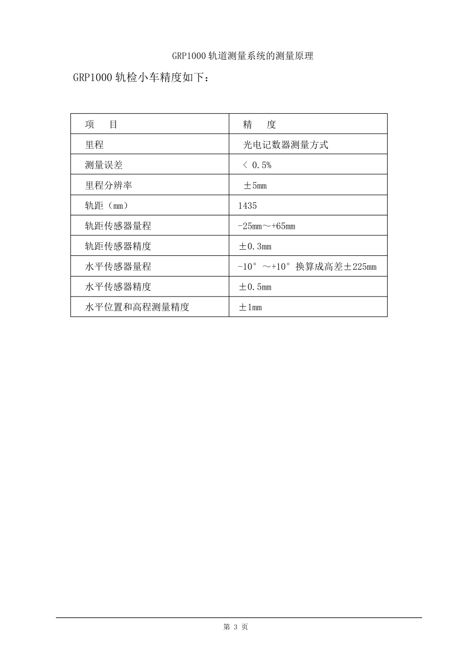
3/12
第 1 页 轨 检 小 车 测 量 原 理 技 术 规 格 轨 道 的 任 务 是 确 保 列 车 按 规 定 的 速 度 安 全 平 稳 不 间 断 运 行 , 因 此轨 道 几 何 状 态 亦 应 保 持 与 列 车 运 行 相 匹 配 的 规 定 状 态 。 随 着 客 运 专线 等 高 速 线 路 的 建 设 , 列 车 速 度 将 大 幅 提 高 , 对 轨 道 几 何 形 位 标 准要 求 也 是 越 来 越 高 , 故 而 采 取 动 态 检 测 的 周 期 也 越 来 越 短 , 但 静 态检 测 还 不 能 完 全 由 动 态 检 测 来 替 代 , 因 为 静 态 检 测 可 随 时 , 测 量 轨道 的 几 何 形 位 , 指 导 施 工 和 维 修 作 业 。 列 车 运 行 速 度 越 高 , 轨 道 几何 形 位 允 许 偏 差 越 小 , 传 统 的 轨 道 检 测 工 具 , 例 如 道 尺 等 已 不 能 满足 量 测 精 度 要 求 , 使 用 轨 检 小 车 测 量 轨 道 几 何 形 位 势 在 必 行 , 这 也是 铁 路 检 测 工 具 现 代 化 的 重 要 标 志 之 一。 使 用 设 备仪器 轨 道 检 测 小 车 是 一种检 测 静 态 轨 道 不 平 顺的 便捷工 具 。 它采 用 电测 传 感器、专 用 便携式计算机等 先进检 测 和 数据处理 设 备, 可 检 测 高 低、水平 、扭曲、轨 向等 轨 道 不 平 顺参数。 国外铁 路 在 动 静 态 不 平 顺差 异较小 的 高 平 顺线路 、无 碴 轨 道 线 路 , 以 及 在 新 线 施 工 中 , 整 道 、检 查 铺 设 精 度 、验 收 作 业 质量 时 , 广 泛 应 用 轨 道 检 测 小 车 。 GRP1000 测 量 系 统 主 要 由 手 推 式轨 检 小 车 和 分 析 软 件 包 两 大 部 分 组 成 。 即可 单 独 测 量 轨 道 水平 , 轨 距 等 相 对 结 合 参数, 也 可 配 合LEICA TPS 全 站 仪来实 现 平 面 位 置 和 高 程 的 绝 对 定 位 测 量 , 上 述 绝 对 定 位 测 量 通 过 全 站 仪的 自 动第 2 页 目标照准功能以及与GRP1000 之间持续无线电通讯来完成。 测量外业完成后,系统能产生轨...

1、当您付费下载文档后,您只拥有了使用权限,并不意味着购买了版权,文档只能用于自身使用,不得用于其他商业用途(如 [转卖]进行直接盈利或[编辑后售卖]进行间接盈利)。
2、本站所有内容均由合作方或网友上传,本站不对文档的完整性、权威性及其观点立场正确性做任何保证或承诺!文档内容仅供研究参考,付费前请自行鉴别。
3、如文档内容存在违规,或者侵犯商业秘密、侵犯著作权等,请点击“违规举报”。

碎片内容

轨检小车测量原理

小辰+ 关注
实名认证
内容提供者

出售各种文档和资料

确认删除?
VIP
微信客服
  • 扫码咨询
会员Q群
  • 会员专属群点击这里加入QQ群
客服邮箱
回到顶部