电脑桌面
添加小米粒文库到电脑桌面
安装后可以在桌面快捷访问

最新蒸压加气混凝土砌块gb11968—2018-7-18VIP专享VIP免费

最新蒸压加气混凝土砌块gb11968—2018-7-18_第1页
1/7
最新蒸压加气混凝土砌块gb11968—2018-7-18_第2页
2/7
最新蒸压加气混凝土砌块gb11968—2018-7-18_第3页
3/7
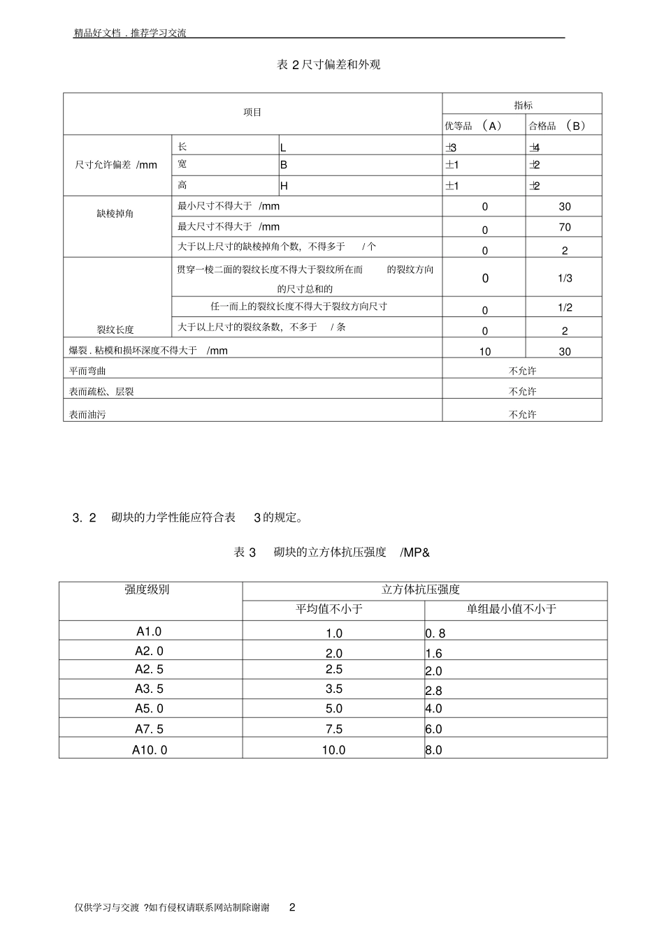
將品好文档 . 推荐学习交涼仅供学习与交潦,如冇侵权请联系网站刪除谢谢11、 主要内容与适用范围本标准规定了蒸压加气混凝土砌块的产品分类、技术要求、试验方法、检验规则和产品质量说明书、堆放和运输。本标准适用于作民用与工业建筑物墙体和绝热使用的蒸压加气混凝土砌块(以下简称砌块)。2、 产品分类2. 1 规格砌块的规格尺寸见表1表 1 砌块的规格尺寸单位为亳米长度 L宽度 B高度 H600100120125200 240250 300150180200240250300注:如需其化 k 规格,可山供需双方协商解决2. 2 砌块按强度和干密度分级强度等级有: Al. 0, A2. 0, A2. 5, A3. 5, A5. 0, A7. 5, A10 七个级别。干密度级别有: B03, B04, B05, B06, B07, B08 六个级别。2. 3 砌块等级砌块按尺寸偏差和外观质量、干密度、抗压强度和抗冻性分为:优等品(A)、 合格品 (B)二个等级。2.4 砌块产品标记示例:强度级别为A3. 5、干密度级别为B05、优等规格尺寸为600mmX200mniX250mni 的蒸压加气混凝土砌块,其标记为:ABC A3. 5 B05 600X200X250A GB 11968 3、 技术要求3.1 砌块的尺寸偏差和外观应符合表2 的规定。精品好文档 . 推荐学习交流仅供学习与交渡 ?如冇侵权请联系网站制除谢谢2表 2 尺寸偏差和外观项目指标优等品 (A)合格品 (B)尺寸允许偏差 /mm长L±3±4宽B± 1±2高H± 1±2缺棱掉角最小尺寸不得大于 /mm030最大尺寸不得大于 /mm070大于以上尺寸的缺棱掉角个数,不得多于/ 个02裂纹长度贯穿一棱二面的裂纹长度不得大于裂纹所在而的裂纹方向的尺寸总和的01/3任一而上的裂纹长度不得大于裂纹方向尺寸01/2大于以上尺寸的裂纹条数,不多于/ 条02爆裂 . 粘模和损坏深度不得大于/mm1030平而弯曲不允许表而疏松、层裂不允许表而油污不允许3. 2 砌块的力学性能应符合表3 的规定。表 3 砌块的立方体抗压强度/MP&强度级别立方体抗压强度平均值不小于单组最小值不小于A1.01.00. 8A2. 02.01.6A2. 52.52.0A3. 53.52.8A5. 05.04.0A7. 57.56.0A10. 010.08.0精品好文档 . 推荐学习交流仅供学习与交渡 ?如冇侵权请联系网站制除谢谢3表 4 砌块的干密度kg/m 3干密度级别B03B04B05B06B07B08干密度优等品 (A) W300400500600700800优等品 (B) W325425525625725825表5砌块的强度级别干密度级别B03B04B05B06B07B08强度级别优等品 (A)A1.0A2. 0A2. 5A5. 0A7. 5A10. 0优等品 (B...

1、当您付费下载文档后,您只拥有了使用权限,并不意味着购买了版权,文档只能用于自身使用,不得用于其他商业用途(如 [转卖]进行直接盈利或[编辑后售卖]进行间接盈利)。
2、本站所有内容均由合作方或网友上传,本站不对文档的完整性、权威性及其观点立场正确性做任何保证或承诺!文档内容仅供研究参考,付费前请自行鉴别。
3、如文档内容存在违规,或者侵犯商业秘密、侵犯著作权等,请点击“违规举报”。

碎片内容

最新蒸压加气混凝土砌块gb11968—2018-7-18

确认删除?
VIP
微信客服
  • 扫码咨询
会员Q群
  • 会员专属群点击这里加入QQ群
客服邮箱
回到顶部