电脑桌面
添加小米粒文库到电脑桌面
安装后可以在桌面快捷访问

机房接地及防雷检查操作指引讲解VIP免费

机房接地及防雷检查操作指引讲解_第1页
1/14
机房接地及防雷检查操作指引讲解_第2页
2/14
机房接地及防雷检查操作指引讲解_第3页
3/14
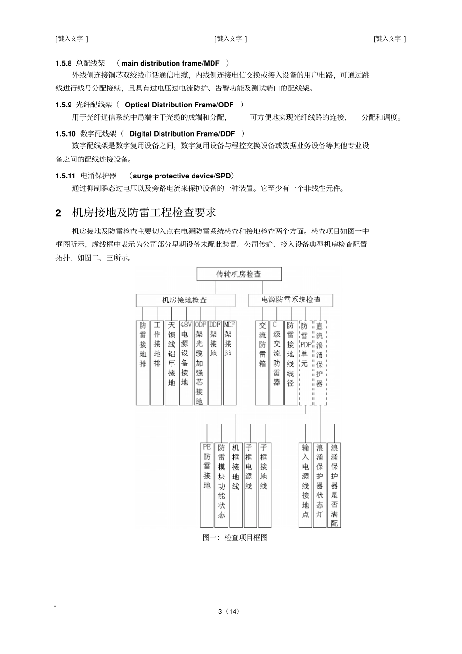
[键入文字 ] [键入文字 ] [键入文字 ] 1( 14)【主题】机房接地及防雷检查操作指南目录0 版本记录 ................................................................................................................................................ 21 主要内容与适用范围 ............................................................................................................................ 21.1 主要内容 ................................................................................................................................ 21.2 适用范围 ................................................................................................................................ 21.3 使用部门和发放范围............................................................................................................. 21.4 引用标准规范 ......................................................................................................................... 21.5 术语符号 ................................................................................................................................ 22 机房接地及防雷工程检查要求............................................................................................................. 32.1 检查项目 ................................................................................................................................ 42.2 检查过程照片存档................................................................................................................. 6附录 A :机房接地及防雷检查项目反馈表................................................................................................. 7附录 B:机房接地及防雷工程背景知识介绍............................................................................................. 8B.1 机房接地拓扑结构................................................................................................................. 8B.2 串型接地方式的接地案例.......................

1、当您付费下载文档后,您只拥有了使用权限,并不意味着购买了版权,文档只能用于自身使用,不得用于其他商业用途(如 [转卖]进行直接盈利或[编辑后售卖]进行间接盈利)。
2、本站所有内容均由合作方或网友上传,本站不对文档的完整性、权威性及其观点立场正确性做任何保证或承诺!文档内容仅供研究参考,付费前请自行鉴别。
3、如文档内容存在违规,或者侵犯商业秘密、侵犯著作权等,请点击“违规举报”。

碎片内容

机房接地及防雷检查操作指引讲解

您可能关注的文档

确认删除?
VIP
微信客服
  • 扫码咨询
会员Q群
  • 会员专属群点击这里加入QQ群
客服邮箱
回到顶部