电脑桌面
添加小米粒文库到电脑桌面
安装后可以在桌面快捷访问

某车型操稳性试验标准流程VIP免费

某车型操稳性试验标准流程_第1页
1/5
某车型操稳性试验标准流程_第2页
2/5
某车型操稳性试验标准流程_第3页
3/5
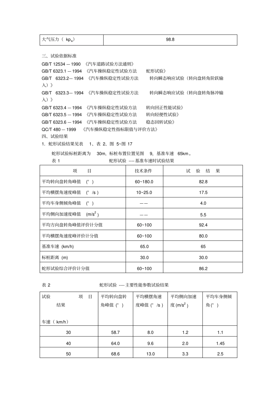
一、概述汽车操纵稳定性是高速汽车安全行驶的一个主要性能。被称之为“高速车辆的生命线”,课题组依据合同书的要求,将汽车作为开路控制系统,依据国家GB/T 6323— 1994《汽车操纵稳定性试验方法》,求出改进后汽车整车曲线行驶的时域响应和频域响应,根据试验结果,评价车辆的操纵稳定性能。二、试验条件1.试验车辆装载质量试验车辆按使用说明书规定,装备齐全,为最大总质量状态。装载物为砂桶,均布于货箱内。试验车辆装载质量( kg)按 5 人加载 +100kg 2.试验仪器设备仪 器 设 备 名 称准确度汽车操纵稳定性测试仪(QCW-1A )侧倾角:± 0.1° ;角速度:±3%;加速度± 3% 非接触速度计(LC660S)±0.1% 转向力角测量仪(AM-2012 )力:± 0.5%;角度:± 0.4% 直径: 400mm 磁带记录器( TEAC MR-30 )±0.5% FFT 数据分析仪——卷尺( 30m)二级3.试验场地及试验气象条件3.1 试验场地试验在交通部公路试验场进行。试验场地路面状况如下:1.稳 态 回 转2. 转 向 回 正 (低速)3.蛇 形 试 验4.转向轻便性试验3.2 试验气象条件车型试验日期2004 年 3 月 12 日~16 日天气晴,有时多云气温 (℃) 5~10 风速 (m/s) < 2.0 风向西大气压力( kpa)98.8 三、试验依据标准GB/T 12534 — 1990 《汽车道路试验方法通则》GB/T 6323.1 — 1994 《汽车操纵稳定性试验方法蛇形试验》GB/T 6323.2— 1994 《汽车操纵稳定性试验方法转向瞬态响应试验(转向盘转角阶跃输入)》GB/T 6323.3— 1994 《汽车操纵稳定性试验方法转向瞬态响应试验(转向盘转角脉冲输入)》GB/T 6323.4 — 1994 《汽车操纵稳定性试验方法转向回正性能试验》GB/T 6323.5 — 1994 《汽车操纵稳定性试验方法转向轻便性试验》GB/T 6323.6 — 1994 《汽车操纵稳定性试验方法稳态回转试验》QC/T 480 — 1999 《汽车操纵稳定性指标限值与评价方法》四、试验结果1.蛇形试验结果见表1、表 2、图 5~图 17 蛇形试验标桩距离为30m, 标桩布置位置见图9,基准车速65km 。表 1 蛇形试验 ----基准车速时试验结果项目技术条件试验结果平均转向盘转角峰值(° ) 60~180.0 82.8 平均横摆角速度峰值(° /s ) 10~25.0 17.5 平均车身侧倾角峰值(° ) ——4.0 平均侧向加速度峰值(m/s2 ) ——5.5 平均方向盘转角峰值评价计分值60~100 92.4 平均横摆角速度峰评价计分值60~100 80.0...

1、当您付费下载文档后,您只拥有了使用权限,并不意味着购买了版权,文档只能用于自身使用,不得用于其他商业用途(如 [转卖]进行直接盈利或[编辑后售卖]进行间接盈利)。
2、本站所有内容均由合作方或网友上传,本站不对文档的完整性、权威性及其观点立场正确性做任何保证或承诺!文档内容仅供研究参考,付费前请自行鉴别。
3、如文档内容存在违规,或者侵犯商业秘密、侵犯著作权等,请点击“违规举报”。

碎片内容

某车型操稳性试验标准流程

确认删除?
VIP
微信客服
  • 扫码咨询
会员Q群
  • 会员专属群点击这里加入QQ群
客服邮箱
回到顶部