电脑桌面
添加小米粒文库到电脑桌面
安装后可以在桌面快捷访问

柔性卡箍式离心排水铸铁管施工技术VIP免费

柔性卡箍式离心排水铸铁管施工技术_第1页
1/8
柔性卡箍式离心排水铸铁管施工技术_第2页
2/8
柔性卡箍式离心排水铸铁管施工技术_第3页
3/8
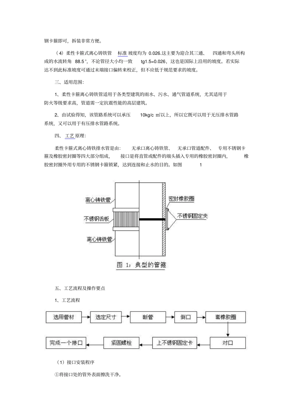
柔性卡箍式离心排水铸铁管施工技术2010-3-31 9:41【大 中 小】【打印】【我要纠错】一、前言随着新型现代化建筑的不断兴起,市场对建筑材料的要求越来越高。建筑物排水系统所用的管材走过了一个漫长的历程,自起初普遍使用的承插铸铁管,到流行至今的UPVC 塑料管,都在实际应用中暴露出了一些缺点。而柔性卡箍式离心铸铁管近几年才进入国内市场,就以它优良的性能引起行业界极大的关注。深圳市民中心工程雨水系统和污水系统采用了卡箍式离心铸铁排水管。二、特点1、材质特点:管材以灰口铸铁为原料,经离心浇注而成。材质本身坚固、耐用、耐高温,具有抗腐蚀性能。铸铁管的减低噪音能力是UPVC 塑料管的 7.5倍,尤其适用防火等级要求高,管道需一定抗震性能的高层建筑。2、与传统管材比较:柔性卡箍离心铸铁管、承插铸铁管和PVC 塑料管比较具有如下特点:名 称外观抗老化防火噪音抗 伸 缩性柔 性 抗震耐用畅通安装维修设 计 溶合卡箍管优优优优优优优优优优优PVC 管优差差差差优差优优优优承插管差优优优优良优差差差差3、工法 特点(1)卡箍式离心铸铁管采用不锈钢卡箍连接,管与管或管与配件之间属于对口连接,在该部位外套一层橡胶密封圈,再用不锈钢卡箍进行紧箍,属于柔性接口, 可以解决有一定弧度敷设的排水管线,同时可以抗震。(2)卡箍接口仅能承受有限的轴向拉力和垂直于轴向的剪切力。在水平方向安装时,每根直管必须有两个支架,而且必须有一个是固定支架;在垂直方向安装时,其承受的剪切力很小, 主要承受垂直方向的压力,每根管道只需一个支架定位即可,但立管底部转向处必须设一个加强型支架,以消除可能的垂直方向的冲击力和水平方向的反冲击力。(3)还有一个传统排水管无法具备的特点:在更换任意一根管或配件时,不用拆除相邻管段, 只需松开被拆管段或配件两头卡箍,直接更换相同尺寸的管段,然后重新紧箍不锈钢卡箍即可,拆装非常方便。( 4)柔性卡箍式离心铸铁管标准 坡度均为 0.026.这主要为迎合其三通、四通和弯头所构成的水流转角 88.5 °,不论管径大小均一致tg1.5=0.026,这也是国际上沿用的坡度。若实际达不到此标准坡度可通过末端接口偏转来校正,但不应低于规范要求的坡度。三、适用范围:1、柔性卡箍离心铸铁管适用于各类型建筑的雨水、污水、通气管道系统,尤其适用于防火等级要求高,管道需一定抗震性能的高层建筑。2、由试验得知,该管路系统可以承压10kg/c ㎡以上,所以它既可以用...

1、当您付费下载文档后,您只拥有了使用权限,并不意味着购买了版权,文档只能用于自身使用,不得用于其他商业用途(如 [转卖]进行直接盈利或[编辑后售卖]进行间接盈利)。
2、本站所有内容均由合作方或网友上传,本站不对文档的完整性、权威性及其观点立场正确性做任何保证或承诺!文档内容仅供研究参考,付费前请自行鉴别。
3、如文档内容存在违规,或者侵犯商业秘密、侵犯著作权等,请点击“违规举报”。

碎片内容

柔性卡箍式离心排水铸铁管施工技术

确认删除?
VIP
微信客服
  • 扫码咨询
会员Q群
  • 会员专属群点击这里加入QQ群
客服邮箱
回到顶部