电脑桌面
添加小米粒文库到电脑桌面
安装后可以在桌面快捷访问

LCD1602和LM016l中文资料VIP免费

LCD1602和LM016l中文资料_第1页
1/6
LCD1602和LM016l中文资料_第2页
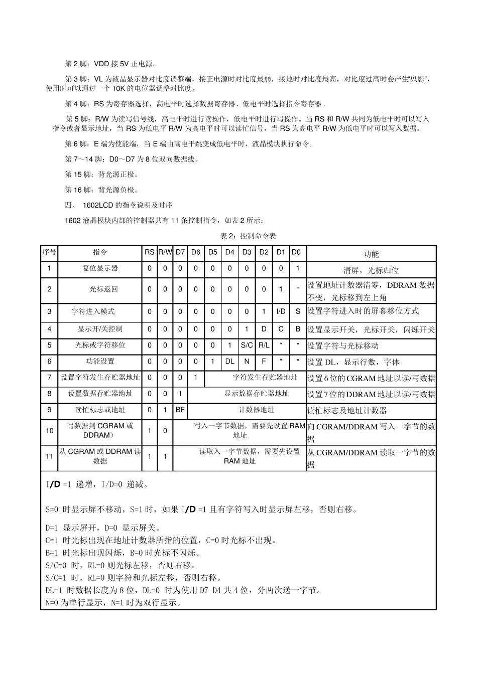
2/6
LCD1602和LM016l中文资料_第3页
3/6
LCD1602 中文资料 在日常生活中,我们对液晶显示器并不陌生。液晶显示模块已作为很多电子产品的通过器件,如在计算器、万用表、电子表及很多家用电子产品中都可以看到,显示的主要是数字、专用符号和图形。在单片机的人机交流界面中,一般的输出方式有以下几种:发光管、LED 数码管、液晶显示器。发光管和 LED 数码管比较常用,软硬件都比较简单, 在单片机系统中应用晶液显示器作为输出器件有以下几个优点:(1)显示质量高,由于液晶显示器每一个点在收到信号后就一直保持那种色彩和亮度,恒定发光,而不像阴极射线管显示器(CRT)那样需要不断刷新新亮点。因此,液晶显示器画质高且不会闪烁。(2)数字式接口,液晶显示器都是数字式的,和单片机系统的接口更加简单可靠,操作更加方便。(3)体积小、重量轻,液晶显示器通过显示屏上的电极控制液晶分子状态来达到显示的目的,在重量上比相同显示面积的传统显示器要轻得多。(4)功耗低,相对而言,液晶显示器的功耗主要消耗在其内部的电极和驱动 IC 上,因而耗电量比其它显示器要少得多。 一、液晶显示简介 1、液晶显示原理:液晶显示的原理是利用液晶的物理特性,通过电压对其显示区域进行控制,有电就有显示,这样即可以显示出图形。液晶显示器具有厚度薄、适用于大规模集成电路直接驱动、易于实现全彩色显示的特点,目前已经被广泛应用在便携式电脑、数字摄像机、PDA 移动通信工具等众多领域。 2、液晶显示器的分类:液晶显示的分类方法有很多种,通常可按其显示方式分为段式、字符式、点阵式等。除了黑白显示外,液晶显示器还有多灰度有彩色显示等。如果根据驱动方式来分,可以分为静态驱动(Static)、单纯矩阵驱动(Simple Matrix)和主动矩阵驱动(Active Matrix)三种。 3、液晶显示器各种图形的显示原理: 线段的显示:点阵图形式液晶由 M×N 个显示单元组成,假设 LCD 显示屏有 64 行,每行有 128 列,每 8 列对应 1 字节的8 位,即每行由 16 字节,共 16×8=128 个点组成,屏上 64×16 个显示单元与显示RAM 区 1024 字节相对应,每一字节的内容和显示屏上相应位置的亮暗对应。例如屏的第一行的亮暗由 RAM 区的000H——00FH 的16 字节的内容决定,当(000H)=FFH 时,则屏幕的左上角显示一条短亮线,长度为8 个点;当(3FFH)=FFH 时,则屏幕的右下角显示一条短亮线;当(000H)=FFH,(001H)=00H,(002H)=00H,……(00EH)=00H,(...

1、当您付费下载文档后,您只拥有了使用权限,并不意味着购买了版权,文档只能用于自身使用,不得用于其他商业用途(如 [转卖]进行直接盈利或[编辑后售卖]进行间接盈利)。
2、本站所有内容均由合作方或网友上传,本站不对文档的完整性、权威性及其观点立场正确性做任何保证或承诺!文档内容仅供研究参考,付费前请自行鉴别。
3、如文档内容存在违规,或者侵犯商业秘密、侵犯著作权等,请点击“违规举报”。

碎片内容

LCD1602和LM016l中文资料

确认删除?
VIP
微信客服
  • 扫码咨询
会员Q群
  • 会员专属群点击这里加入QQ群
客服邮箱
回到顶部