电脑桌面
添加小米粒文库到电脑桌面
安装后可以在桌面快捷访问

LM358典型应用电路图VIP免费

LM358典型应用电路图_第1页
1/10
LM358典型应用电路图_第2页
2/10
LM358典型应用电路图_第3页
3/10
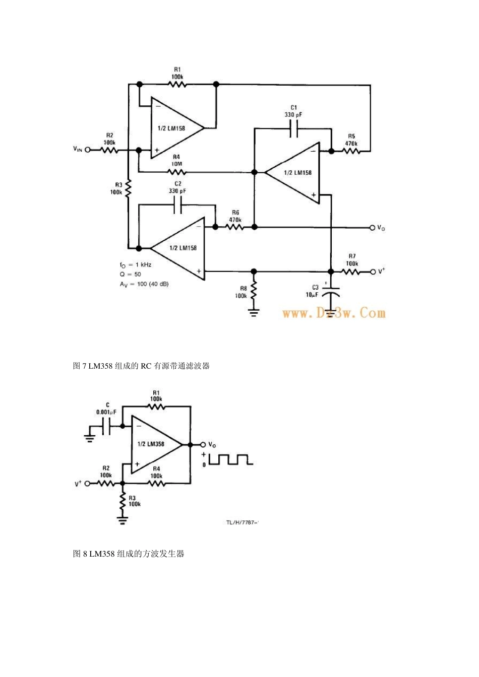
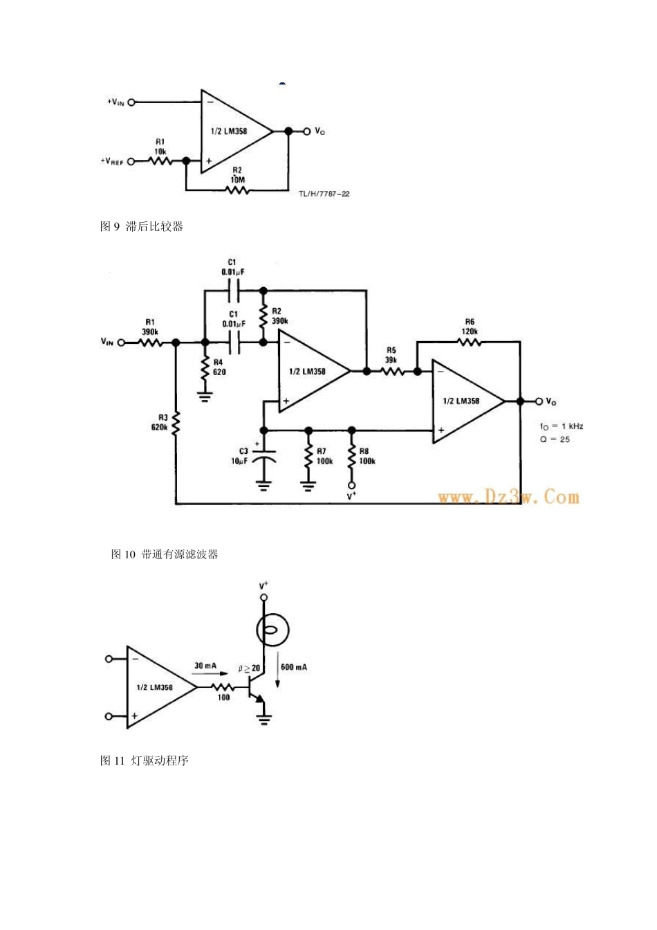
LM358 典型应用电路图 图4 LM358 组成的直流耦合低通 RC 有源滤波器 图5 LM358 组成的LED 驱动器 图6 LM358 组成的TTL 驱动电路 图7 LM358 组成的RC 有源带通滤波器 图8 LM358 组成的方波发生器 图9 滞后比较器 图1 0 带通有源滤波器 图1 1 灯驱动程序 图1 2 电流* 器 图1 3 低漂移峰值检测器 图14 电压跟随器 图15 功率放大器外围电路 图16 LM358 电压控制振荡器VCO 图1 7 固定电流源 图1 8 脉冲发生器 图1 9 交流耦合反相放大器 图2 0 交流耦合非反相放大器 图2 1 可调增益仪表放大器 图2 2 直流放大器 图2 3 脉冲发生器 图2 4 桥式电流放大器 图2 5 引用差分输入信号 图26 直流差动放大器 本文来自: DZ3W.COM 原文网址:http://www.dz3w.com/info/commonIC/0082527.html

1、当您付费下载文档后,您只拥有了使用权限,并不意味着购买了版权,文档只能用于自身使用,不得用于其他商业用途(如 [转卖]进行直接盈利或[编辑后售卖]进行间接盈利)。
2、本站所有内容均由合作方或网友上传,本站不对文档的完整性、权威性及其观点立场正确性做任何保证或承诺!文档内容仅供研究参考,付费前请自行鉴别。
3、如文档内容存在违规,或者侵犯商业秘密、侵犯著作权等,请点击“违规举报”。

碎片内容

LM358典型应用电路图

您可能关注的文档

小辰5+ 关注
实名认证
内容提供者

出售各种资料和文档

确认删除?
VIP
微信客服
  • 扫码咨询
会员Q群
  • 会员专属群点击这里加入QQ群
客服邮箱
回到顶部