电脑桌面
添加小米粒文库到电脑桌面
安装后可以在桌面快捷访问

LZB系列玻璃转子流量计VIP免费

LZB系列玻璃转子流量计_第1页
1/9
LZB系列玻璃转子流量计_第2页
2/9
LZB系列玻璃转子流量计_第3页
3/9
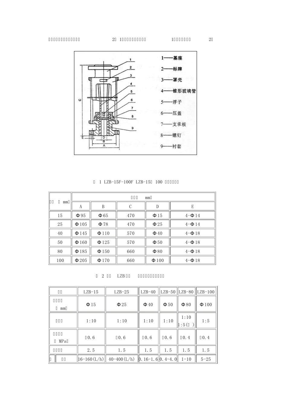
LZB 系列玻璃转子流量计 [查看图片] 该流量计是一种瞬时指示型仪表,有基型LZB 系列和耐腐型LZB- F 系列,前者主要用来测量气体或液体介质的单相脉动的流量,后者则测量具有腐蚀性的气体或液体介质的单相非脉动的流量,具有结构简单,价格便宜,测量范围大,直观等优点,广泛用于化工生产中。 玻璃转子流量计安装使用说明 一、 概述 二、 原理与结构 三、 安装和使用 四、 流量计示值修正 五、流量计的误差表示 一、 概述 玻璃转子流量计(以下简称流量计)主要用于化工、石油、轻工、医药、化肥、化纤、食品、染料、造纸、环保及科学研究等部门中,用来测量气体或液体介质的单相非脉动的流量。 耐腐蚀型流量计主要用于有腐蚀性液体,气体介质计量等部门的物质生产工艺过程中用来检测强酸(氢氟酸除外)、强碱、氧化计,强氧化性酸,有机溶剂和其它具有腐蚀性气体或液体介质的单相非脉动饿流量。 二、原理与结构 流量计的主要测量元件为一根小端向下、大端想上垂直安装的锥形玻璃管及在其内可以向下移动的浮子。当流体自下而上流经锥玻璃时,在浮子上、下之间产生压差、浮子在此差压作用下上升。当使浮子上升的力与浮子所受的重力、浮力及粘性力三者的合力相等时,浮子处于平衡位置。因此,流经流量计的流体流量与浮子上升高度,即与流量计的流通面积之间存在着一定的比例关系,浮子的位置高度可作为流量流度。 流量计的读数按图1 所示的读数位置读取出示值。 图 1 浮子读数位置图 我厂生产的流量计有基型LZB 系列。它们主要有锥形玻璃管、浮子、上基座、下基座、上止档、下止档、支承板、外罩、密封圈等组成。均采用法兰接(法兰接GB2555— 81 铸铁法兰规定)。通径50mm 以上流量计带导杆,能使浮子上下移动稳定,并保护锥形 玻璃管,以免碰损。结构见图2— 1,外型与连接尺寸见表1,技术参数见表2。 表 1 LZB-15F-100F LZB-15~ 100 外型安装尺寸 口径( mm) 尺寸(mm) A B C D E 15 Φ 95 Φ 65 470 Φ 15 4-Φ 14 25 Φ 105 Φ 78 470 Φ 25 4-Φ 14 40 Φ 145 Φ 110 570 Φ 40 4-Φ 18 50 Φ 160 Φ 125 570 Φ 50 4-Φ 18 80 Φ 185 Φ 150 660 Φ 80 4-Φ 18 100 Φ 205 Φ 170 660 Φ 100 4-Φ 18 表 2 基型LZB 系列 玻璃转子流量计技术参数 型号 LZB-15 LZB-25 LZB-40 LZB-50 LZB-80 LZB-100 公称通径(...

1、当您付费下载文档后,您只拥有了使用权限,并不意味着购买了版权,文档只能用于自身使用,不得用于其他商业用途(如 [转卖]进行直接盈利或[编辑后售卖]进行间接盈利)。
2、本站所有内容均由合作方或网友上传,本站不对文档的完整性、权威性及其观点立场正确性做任何保证或承诺!文档内容仅供研究参考,付费前请自行鉴别。
3、如文档内容存在违规,或者侵犯商业秘密、侵犯著作权等,请点击“违规举报”。

碎片内容

LZB系列玻璃转子流量计

您可能关注的文档

确认删除?
VIP
微信客服
  • 扫码咨询
会员Q群
  • 会员专属群点击这里加入QQ群
客服邮箱
回到顶部