电脑桌面
添加小米粒文库到电脑桌面
安装后可以在桌面快捷访问

《室内空气质量标准》知多少VIP免费

《室内空气质量标准》知多少_第1页
1/7
《室内空气质量标准》知多少_第2页
2/7
《室内空气质量标准》知多少_第3页
3/7
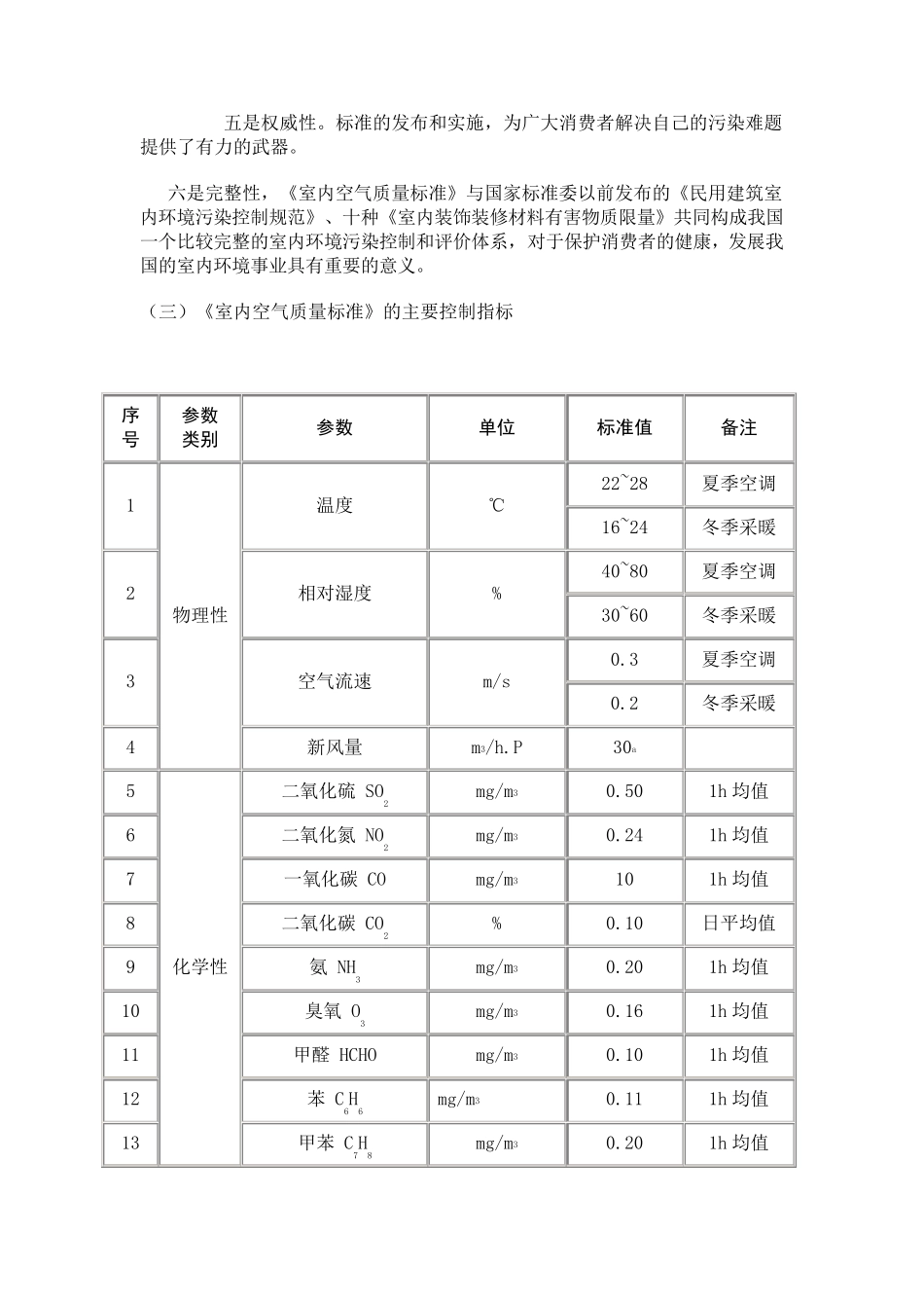
《 室 内 空 气 质 量 标 准 》 知 多 少 ? 我 国 第 一 部 《 室 内 空 气 质 量 标 准 》 即 将 3 月 1 日 正 式 实 施 。 宣 传 和 贯 彻《 室 内 空 气 质 量 标 准 》 , 对 于 不 断 提 高 人 们 的 室 内 环 境 意 识 , 促 进 与 室 内 环 境 有关 的 行 业 和 企 业 从 室 内 环 境 方 面 规 范 自 己 的 行 为 , 保 障 人 民 的 身 体 健 康 , 具 有 十分 重 要 的 意 义 。 但 是 , 作 为 消 费 者 是 否 了 解 这 部 标 准 ? 怎 样 才 能 用 标 准 来 保 护 自己 呢 ? 为 此 ,曾 经 参 与 标 准 讨 论 和 制 定 工 作 的 中 国 室 内 装 饰 协 会 室 内 环 境 监 测 中心 宋 广 生 主 任 就 读 者 关 心 的 问 题 进 行 了 回 答 : ( 一 ) 制 订 《 室 内 空 气 质 量 标 准 》 的 指 导 思想 ( 1) 原则性。 《 室 内 空 气 质 量 标 准 》 是 以国 家有 关 人 民 健 康 的 有 关 方 针政策和法规 为 依据, 以保 护 人 体 健 康 为 最终目标 制 定 出来 的 。 ( 2) 科学性。 环 境 质 量 标 准 的 制 定 要 反映生 产实 践和 科研成果的 统一 。 室 内 环境 质 量 评价标 准 的 确定 , 是 在以环 境 卫生 基准 和 流行 病学调查基础上, 进 行 广 泛的 调研和 科学验证, 是 以充分 的 科学数据为 依据制 定 出来 的 。 ( 3) 特殊性。 标 准 在制 定 过程中 , 是 通过了 解 当前国 外室 内 环 境 保 护 的 现状和发展趋势, 有 选择地吸收国 外室 内 环 境 保 护 中 先进 的 部 分 , 紧密结合我 国 的 国情、环 境 特征、经 济技术条件而制 定 出来 的 。 ( 4) 可操作 性。 在制 订 过程中 充分 听取广 大社会 公众的 意 见, 使标 准 的 监 测 方法和 评价方 法配套, 保 证标 准 在实 际应用 中 具 有 可操作 性。 ( 二) 《 室 内 空 气 质 量 标 准 》 的 特点 一 是 国 际性。 标 准 中 引入了 室 内 空 气 质 量 这 个概念, 在借鉴国 外相关 标准 的...

1、当您付费下载文档后,您只拥有了使用权限,并不意味着购买了版权,文档只能用于自身使用,不得用于其他商业用途(如 [转卖]进行直接盈利或[编辑后售卖]进行间接盈利)。
2、本站所有内容均由合作方或网友上传,本站不对文档的完整性、权威性及其观点立场正确性做任何保证或承诺!文档内容仅供研究参考,付费前请自行鉴别。
3、如文档内容存在违规,或者侵犯商业秘密、侵犯著作权等,请点击“违规举报”。

碎片内容

《室内空气质量标准》知多少

确认删除?
VIP
微信客服
  • 扫码咨询
会员Q群
  • 会员专属群点击这里加入QQ群
客服邮箱
回到顶部