电脑桌面
添加小米粒文库到电脑桌面
安装后可以在桌面快捷访问

井巷摩擦阻力系数(Ns2m4)值(12kgm3)

井巷摩擦阻力系数(Ns2m4)值(12kgm3)_第1页
1/7
井巷摩擦阻力系数(Ns2m4)值(12kgm3)_第2页
2/7
井巷摩擦阻力系数(Ns2m4)值(12kgm3)_第3页
3/7
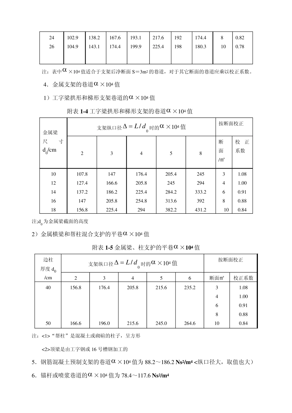
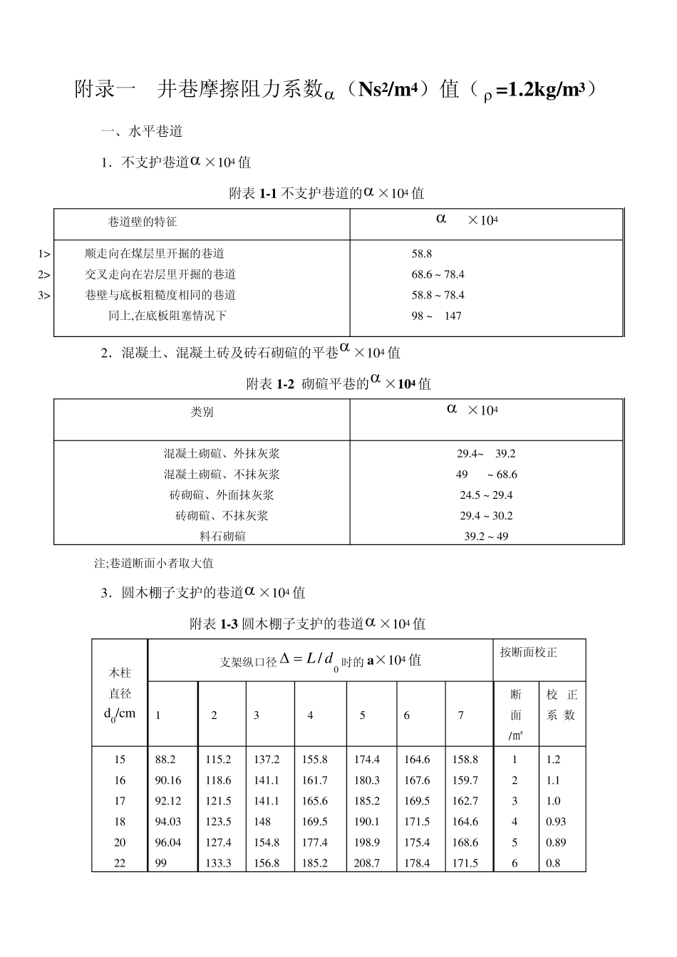
附录一 井巷摩擦阻力系数(Ns2/m4)值( =1.2kg/m3) 一、水平巷道 1.不支护巷道 ×104 值 附表 1-1 不支护巷道的 ×104 值 巷道壁的特征  ×104 1> 顺走向在煤层里开掘的巷道 2> 交叉走向在岩层里开掘的巷道 3> 巷壁与底板粗糙度相同的巷道 同上,在底板阻塞情况下 58.8 68.6 ~ 78.4 58.8 ~ 78.4 98 ~ 147 2.混凝土、混凝土砖及砖石砌碹的平巷 ×104 值 附表 1-2 砌碹平巷的 ×104 值 类别  ×104 混凝土砌碹、外抹灰浆 混凝土砌碹、不抹灰浆 砖砌碹、外面抹灰浆 砖砌碹、不抹灰浆 料石砌碹 29.4~ 39.2 49 ~ 68.6 24.5 ~ 29.4 29.4 ~ 30.2 39.2 ~ 49 注;巷道断面小者取大值 3.圆木棚子支护的巷道 ×104 值 附表 1-3 圆木棚子支护的巷道 ×104 值 木柱 直径 d0/cm 支架纵口径0/ dL时的 a×104 值 按断面校正 1 2 3 4 5 6 7 断 面 /㎡ 校 正系 数 15 16 17 18 20 22 88.2 90.16 92.12 94.03 96.04 99 115.2 118.6 121.5 123.5 127.4 133.3 137.2 141.1 141.1 148 154.8 156.8 155.8 161.7 165.6 169.5 177.4 185.2 174.4 180.3 185.2 190.1 198.9 208.7 164.6 167.6 169.5 171.5 175.4 178.4 158.8 159.7 162.7 164.6 168.6 171.5 1 2 3 4 5 6 1.2 1.1 1.0 0.93 0.89 0.8 24 26 102.9 104.9 138.2 143.1 167.6 174.4 193.1 199.9 217.6 225.4 192 198 174.4 180.3 8 10 0.82 0.78 注:表中 ×104 值适合于支架后净断面 S=3m 2 的巷道,对于其它断面的巷道应乘以校正系数。 4.金属支架的巷道 ×104 值 1)工字梁拱形和梯形支架巷道的 ×104 值 附表1-4 工字梁拱形和梯形支架的巷道 ×104 值 金属梁 尺寸d0/cm 支架纵口径0/ dL时的 ×104 值 按断面校正 2 3 4 5 8 断 面 /㎡ 校正系数 10 12 14 16 18 107.8 127.4 137.2 147 156.8 147 166.6 186.2 205.8 225.4 176.4 205.8 225.4 254.8 294 205.4 245 284.2 313.6 382.2 245 294 333.2 392 431.2 3 4 6 8 10 1.08 1.00 0.91 0.88 0.84 注;d0 为金属梁截面的高度 2)金属横梁和帮柱混合支护的平巷 ×104 值 附表1-5 金属梁、柱支护的平巷 ×104 值 边柱 厚度 d0 /cm 支架纵口...

1、当您付费下载文档后,您只拥有了使用权限,并不意味着购买了版权,文档只能用于自身使用,不得用于其他商业用途(如 [转卖]进行直接盈利或[编辑后售卖]进行间接盈利)。
2、本站所有内容均由合作方或网友上传,本站不对文档的完整性、权威性及其观点立场正确性做任何保证或承诺!文档内容仅供研究参考,付费前请自行鉴别。
3、如文档内容存在违规,或者侵犯商业秘密、侵犯著作权等,请点击“违规举报”。

碎片内容

井巷摩擦阻力系数(Ns2m4)值(12kgm3)

您可能关注的文档

确认删除?
VIP
微信客服
  • 扫码咨询
会员Q群
  • 会员专属群点击这里加入QQ群
客服邮箱
回到顶部