电脑桌面
添加小米粒文库到电脑桌面
安装后可以在桌面快捷访问

混凝土抗渗原始记录

混凝土抗渗原始记录_第1页
1/3
混凝土抗渗原始记录_第2页
2/3
混凝土抗渗原始记录_第3页
3/3
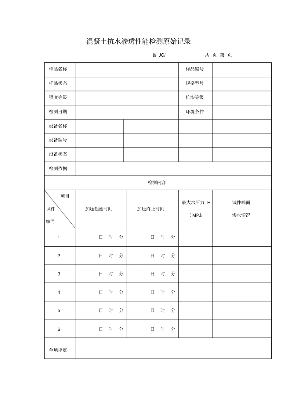
混凝土抗水渗透性能检测报告资质证书号鲁 JC/ 共 页 第页委托单位报告编号工程名称工程部位样品名称样品数量规格型号样品状态强度等级抗渗等级生产厂家成型日期代表批量养护条件龄期( d)委托日期检测类别委托人实验室地址联系电话检测依据检测日期检测设备检测环境检测内容样品编号检测结果123456单项评定最大水压力( MPa)试件端面渗水情况最大水压力( MPa)试件端面渗水情况最大水压力( MPa)试件端面渗水情况最大水压力( MPa)试件端面渗水情况检测结论检测单位检测专用章( 盖章 )签发日期:年月日检测说明见证单位:见证人:批准:校核:主检:混凝土抗水渗透性能检测原始记录鲁 JC/ 共 页 第 页样品名称样品编号样品状态规格型号强度等级抗渗等级检测日期环境条件设备名称设备编号设备状态检测依据检测内容项目试件编号加压起始时间加压终止时间最大水压力 H( MPa)试件端面渗水情况1日时分日时分2日时分日时分3日时分日时分4日时分日时分5日时分日时分6日时分日时分单项评定检测说明1、抗水渗透试验方法:逐级加压法;2、混凝土抗渗等级计算公式:P=10H-1P—混凝土抗渗等级,H— 6 个试件中有3 个渗水时的水压力。校核:主检:

1、当您付费下载文档后,您只拥有了使用权限,并不意味着购买了版权,文档只能用于自身使用,不得用于其他商业用途(如 [转卖]进行直接盈利或[编辑后售卖]进行间接盈利)。
2、本站所有内容均由合作方或网友上传,本站不对文档的完整性、权威性及其观点立场正确性做任何保证或承诺!文档内容仅供研究参考,付费前请自行鉴别。
3、如文档内容存在违规,或者侵犯商业秘密、侵犯著作权等,请点击“违规举报”。

碎片内容

混凝土抗渗原始记录

您可能关注的文档

确认删除?
VIP
微信客服
  • 扫码咨询
会员Q群
  • 会员专属群点击这里加入QQ群
客服邮箱
回到顶部